Ciao a tutti,
ho un alimentatore (non switching) 0-30V, 0-5A (150VA) da cui vorrei tirare fuori una duale +15 -15 V. Mi piacerebbe sapere dove/cosa guardare per uno schema semplice di facile comprensione (e costruzione).
grazie !
Fede
Tensione duale da singola
Moderatori:
carloc,
g.schgor,
BrunoValente,
IsidoroKZ
3 messaggi
• Pagina 1 di 1
2
voti
Federico80 ha scritto:Ciao a tutti,
ho un alimentatore (non switching) 0-30V, 0-5A (150VA) da cui vorrei tirare fuori una duale +15 -15 V. Mi piacerebbe sapere dove/cosa guardare per uno schema semplice di facile comprensione (e costruzione).
Fede
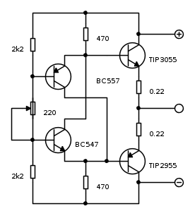
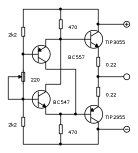
Sui due piedi un'idea da provare potrebbe essere questa:
I terminali "+" e "-" vanno connessi ai corrispettivi della stessa polarità all'uscita dell'alimentatore mentre dal terminale centrale prelevi la metà della tensione che fai erogare all'alimentatore e la usi come "zero" centrale del circuito che devi alimentare. Il trimmer da 200 ohm serve a regolare la corrente di riposo che scorre sui due transistori di potenza (che deve essere il minimo indispensabile - 10 o 15 mA al massimo - per tenerli accesi quando vengono alimentati a 5 volt che è in pratica la minima tensione a cui il circuito dovrebbe riuscire a funzionare).
Il circuito NON è provato e va preso soltanto come un suggerimento per risolvere spartanamente il problema. Soluzioni più sofisticate richiedono necessariamente un vero e proprio amplificatore ad hoc che bufferizzi un partitore di tensione (divisore per 2) e che deve essere necesariamente alimentato a parte rispetto all'uscita dell'alimentatore.
Ciao
Piercarlo
3 messaggi
• Pagina 1 di 1
Chi c’è in linea
Visitano il forum: Nessuno e 148 ospiti

Elettrotecnica e non solo (admin)
Un gatto tra gli elettroni (IsidoroKZ)
Esperienza e simulazioni (g.schgor)
Moleskine di un idraulico (RenzoDF)
Il Blog di ElectroYou (webmaster)
Idee microcontrollate (TardoFreak)
PICcoli grandi PICMicro (Paolino)
Il blog elettrico di carloc (carloc)
DirtEYblooog (dirtydeeds)
Di tutto... un po' (jordan20)
AK47 (lillo)
Esperienze elettroniche (marco438)
Telecomunicazioni musicali (clavicordo)
Automazione ed Elettronica (gustavo)
Direttive per la sicurezza (ErnestoCappelletti)
EYnfo dall'Alaska (mir)
Apriamo il quadro! (attilio)
H7-25 (asdf)
Passione Elettrica (massimob)
Elettroni a spasso (guidob)
Bloguerra (guerra)





