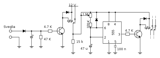
Ottimo!! ho un paio di domande a riguardo...
1)Il transistor all'uiscita del 555... che transistor è? è un npn, ma quale devo usare?
2) il condensatore sotto il 555, non è elettrolitico, giusto? è da 100 nanofarad?
3)alcuni altri componenti hanno valori strani... tipo la resistenza variabile è da 1 megaohm?, il condensatore elettrolitico è 47 microfarad? ecc... tutti i valori per me strani sono segnati con un punto interrogativo...
il secondo temporizzatore, quello che decide la misura del caffè, e che stacca il primo temporizzatore, rimane con il vecchio metodo? oppure è poco preciso e devo mettere un altro ne555 con la stessa configurazione del primo?
ad ogni novità aggiorno il circuito, quindi se c'è qualcosa che non ti quadra fammi sapere che risolvo subito!!
PS: si, diciamo che sono un neofita con l'elettronica, cioè, so usare il saldatore, e sono in grado di fare circuiti del genere, ma a livello progettuale non sono in grado di progettare quasi niente... infatti il mio scopo è cercare di essere "indipendente" e non disturbare ogni volta qualcuno di voi, per creare un circuito semplice come questo
