il TDA1552 ( schematizzato, non volevo disegnare tutto il circuito, che fra l'altro è lo stesso del datasheet ) volevo sapere se per utilizzare la configurazione bridge bisognava fare così
e poi volevo sapere qual è il GND dell'uscita per poi collegare lm3915 correttamente
Circuito per hifi
Moderatore:
IsidoroKZ
0
voti
non considerate il TDA1524 l'ho gia l'ho provato
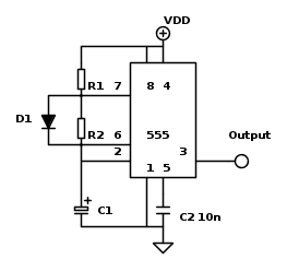
, passiamo all'ne555. qui mi servirebbe una mano, infatti mi servirebbe lo schema perche non so quale delle configurazioni presenti nel datasheet devo usare
. comunque vi dico che mi serve una frequenza variabile tra 1 e 15hz con un duty del 15-20% (penso sia adatto ad una strobo, nel caso correggetemi
)


-

mariocoppola
13 2 - New entry

- Messaggi: 56
- Iscritto il: 4 mar 2013, 19:29
0
voti
allora, ho fatto due conti con le formule del datasheet viene:
per 15hz e duty del 10%
periodo=0.07s
ton=0.01s circa
toff=0.06s circa
quindi da ciò si deduce:
R1=762ohm
R2=95ohm
C1=100uf
invece per 1hz al 10% di duty si ha
T=1s
ton=0.1s
toff=0.9s
quindi
r1=11500ohm
r2=1500ohm
c1=100uf
quindi se non erro non si puo fare con un potenziometro solo perché varia anche r2 e non solo r1
illuminami tu
marco438
per 15hz e duty del 10%
periodo=0.07s
ton=0.01s circa
toff=0.06s circa
quindi da ciò si deduce:
R1=762ohm
R2=95ohm
C1=100uf
invece per 1hz al 10% di duty si ha
T=1s
ton=0.1s
toff=0.9s
quindi
r1=11500ohm
r2=1500ohm
c1=100uf
quindi se non erro non si puo fare con un potenziometro solo perché varia anche r2 e non solo r1
illuminami tu
-

mariocoppola
13 2 - New entry

- Messaggi: 56
- Iscritto il: 4 mar 2013, 19:29
1
voti
I tuoi conti sono molto approssimativi.
Comunque prima di soffermarti sulla correzione di questi ultimi, ti consiglio di rivedere il funzionamento dei circuito, da te preso in considerazione.
A mio parere se vuoi:
Per far funzionare Il circuito, che hai preso in esame, con le caratteristiche che hai descritto devi far variare entrambe le resistenze.
Quindi non puoi farlo funzionare con un potenziometro solo.
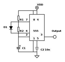
Dovresti considerare l' altro circuito dell' articolo che ti ha suggerito
marco438, cioè questo:
In questo caso hai la possibilità di variare il duty cycle, utilizzando un unico potenziometro, ma con frequenza fissa.
Attendi, comunque, anche il parere di
marco438.
Comunque prima di soffermarti sulla correzione di questi ultimi, ti consiglio di rivedere il funzionamento dei circuito, da te preso in considerazione.
A mio parere se vuoi:
mariocoppola ha scritto:....mi serve una frequenza variabile tra 1 e 15hz con un duty del 15-20% .......non si puo fare con un potenziometro solo perché varia anche r2 e non solo r1...
Per far funzionare Il circuito, che hai preso in esame, con le caratteristiche che hai descritto devi far variare entrambe le resistenze.
Quindi non puoi farlo funzionare con un potenziometro solo.
Dovresti considerare l' altro circuito dell' articolo che ti ha suggerito
In questo caso hai la possibilità di variare il duty cycle, utilizzando un unico potenziometro, ma con frequenza fissa.
Attendi, comunque, anche il parere di
0
voti
A me, prima di andare avanti, piacerebbe sapere lo scopo delle variazioni di frequenza e di duty-cycle applicato ad un circuito strobo a led.
Solitamente e sperimentalmente, si fanno delle prove per stabilire il tempo e le frequenze desiderate (con trimmer) e successivamente, una volta stabiliti frequenza e duty "a misura", si mettono resistori fissi.
Solitamente e sperimentalmente, si fanno delle prove per stabilire il tempo e le frequenze desiderate (con trimmer) e successivamente, una volta stabiliti frequenza e duty "a misura", si mettono resistori fissi.
marco
0
voti
gia fatta la prova. servirebbe un duty del 10-15% e una frequenza tra 1 e 15hz. Ora rivedo i calcoli e vi dico. intanto per le altre domande??
-

mariocoppola
13 2 - New entry

- Messaggi: 56
- Iscritto il: 4 mar 2013, 19:29
0
voti
a me servirebbe variare la frequenza, non il duty. mi sembra che bisogna agire sul condensatore, ma preferirei di no perché i condensatori variabili mi sembra di non averne mai visti come i potenziometri, ma sempre come trimmer, quindi variabili dall'interno. a me servirebbe variarli dall'esterno. ora rifaccio i calcoli con r1 fissa e c1 variabile e vi faccio sapere.
EDIT: scusate per il messaggio di prima, non avevo letto
EDIT: scusate per il messaggio di prima, non avevo letto

-

mariocoppola
13 2 - New entry

- Messaggi: 56
- Iscritto il: 4 mar 2013, 19:29
0
voti
comunque ho visto che fissando r2 apposto di c1 si hanno r1 e r2 che non variano e c1 che varia. fatemi sapere se ci sono condensatori variabili che hanno la levetta (si, insomma, il bastoncino di plastica che gira, per capirci) come quella dei potenziometri. comunque, mica si potrebbe variare un condensatore con un potenziometro??
-

mariocoppola
13 2 - New entry

- Messaggi: 56
- Iscritto il: 4 mar 2013, 19:29
0
voti
Premesso che non hai risposto alla mia precedente domanda, si esistono condensatori variabili ma solo per piccole capacita' dell'ordine delle decine di pF e quindi non adatti a quello che vorresti fare e che io ancora non ho capito.
marco
Torna a Elettronica e spettacolo
Chi c’è in linea
Visitano il forum: Nessuno e 14 ospiti

Elettrotecnica e non solo (admin)
Un gatto tra gli elettroni (IsidoroKZ)
Esperienza e simulazioni (g.schgor)
Moleskine di un idraulico (RenzoDF)
Il Blog di ElectroYou (webmaster)
Idee microcontrollate (TardoFreak)
PICcoli grandi PICMicro (Paolino)
Il blog elettrico di carloc (carloc)
DirtEYblooog (dirtydeeds)
Di tutto... un po' (jordan20)
AK47 (lillo)
Esperienze elettroniche (marco438)
Telecomunicazioni musicali (clavicordo)
Automazione ed Elettronica (gustavo)
Direttive per la sicurezza (ErnestoCappelletti)
EYnfo dall'Alaska (mir)
Apriamo il quadro! (attilio)
H7-25 (asdf)
Passione Elettrica (massimob)
Elettroni a spasso (guidob)
Bloguerra (guerra)





