Cos'è ElectroYou | Login Iscriviti

ElectroYou - la comunità dei professionisti del mondo elettrico

Circuito Temporizzato Macchinetta caffè

Elettronica lineare e digitale: didattica ed applicazioni

Moderatori: Foto Utentecarloc, Foto Utenteg.schgor, Foto UtenteBrunoValente, Foto UtenteIsidoroKZ

0
voti

[21] Re: Circuito Temporizzato Macchinetta caffè

Messaggioda Foto Utentesimo85 » 9 mar 2013, 1:11

Se ho capito bene,
lambis ha scritto:Ma Non si può modificare direttamente il circuito x farlo funzionare direttamente collegandolo al relè senza ulteriori intermediari?


Lo schema del messaggio 14:


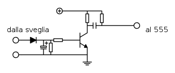
Il 555 sulla destra ha tutta l'aria di essere un monostabile che si attiva quanto il pin 7 va a stato logico basso (si accende il transistore interno). Se lo vuoi riattivare, dovrestoi poter risolvere così:

Avatar utente
Foto Utentesimo85
30,9k 7 12 13
Disattivato su sua richiesta
 
Messaggi: 9927
Iscritto il: 30 ago 2010, 4:59

0
voti

[22] Re: Circuito Temporizzato Macchinetta caffè

Messaggioda Foto Utentelambis » 9 mar 2013, 2:41

Scusa ma mi sono perso anch'io :D

simo85 ha scritto:Non credo che tutti gli schemi postati svolgano questi compiti dal nº 1 al nº 5, perché che il 555 faccia pure il caffè è un sogno!

perché non svolgono questi compiti? l'unico problema per cui ho optato per il ne555 è per la durata del primo temporizzatore, e per migliorare la precisione con cui scegliere la durata del caffè (secondo temporizzatore)

Lasciando stare i precedenti circuiti, che comprendono tutto il sistema per gestire la presenza della cialda inserita o meno, e che permettono di pilotare un relè con l'arrivo della corrente dalla radiosveglia (che ricordo non è 5v esatti, ma è un segnale che varia da un minimo di 5v ad un massimo di 8v)

Concentriamoci adesso su quello che DOVREBBERO FARE i 2 temporizzatori, che a questo punto sono i 2 ne555:

all'arrivo della tensione (o direttamente dalla radiosveglia, quindi con il 5\8v, o attraverso il relè quindi 12v ma che comunque in un modo o nell'altro PERMANE FINO ALLA FINE DEL CICLO)
il primo ne555 inizia a contare, circa 1 minuto e mezzo (regolato dal trimmer), in maniera tale da attendere che la caldaia della macchinetta del caffè raggiunga la temperatura
allo scadere del tempo il primo ne555 attiva il relè, e di conseguenza inizia a fare il caffè.
il secondo ne555 invece gestisce il tempo in cui il relè (acceso in precedenza dal primo ne555) rimane acceso, e quindi gestisce la lunghezza del caffè.
e alla fine di tutto si deve bloccare e non riprodurre più cicli fino a quando non spengo l'alimentazione e poi la riaccendo

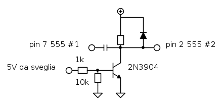
Ma in realtà il problema è che l'attivazione dei due ne555 avviene con un pulsante (cerchiato in rosso), quindi con un impulso di breve durata, quello che vorrei fare io è sostituire quel pulsante con un "interruttore", perché il tempo di durata dell'impulso corrisponde a tutta la durata dei 2 timer... tutto il resto funziona perfettamente...


simo85 ha scritto:Il 555 sulla destra ha tutta l'aria di essere un monostabile che si attiva quanto il pin 7 va a stato logico basso (si accende il transistore interno). Se lo vuoi riattivare, dovrestoi poter risolvere così:

Sono entrambi monostabili, ma non mi è chiaro il fatto di "riattivare il circuito" il mio problema non è riattivare il circuito, ma solo attivarlo con l'accensione della radiosveglia (che deve rimanere accesa fino a caffè fatto)

Se vuoi capire come funziona il circuito, sul sito da dove ho preso il circuito c'è anche la spiegazione:

DOMANDA: è possibile realizzare in maniera semplice un circuito che: CON UN PULSANTE START ECCITI UN PICCOLO RELE' DOPO DUE MINUTI (semmai regolabili) E LO MANTENGA ECCITATO PER 3 SEC.(volendo regolabili anche questi). La tensione è 12Vcc...."
FUNZIONAMENTO: "All'accensione del circuito abbiamo i pin 2 di entrambi gli NE555 a livello alto mentre i pin 6 a livello basso essendo le capacità da 220uF e da 10 uF scarichi.

In queste condizioni l'uscita pin 3 di entrambi i 555 sono a livello basso come pure i pin 7; il transistore BC237 pertanto é interdetto e relè diseccitato.

Pigiando il pulsante porto basso il pin 2 del primo NE555 che forza il pin 3 ad andare alto come pure il pin 7 sempre del primo 555. La capacità da 220 uF ora inizia a caricarsi tramite il trimmer da 1 M e la R da 100 K. Quando raggiunge la soglia dei 2/3 di Vcc (circa 8V) il pin 3 torna basso come pure il pin 7 che tramite il condensatore da 47nF porta un impulso negativo sul pin 2 del secondo 555; anche in questo caso il pin 3 del secondo 555 va alto come pure il pin 7 così il BC237 può condurre ed eccitare il relè. Il condensatore da 10 uF inizia a caricarsi attraverso il trimmer da 470K e la R da 47 K. Al raggiungimento degli 8 V riporta pin 3 e pin 7 a livello basso diseccitando il relè.

Se si pigia immediatamente il pulsante riparte il ciclo scaricando l'eventuale tensione residua dei condensatori attraverso i due diodi 1N4148. Questi due diodi non sarebbero indispensabili se il pulsante di START venisse pigiato dopo un tempo pari alla temporizzazione stessa."

So di non essere chiaro nello spiegarmi, è un mio difetto, e vi chiedo scusa, ma spero di essermi fatto capire adesso!
Avatar utente
Foto Utentelambis
30 4
Frequentatore
Frequentatore
 
Messaggi: 134
Iscritto il: 7 mar 2009, 12:45

0
voti

[23] Re: Circuito Temporizzato Macchinetta caffè

Messaggioda Foto Utenteclaudiocedrone » 9 mar 2013, 4:22



Una cosa del genere (da dimensionare... per chi ne è capace :mrgreen: ) è una corbelleria :?: O_/
"Non farei mai parte di un club che accettasse la mia iscrizione" (G. Marx)
Avatar utente
Foto Utenteclaudiocedrone
21,3k 4 7 9
Master EY
Master EY
 
Messaggi: 15303
Iscritto il: 18 gen 2012, 13:36

0
voti

[24] Re: Circuito Temporizzato Macchinetta caffè

Messaggioda Foto Utentelambis » 9 mar 2013, 11:02

Ottimo!! :ok:
Ma il pin che va al 555 dove va attaccato? si sostituice direttamente al pulsante in basso?
Avatar utente
Foto Utentelambis
30 4
Frequentatore
Frequentatore
 
Messaggi: 134
Iscritto il: 7 mar 2009, 12:45

0
voti

[25] Re: Circuito Temporizzato Macchinetta caffè

Messaggioda Foto Utentemarioursino » 9 mar 2013, 22:36

Scusami per l'assenza questi giorni ma ero a Parigi, domani vedo di rileggere con calma gli ultimi messaggi e aiutarti!
Avatar utente
Foto Utentemarioursino
5.687 3 9 13
G.Master EY
G.Master EY
 
Messaggi: 1598
Iscritto il: 5 dic 2009, 4:32

0
voti

[26] Re: Circuito Temporizzato Macchinetta caffè

Messaggioda Foto Utentelambis » 9 mar 2013, 23:09

Non ti preoccupare! :D Anzi ti ringrazio per l'interessamento!!
Avatar utente
Foto Utentelambis
30 4
Frequentatore
Frequentatore
 
Messaggi: 134
Iscritto il: 7 mar 2009, 12:45

0
voti

[27] Re: Circuito Temporizzato Macchinetta caffè

Messaggioda Foto Utenteclaudiocedrone » 10 mar 2013, 0:29

:-) Lo schifo :mrgreen: che ho disegnato, senza peraltro analizzare tutto il thread, è un maldestro tentativo di modifica del primo schema di Foto Utentemarioursino per ottenere un impulso anzichè una tensione continua dal "segnale" raddrizzato della radiosveglia, però ripensandoci il resistore verso massa diventa ridondante :? O_/
"Non farei mai parte di un club che accettasse la mia iscrizione" (G. Marx)
Avatar utente
Foto Utenteclaudiocedrone
21,3k 4 7 9
Master EY
Master EY
 
Messaggi: 15303
Iscritto il: 18 gen 2012, 13:36

0
voti

[28] Re: Circuito Temporizzato Macchinetta caffè

Messaggioda Foto Utentelambis » 10 mar 2013, 1:04

Ok, nell'eventualità dovessi utilizzare un impulso, ho già in testa cosa fare :D, mi basta usare un temporizzatore (magari uno di quelli con irf540 postato nei primi circuiti) per disattivare il segnale dopo 1 secondo XD!!

Ma sto riflettendo riguardo al fatto che posso togliere il primo temporizzatore! perché nella macchinetta c'è una lampadina che quando si spegne indica il raggiungimento della temperatura ideale, quindi, invece di usare un temporizzatore per attendere che si riscaldi, posso semplicemente collegare un relè in parallelo alla lampadina, così da attivare direttamente il secondo temporizzatore, che, raggiunta la lunghezza voluta del caffè, stacca la macchinetta! in questo modo posso togliere il temporizzatore che ritarda l'accensione del relè!! manenendo solo il temporizzatore che lo stacca!

in soldoni a me serve quindi un unico circuito temporizzato che sia ben regolabile tra i 3 ed i 15 secondi, per regolare la lunghezza voluta del caffè!! preferibilmente che funzioni con il segnale continuo della radiosveglia (dopo il relè primo relè, quindi con i 12v stabili) e che non si riattivi ciclicamente!!
Avatar utente
Foto Utentelambis
30 4
Frequentatore
Frequentatore
 
Messaggi: 134
Iscritto il: 7 mar 2009, 12:45

1
voti

[29] Re: Circuito Temporizzato Macchinetta caffè

Messaggioda Foto Utenteclaudiocedrone » 10 mar 2013, 1:16

:-) Io cercherei una qualche gradita compagnia che mi svegliasse facendomi il caffè e qualche altra cosa piacevole, ma è solo una mia personalissima opinione... :mrgreen: O_/
"Non farei mai parte di un club che accettasse la mia iscrizione" (G. Marx)
Avatar utente
Foto Utenteclaudiocedrone
21,3k 4 7 9
Master EY
Master EY
 
Messaggi: 15303
Iscritto il: 18 gen 2012, 13:36

0
voti

[30] Re: Circuito Temporizzato Macchinetta caffè

Messaggioda Foto Utentelambis » 10 mar 2013, 1:25

Ti ringrazio per la tua Graditissima opinione, ma quello che faccio io, lo faccio per hobby, perché mi piace adattare le cose alle mie esigenze, se poi, la mia compagna è disposta a farmi trovare il caffè caldo a letto la mattina alle sei, tutto di guadagnato!
Se pensi che sia una perdita di tempo aiutarmi, sei libero di farlo...
perché quello che sto facendo è solo per cercare di avvicinarmi un po' di più all'elettronica, con queste piccole sciocchezze... se è disturbo per qualcuno aiutarmi, può anche non farlo :D siamo tutti liberi di gestire il proprio tempo! :D
Avatar utente
Foto Utentelambis
30 4
Frequentatore
Frequentatore
 
Messaggi: 134
Iscritto il: 7 mar 2009, 12:45

PrecedenteProssimo

Torna a Elettronica generale

Chi c’è in linea

Visitano il forum: Nessuno e 58 ospiti