Cos'è ElectroYou | Login Iscriviti

ElectroYou - la comunità dei professionisti del mondo elettrico

disturbi su antifurto autocostruito

Piccole automazioni, installazioni elettroniche e domotica
0
voti

[1] disturbi su antifurto autocostruito

Messaggioda Foto Utentesebasera » 10 mar 2013, 14:15

Ciao a tutti! O_/
Premetto che ho realizzato un sistema antintrusione casalingo utilizzando sensori perimetrici (contatti reed su porte e finestre, ecc) collegati ad una scheda elettronica (centrale del sistema) realizzata completamente da me.

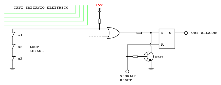
Il funzionamento è basato su porte logiche OR che rilevano lo stato dei vari loop di rilevamento (allarme ritardato, allarme istantaneo, tamper e assenza alimentazione da rete), le cui uscite vanno a modificare lo stato di circuiti bistabili (latch S-R) funzionanti da autoritenuta. Qui la parte interessata teorica del circuito:


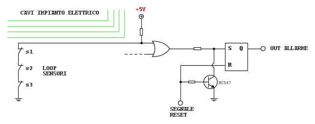
In pratica, avendo posato i cavi che collegano i sensori del sistema nelle stesse forassiti di quelli dell'impianto elettrico di casa, lo schema si riassume in questo modo:


Il mio problema è che se per esempio accendo una luce quando il mio sistema e' attivo, si crea per mutua induzione una corrente parassita sui cavi dei sensori, portando per un brevissimo intervallo di tempo l'uscita della porta logica a livello 1, sufficiente per mandare in allarme il sistema.

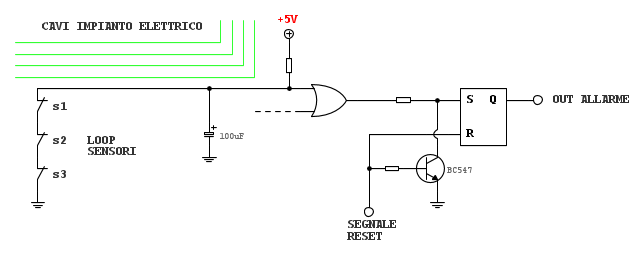
Nel tentativo di ovviare al problema, ho inserito un condensatore nel seguente modo, ma il mio problema persiste. Qualche consiglio?

Avatar utente
Foto Utentesebasera
53 1 1 7
Frequentatore
Frequentatore
 
Messaggi: 153
Iscritto il: 22 ago 2010, 9:44

3
voti

[2] Re: disturbi su antifurto autocostruito

Messaggioda Foto Utenteg.schgor » 10 mar 2013, 21:49

Non è possibile utilizzare direttamente logiche integrate
con cavi che raccolgono disturbi di tutti i tipi.
Occorre almeno "adattare" i segnali d'ingresso
con appositi circuiti antidisturbo.
Una possibile soluzione è mettere un optoisolatore,
che faccia circolare una corrente di almeno 20mA
nel loop dei sensori, usando per questo segnale
un cavo schermato (con schermo messo a terra)
Avatar utente
Foto Utenteg.schgor
57,8k 9 12 13
G.Master EY
G.Master EY
 
Messaggi: 16971
Iscritto il: 25 ott 2005, 9:58
Località: MILANO

0
voti

[3] Re: disturbi su antifurto autocostruito

Messaggioda Foto UtenteGuidoB » 12 mar 2013, 2:22

Le logiche sono CMOS, TTL o cosa?

Comunque mi hai fatto tornare indietro di 30 anni...
Avevo questo stesso problema in un antifurto con logiche CMOS, con un circuito contatti che raccoglieva disturbi dalla rete elettrica. Inoltre molti degli interruttori della serie erano da 230 V, già installati prima del mio intervento, ed era un problema sostituirli con altri adatti per bassissima tensione. Con tutta probabilità si formava una pellicola di ossido sui contatti. La bassa tensione utilizzata (12 V) riusciva ancora a "bucarla", ma generando rumore che provocava falsi allarmi.

Dopo aver provato ad aumentare la tensione di alimentazione a una trentina di volt e aggiunto induttori e condensatori di filtro senza risultati, la modifica risolutiva è stata quella di aggiungere un transistor come "sensore di corrente" che smette di condurre quando il circuito è davvero completamente aperto.
Un circuito RC che filtra tutte le interruzioni di durata inferiore a, per esempio, 100 ms completa l'opera.

Nel tuo caso ti consiglierei di alimentare il circuito dei contatti con la tensione più alta che hai a disposizione, per esempio 12 V. Con una resistenza regoli la corrente nel loop intorno ai 20 mA, come ti ha già consigliato Foto Utenteg.schgor. Metti la resistenza di limitazione sul positivo, in modo da mantenere il loop vicino al potenziale più negativo, che a sua volta è meglio che sia negativo rispetto alla terra (riduce l'ossidazione/corrosione).



Good luck! O_/
Big fan of ƎlectroYou!       Ausili per disabili e anziani su ƎlectroYou
Caratteri utili: À È É Ì Ò Ó Ù α β γ δ ε η θ λ μ π ρ σ τ φ ω Ω º ª ² ³ √ ∛ ∜ ₀ ₁ ₂ ₃ ₄ ₅ ₆ ∃ ∄ ∆ ∈ ∉ ± ∓ ∾ ≃ ≈ ≠ ≤ ≥
Avatar utente
Foto UtenteGuidoB
17,8k 7 12 13
G.Master EY
G.Master EY
 
Messaggi: 2809
Iscritto il: 3 mar 2011, 16:48
Località: Madrid

0
voti

[4] Re: disturbi su antifurto autocostruito

Messaggioda Foto Utenteg.schgor » 12 mar 2013, 9:34

Una volta sistemati gli ingressi con circuiti antidisturbo,
è il caso di rivedere anche il circuito di acquisizione.
Segnalo questo articolo
per inquadrare il problema. Poi ne riparliamo.
Avatar utente
Foto Utenteg.schgor
57,8k 9 12 13
G.Master EY
G.Master EY
 
Messaggi: 16971
Iscritto il: 25 ott 2005, 9:58
Località: MILANO

1
voti

[5] Re: disturbi su antifurto autocostruito

Messaggioda Foto Utentesebasera » 19 mar 2013, 0:02

Grazie mille del consiglio Foto UtenteGuidoB :ok: . Le logiche che utilizzo sono CMOS e purtroppo gli basta un minimo disturbo per eccitarle...
Ora mai ho sostituito i latch S-R con dei relè per fare da autoritenuta risolvendo il problema (dato che prima di azionare l'autoritenuta deve chiudersi il contatto, al quale serve un piccolo intervallo di tempo per farlo, ma sufficiente per essere immune ai disturbi).
Dato che la sicurezza non è mai troppa, accoppierò il sistema da te consigliato con i miei relè O_/
Avatar utente
Foto Utentesebasera
53 1 1 7
Frequentatore
Frequentatore
 
Messaggi: 153
Iscritto il: 22 ago 2010, 9:44


Torna a Automazione civile

Chi c’è in linea

Visitano il forum: Nessuno e 36 ospiti