
Circuito Temporizzato Macchinetta caffè
Moderatori:
carloc,
g.schgor,
BrunoValente,
IsidoroKZ
49 messaggi
• Pagina 4 di 5 • 1, 2, 3, 4, 5
0
voti

"Non farei mai parte di un club che accettasse la mia iscrizione" (G. Marx)
-

claudiocedrone
21,3k 4 7 9 - Master EY

- Messaggi: 15303
- Iscritto il: 18 gen 2012, 13:36
0
voti

0
voti
claudiocedrone ha scritto::-) Io cercherei una qualche gradita compagnia che mi svegliasse facendomi il caffè e qualche altra cosa piacevole, ma è solo una mia personalissima opinione...![]()
Pensa che io lo avevo scritto e poi ho cancellato il messaggio perché mi sembrava di confondere solo le idee...
0
voti

"Non farei mai parte di un club che accettasse la mia iscrizione" (G. Marx)
-

claudiocedrone
21,3k 4 7 9 - Master EY

- Messaggi: 15303
- Iscritto il: 18 gen 2012, 13:36
1
voti
A me dispiace fare queste discussioni in questo forum... anche perché è un forum meraviglioso... si trovano un mare di cose utili per chi ha voglia di imparare qualcosa... ma io sono il tipo che una provocazione la lascia passare, anche ignorandola... ma le provocazioni continue non le tollero... invece di rendersi conto di indisporre le persone con le battute, si preferisce continuare a provocare... Comunque pazienza.. se i moderatori possono cancellare questa discussione, meglio... si pulisce un po' il thread... e comunque Claudiocedrone, se sei in grado di discutere attenendosi al contesto e senza provocare puoi tranquillamente partecipare ai miei thread


1
voti
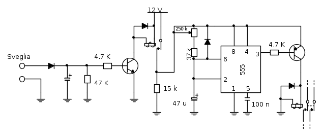
Comunque, ritornando al discorso, a me serve quindi un unico circuito temporizzato che sia ben regolabile tra i 3 ed i 15 secondi, per regolare la lunghezza voluta del caffè!! preferibilmente che funzioni con il segnale continuo della radiosveglia (dopo il relè primo relè, quindi con i 12 V stabili) e che non si riattivi ciclicamente!!
Quindi basterebbe il circuito postato da Marioursino al post [12]
Andrebbero solo sostituite le resistenze ed i condensatori per far variare il tempo di attesa da 0-15 secondi (o poco più)
Quindi basterebbe il circuito postato da Marioursino al post [12]
Andrebbero solo sostituite le resistenze ed i condensatori per far variare il tempo di attesa da 0-15 secondi (o poco più)
2
voti
Bè, se la sveglia rimane accesa non ti resta che usare il potenziometro da 1 Mohm nel mio schema (anche facendo prove col cronometro) per ottenere il tempo che desideri. Scusa ma devo ancora rileggermi tutto, dammi tempo
Il circuito si riattiva solo quando la sveglia si spegne e poi si riaccende, altrimenti a seguito dell'impulso di 15 secondi avrai un'uscita "spenta".
Ps: il BJT finale ha come unico prerequisito quello di supportare una
congruente a quella richiesta dal relè, che puoi misurare con un multimetro in serie a questo o leggendo i dati di targa del dispositivo, in particolare relativamente alla resistenza dell'avvolgimento, che è quella che poi conta.
Il circuito si riattiva solo quando la sveglia si spegne e poi si riaccende, altrimenti a seguito dell'impulso di 15 secondi avrai un'uscita "spenta".
Ps: il BJT finale ha come unico prerequisito quello di supportare una
congruente a quella richiesta dal relè, che puoi misurare con un multimetro in serie a questo o leggendo i dati di targa del dispositivo, in particolare relativamente alla resistenza dell'avvolgimento, che è quella che poi conta.-

marioursino
5.687 3 9 13 - G.Master EY

- Messaggi: 1598
- Iscritto il: 5 dic 2009, 4:32
0
voti
marioursino ha scritto:Scusa ma devo ancora rileggermi tutto, dammi tempo![]()
Tranquillo! Non C'è nessuna fretta!
marioursino ha scritto:Il circuito si riattiva solo quando la sveglia si spegne e poi si riaccende
Era esattamente quello che cercavo
marioursino ha scritto:altrimenti a seguito dell'impulso di 15 secondi avrai un'uscita "spenta".
Non mi è chiaro... come si comporta il circuito? io credevo che quando arrivasse la corrente dalla sveglia al circuito partisse il timer per 15 secondi, e poi si eccitasse il relè... se non fosse così, cercherò di riadattare il progetto ;)
un'altra domanda... se per caso durante il tempo di attesa si stacca la radio e si riaccende subito dopo... ripartirebbe il timer da zero?
1
voti
io credevo che quando arrivasse la corrente dalla sveglia al circuito partisse il timer per 15 secondi, e poi si eccitasse il relè
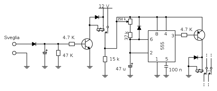
Allora ti basta che utilizzi un pnp all'uscita:
Inoltre ho ricalcolato le resistenze della rete di ritardo perché si possa regolare un periodo di ritardo tra i 2 e i 15 secondi.
-

marioursino
5.687 3 9 13 - G.Master EY

- Messaggi: 1598
- Iscritto il: 5 dic 2009, 4:32
49 messaggi
• Pagina 4 di 5 • 1, 2, 3, 4, 5
Chi c’è in linea
Visitano il forum: Nessuno e 345 ospiti

Elettrotecnica e non solo (admin)
Un gatto tra gli elettroni (IsidoroKZ)
Esperienza e simulazioni (g.schgor)
Moleskine di un idraulico (RenzoDF)
Il Blog di ElectroYou (webmaster)
Idee microcontrollate (TardoFreak)
PICcoli grandi PICMicro (Paolino)
Il blog elettrico di carloc (carloc)
DirtEYblooog (dirtydeeds)
Di tutto... un po' (jordan20)
AK47 (lillo)
Esperienze elettroniche (marco438)
Telecomunicazioni musicali (clavicordo)
Automazione ed Elettronica (gustavo)
Direttive per la sicurezza (ErnestoCappelletti)
EYnfo dall'Alaska (mir)
Apriamo il quadro! (attilio)
H7-25 (asdf)
Passione Elettrica (massimob)
Elettroni a spasso (guidob)
Bloguerra (guerra)



