
pin alimentazione a massa
Moderatori:
carloc,
g.schgor,
BrunoValente,
IsidoroKZ
18 messaggi
• Pagina 2 di 2 • 1, 2
0
voti

"Non farei mai parte di un club che accettasse la mia iscrizione" (G. Marx)
-

claudiocedrone
21,3k 4 7 9 - Master EY

- Messaggi: 15303
- Iscritto il: 18 gen 2012, 13:36
0
voti
franticEY ha scritto:non li ho disegnati ma i segnali che vanno alla eeprom hanno tutti un pull-up di 10k.....
Il DS dice che gli ingressi possono avere una tensione (riferita al pin di gnd) che varia tra -0.6V fino a Vcc + 1V.
Se Vcc è a gnd allora non puoi superare 1V.
Ma poi perché devi cortocircuitare l'alimentazione? per mandarlo a nanna (e risparmiare energia) basta alzare il pin CS.

http://millefori.altervista.org
Tool gratuito per chi sviluppa su millefori.
Tutti sanno che una cosa è impossibile da realizzare, finché arriva uno sprovveduto che non lo sa e la inventa. (A. Einstein)
Se non c'e` un 555 non e` un buon progetto (IsidoroKZ)
Strumento per formule
Tool gratuito per chi sviluppa su millefori.
Tutti sanno che una cosa è impossibile da realizzare, finché arriva uno sprovveduto che non lo sa e la inventa. (A. Einstein)
Se non c'e` un 555 non e` un buon progetto (IsidoroKZ)
Strumento per formule
-

posta10100
5.550 4 10 13 - Master EY

- Messaggi: 4832
- Iscritto il: 5 nov 2006, 0:09
0
voti
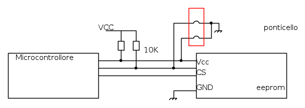
inizialmente erano stati messi dei ponticelli al fine di far leggere al micro una certa configurazione binaria (0 quando il ponticello è chiuso, 1 dato dal pull-up quando è aperto).
successivamente è stata aggiunta la flash per gestire più configurazioni, quindi quei pin prima dedicati ad uno scopo sono stati riutilizzati.
quindi tu dici che se il pin Vcc è a GND e per esempio il pin CS a 3V potrebbero esserci dei danni?
successivamente è stata aggiunta la flash per gestire più configurazioni, quindi quei pin prima dedicati ad uno scopo sono stati riutilizzati.
Se Vcc è a gnd allora non puoi superare 1V
quindi tu dici che se il pin Vcc è a GND e per esempio il pin CS a 3V potrebbero esserci dei danni?
2
voti
Vai fuori specifiche. Il datasheet parla chiaro.
Magari poi non succede niente (potrebbe anche essere) ma non è un lavoro fatto bene, anzi a dire il vero è il classico lavoro fatto "ad kazzum".
Magari poi non succede niente (potrebbe anche essere) ma non è un lavoro fatto bene, anzi a dire il vero è il classico lavoro fatto "ad kazzum".
"La follia sta nel fare sempre la stessa cosa aspettandosi risultati diversi".
"Parla soltanto quando sei sicuro che quello che dirai è più bello del silenzio".
Rispondere è cortesia, ma lasciare l'ultima parola ai cretini è arte.
"Parla soltanto quando sei sicuro che quello che dirai è più bello del silenzio".
Rispondere è cortesia, ma lasciare l'ultima parola ai cretini è arte.
-

TardoFreak
73,9k 8 12 13 - -EY Legend-

- Messaggi: 15754
- Iscritto il: 16 dic 2009, 11:10
- Località: Torino - 3° pianeta del Sistema Solare
0
voti
Togliendo il ponticello dalla Vcc e mettendolo altrove.
Forse, ma dovrei verificare, su CS potrebbe andare bene.
Meglio se in un altro pin, uno qualsiasi, ma non sulla Vcc della FLASH.
Forse, ma dovrei verificare, su CS potrebbe andare bene.
Meglio se in un altro pin, uno qualsiasi, ma non sulla Vcc della FLASH.

"La follia sta nel fare sempre la stessa cosa aspettandosi risultati diversi".
"Parla soltanto quando sei sicuro che quello che dirai è più bello del silenzio".
Rispondere è cortesia, ma lasciare l'ultima parola ai cretini è arte.
"Parla soltanto quando sei sicuro che quello che dirai è più bello del silenzio".
Rispondere è cortesia, ma lasciare l'ultima parola ai cretini è arte.
-

TardoFreak
73,9k 8 12 13 - -EY Legend-

- Messaggi: 15754
- Iscritto il: 16 dic 2009, 11:10
- Località: Torino - 3° pianeta del Sistema Solare
0
voti
circuitalmente non è possibile giusto? Nemmeno con un pull down da tipo 20k o più verso il ponticello così in caso fosse a GND vincerebbe comunque il 10k a Vcc... o dico una stupidata?
2
voti
Domanda: il micro che usi è un 6 pin? Voglio dire, ci sarà bene un pin da qualche parte a cui si può collegare un ponticello?
Collegare un ponticello alla Vcc di un integrato è una cosa da non fare, a meno che non si abbiano solo 3 I/O.
E' possibile avere uno schema vero, uno schema che abbia un senso o è un segreto militare?
Collegare un ponticello alla Vcc di un integrato è una cosa da non fare, a meno che non si abbiano solo 3 I/O.
E' possibile avere uno schema vero, uno schema che abbia un senso o è un segreto militare?
"La follia sta nel fare sempre la stessa cosa aspettandosi risultati diversi".
"Parla soltanto quando sei sicuro che quello che dirai è più bello del silenzio".
Rispondere è cortesia, ma lasciare l'ultima parola ai cretini è arte.
"Parla soltanto quando sei sicuro che quello che dirai è più bello del silenzio".
Rispondere è cortesia, ma lasciare l'ultima parola ai cretini è arte.
-

TardoFreak
73,9k 8 12 13 - -EY Legend-

- Messaggi: 15754
- Iscritto il: 16 dic 2009, 11:10
- Località: Torino - 3° pianeta del Sistema Solare
18 messaggi
• Pagina 2 di 2 • 1, 2
Chi c’è in linea
Visitano il forum: Nessuno e 127 ospiti

Elettrotecnica e non solo (admin)
Un gatto tra gli elettroni (IsidoroKZ)
Esperienza e simulazioni (g.schgor)
Moleskine di un idraulico (RenzoDF)
Il Blog di ElectroYou (webmaster)
Idee microcontrollate (TardoFreak)
PICcoli grandi PICMicro (Paolino)
Il blog elettrico di carloc (carloc)
DirtEYblooog (dirtydeeds)
Di tutto... un po' (jordan20)
AK47 (lillo)
Esperienze elettroniche (marco438)
Telecomunicazioni musicali (clavicordo)
Automazione ed Elettronica (gustavo)
Direttive per la sicurezza (ErnestoCappelletti)
EYnfo dall'Alaska (mir)
Apriamo il quadro! (attilio)
H7-25 (asdf)
Passione Elettrica (massimob)
Elettroni a spasso (guidob)
Bloguerra (guerra)

