Ragazzi sto preparando la tesina e sto creando da zero il progetto.
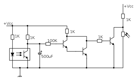
Allora io ho un fotoaccoppiatore che,quando passa qualcosa che interrompe il collegamento mi mette a livello alto il collettore (il collettore del transistor del fotoaccoppiatore),e poi il circuito dopo si occupa di mantenermi per un certo tempo il livello alto che mi va alla fotoresistenza che piloterà un circuto con dei led.
Normalmente la fotoresistenza è a zero,quando qualcuno passa si attiva sia il fotoaccoppiatore che la fotoresistenza.
Va bene il circuito?
Domanda mantenimento livello alto
Moderatori:
carloc,
g.schgor,
BrunoValente,
IsidoroKZ
7 messaggi
• Pagina 1 di 1
0
voti
0
voti
Quella rete RC ha una costante di tempo di mezzo secondo, che chiaramente non corrispondono al tempo d'accensione del primo transistor, che è molto meno, ma fossi in te diminuirei comunque la capacità. A cosa ti serve così grande?
-

marioursino
5.687 3 9 13 - G.Master EY

- Messaggi: 1598
- Iscritto il: 5 dic 2009, 4:32
0
voti
Era una prova.
Il professore mi ha detto "sceglilo grande" e io l'ho scelto grande
Per fare 30 secondi con l'1 sulla fotoresistenza da quanto lo devo mettere?
mezzo secondo è troppo poco.
Vanno bene anche 20 secondi.
Il professore mi ha detto "sceglilo grande" e io l'ho scelto grande
Per fare 30 secondi con l'1 sulla fotoresistenza da quanto lo devo mettere?
mezzo secondo è troppo poco.
Vanno bene anche 20 secondi.
0
voti
Non mi pare un buon metodo, per un tempo del genere devi inventarti un timer, quella capacità fa da passa basso per l'ingresso alla fotocellula, quindi più la fai grande e più dovrà rimanere interrotto il fascio per triggerare l'uscita.
-

marioursino
5.687 3 9 13 - G.Master EY

- Messaggi: 1598
- Iscritto il: 5 dic 2009, 4:32
0
voti
jyciap11 ha scritto:Normalmente la fotoresistenza è a zero,quando qualcuno passa si attiva sia il fotoaccoppiatore che la fotoresistenza.
Ma una fotoresistenza non è che si attiva, va a uno o a zero. Cambia il suo valore in base alla luce che riceve.
Quale segnale o fonte alimenta il LED del fotoaccoppiatore?
Il circuito con la rete RC non funziona bene e non temporizza così come è montato. Manca uno zener in serie alla base, almeno. In più credo che per quello che volessi fare con quel circuito, non servano così tanti transistori.
Per fare un temporizzatore per il tempo che hai precisato puoi usare un 555 monostabile o farlo a porte logiche, retriggherabile o no. È sicuramente una soluzione migliore di quella proposta.
Dalla spiegazione che hai dato non si capisce molto bene cosa tu debba fare.
Di che tipo di tesina si tratta?
0
voti
praticamente,vi spiego:
Ho un modellino di una casa.
Il fotoaccoppiatore va alla porta,la fotoresistenza dentro collegata a dieci diodi led (lo schema per questa parte l'ho già fatto e funziona ecco perché non l'ho postato).
Io devo fare in modo che quando qualcuno attraversa la porta mi mandi per 20-30 secondi il livello alto sulla fotoresistenza che mi accende i led.Se non passa nessuno la fotoresistenza normalmente è spenta.
Che configurazione posso usare?
Ho un modellino di una casa.
Il fotoaccoppiatore va alla porta,la fotoresistenza dentro collegata a dieci diodi led (lo schema per questa parte l'ho già fatto e funziona ecco perché non l'ho postato).
Io devo fare in modo che quando qualcuno attraversa la porta mi mandi per 20-30 secondi il livello alto sulla fotoresistenza che mi accende i led.Se non passa nessuno la fotoresistenza normalmente è spenta.
Che configurazione posso usare?
7 messaggi
• Pagina 1 di 1
Chi c’è in linea
Visitano il forum: Nessuno e 115 ospiti

Elettrotecnica e non solo (admin)
Un gatto tra gli elettroni (IsidoroKZ)
Esperienza e simulazioni (g.schgor)
Moleskine di un idraulico (RenzoDF)
Il Blog di ElectroYou (webmaster)
Idee microcontrollate (TardoFreak)
PICcoli grandi PICMicro (Paolino)
Il blog elettrico di carloc (carloc)
DirtEYblooog (dirtydeeds)
Di tutto... un po' (jordan20)
AK47 (lillo)
Esperienze elettroniche (marco438)
Telecomunicazioni musicali (clavicordo)
Automazione ed Elettronica (gustavo)
Direttive per la sicurezza (ErnestoCappelletti)
EYnfo dall'Alaska (mir)
Apriamo il quadro! (attilio)
H7-25 (asdf)
Passione Elettrica (massimob)
Elettroni a spasso (guidob)
Bloguerra (guerra)


