Salve, ho anch'io un problema da porvi e vedo che di problemi c'è ne sono parecchi!!!! relativamente ad un progetto (fai da te), l'estetica è l'ultimo dei miei problemi, l'efficienza e i costi sono i miei problemi:
- Ho un acquario marino chiuso con un coperchio di plastica di piccole dimensioni,
- la profondità dell'acqua è circa 35 cm. acqua salata come potete immaginare.
- Volevo mettere una illuminazione a led dimmerabile con luce lunare notturna.
- Se possibile tutto in modo automatico senza dover intervenire continuamente.
- Che funzione come la luce del giorno della notte, quindi da 0% a 100% e poi a 0%,
- salvo quella notturna che può essere costante e fatta da solo 4 led blu.
- Lo spazio disponibile per i led è circa 12 x 12 x 3 h. vado di plastica sigillato impermeabile.
- Se necessario è raffreddabile forando il coperchio e applicando esternamente ventoline da PC.
- La potenza di illuminazione deve essere compresa tra i 12.000 e i 25.000°K.
- L'impianto può essere separato, in una semplice scatola messa nel mobile sottostante sia che sia con o senza trasformatore.
Qualcuno mi ha detto che un controller andrebbe bene se l'impianto a led è dimmerabile!!
Il problema è che questo controller è stato fatto, per far funzionare dei neon e un led lunare notturno.
Allego testo del messaggio che mi ha mandato il mio amico :
Era collegato ad un ballast dimmerabile che nel mio caso accende le lampade t5
(di diverso potenza, 24/39 watt), il ballast è della OSRAM - A1 BAT .
in cui avevo 4 lampade t5; di cui 2 le accendevo con un semplice timer e le altre 2 le accendevo prima e le spegnevo dopo le prime due.
In modo che da una luminosità 0% (spente) passassero al 100% (tutte accese) in modo graduale ed in un
intervallo di tempo che si può stabilire tramite un piccola "pulsantiera".
Ora, i ballast sono regolabili con la stessa tensione ( 0 - 10V ) per accendere altri tipi di lampade come ad
esempio dei LED ed è possibile collegarli a questo apparecchio.
I ballast dimmerabili per lampade T5, come il mio, praticamente oltre a fornire l'alimentazione alla
lampada, possono essere dimmerati attraverso un controller (come il mio) ed attraverso il dimmer che
regola l'intensità luminosa.
Il mio ballast dimmerabile, oltre ai classici morsetti per alimentare le lampade, ha anche altri 2 morsetti
che funzionano a tensione "bassa" (da 0 a 10v) è questo che esternamente lo distingue da ballast normali.
Quindi sarebbe riutizzabile usando il controller e il ballast dimmerabile, far funzionare il tutto, sostituendo i neon con un impianto a led?
plafoniera led
Moderatore:
IsidoroKZ
40 messaggi
• Pagina 2 di 4 • 1, 2, 3, 4
0
voti
[12] Re: plafoniera led
Quindi sarebbe riutizzabile usando il controller e il ballast dimmerabile, far funzionare il tutto, sostituendo i neon con un impianto a led?
Direi proprio di no!!
L'alimentatore elettronico di cui si parla è di tipo "multiwatt e dimmerabile" e può alimentare solo lampade fluorescenti T5.
Innanzitutto devi stabilire che tipo di sorgenti luminose LED intendi utilizzare, conoscerne bene i parametri elettrici (tensione e corrente di pilotaggio) e successivamente scegliere l'alimentatore idoneo....che sarà dimmerabile 0-10V se vuoi utilizzare in qualche modo il controller che hai già.

0
voti
[13] Re: plafoniera led
Quindi se non ho capito male la parte del controller che controlla il ballast non è riutilizzabile con un qualsiasi tipo di led!! ma neanche sostituendo il ballast con altro ma che faccia funzionare dei led?
Inoltre il ballast per neon T5, funzionerebbe con altri neon più piccoli (spazio circa cm.25) ? di che tipo?
Penso che da dove esce la bassa tensione ( 0 - 10V ) per il led notturno non sia dimmerabile!!!
Si accende e si spegne solamente il led notturno e quando si spengono le luci, è come una sorta di timer.
Quindi per renderlo dimmerabile ci vuole un qualcosa di dimmerabile con i led? che cosa?
Grazie
Volevo mettere le foto in allegato ma come si fa? non trovo il tasto?
Inoltre il ballast per neon T5, funzionerebbe con altri neon più piccoli (spazio circa cm.25) ? di che tipo?
Penso che da dove esce la bassa tensione ( 0 - 10V ) per il led notturno non sia dimmerabile!!!
Si accende e si spegne solamente il led notturno e quando si spengono le luci, è come una sorta di timer.
Quindi per renderlo dimmerabile ci vuole un qualcosa di dimmerabile con i led? che cosa?
Grazie
Volevo mettere le foto in allegato ma come si fa? non trovo il tasto?
-

niemandmark
- Messaggi: 31
- Iscritto il: 15 mar 2013, 12:01
0
voti
[14] Re: plafoniera led
C'è un po' di confusione.....
Innanzitutto l'alimentatore elettronico per lampade T5 che già possiedi deve alimentare SOLO le lampade indicate nel data sheet tecnico e con il cablaggio indicato...
Per i LED occorre un alimentatore diverso che può essere dimmerabile 0-10V....a questo punto se il tuo controller fornisce un segnale di tensione di regolazione tra 0 e 10V allora puoi continuare ad utilizzarlo...altrimenti occorre cercare soluzioni differenti!!!!
Puoi postare delle foto o dei data sheet? Utilizza la tab "Invia Allegato" che c'è sotto la finestra...

Innanzitutto l'alimentatore elettronico per lampade T5 che già possiedi deve alimentare SOLO le lampade indicate nel data sheet tecnico e con il cablaggio indicato...
Per i LED occorre un alimentatore diverso che può essere dimmerabile 0-10V....a questo punto se il tuo controller fornisce un segnale di tensione di regolazione tra 0 e 10V allora puoi continuare ad utilizzarlo...altrimenti occorre cercare soluzioni differenti!!!!
Puoi postare delle foto o dei data sheet? Utilizza la tab "Invia Allegato" che c'è sotto la finestra...

0
voti
[15] Re: plafoniera led
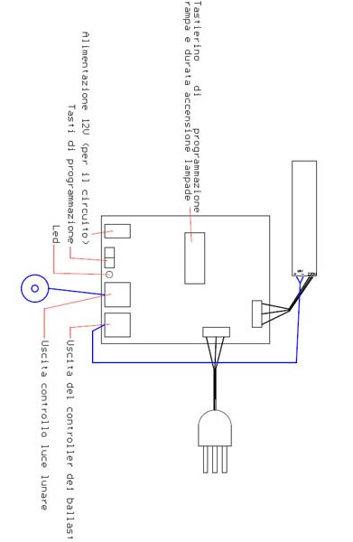
Allego foto e disegno dei componenti di cui dispongo, spero siano chiarificatori?
- Allegati
-
- Controller.jpg (38.27 KiB) Osservato 6649 volte
-
- Controller schema circuito.jpg (93.29 KiB) Osservato 6649 volte
-

niemandmark
- Messaggi: 31
- Iscritto il: 15 mar 2013, 12:01
0
voti
[16] Re: plafoniera led
Questo è il ballast dimmerabile
- Allegati
-
- Con Ballast dimmerabile.jpg (36.18 KiB) Osservato 6645 volte
-

niemandmark
- Messaggi: 31
- Iscritto il: 15 mar 2013, 12:01
0
voti
[17] Re: plafoniera led
Ho dimenticato l'altra parte del ballast, grazie
Ultima modifica di
niemandmark il 16 mar 2013, 16:01, modificato 1 volta in totale.
-

niemandmark
- Messaggi: 31
- Iscritto il: 15 mar 2013, 12:01
0
voti
[18] Re: plafoniera led
Scusa ho sbagliato foto
- Allegati
-
- Con Ballast Dimmerabile 2.jpg (203.17 KiB) Osservato 6639 volte
-

niemandmark
- Messaggi: 31
- Iscritto il: 15 mar 2013, 12:01
0
voti
[19] Re: plafoniera led
Se ben interpreto il controller ha le seguenti funzioni:
- uscita analogica in tensione 0-10V verso l'alimentatore elettronico per simulare la luce solare 0-100%
- uscita in tensione (non so se fissa o variabile) per alimentare una sorgente di luce blu che simula la notte
- uscita a relè 220Vac per accendere e spegnere l'alimentatore elettronico
Di sicuro il QTi Osram non può essere utilizzato con sorgenti lumose diverse dalle lampade fluorescenti T5 indicate.
Per capire se il controller si adatta invece alle tue nuove esigenze devi scegliere prima le sorgenti LED e conoscere le relative caratteristiche, in base a questo scegliere il giusto alimentatore che potrai scegliere appositamente con ingresso di regolazione 0-10V.
Che caratteristiche ha (tensione, max corrente) l'uscita del controller verso la sorgente di luce lunare??
Cosa intendi?? La potenza di illuminazione di una sorgente la puoi individuare mediante il suo flusso luminoso che si misura in lumen, in °K si misura la temperatura cromatica ma il range indicato non è coerente...Se intendevi davvero un flusso luminoso di 12.000/25.000 lumen vedo la soluzione LED di difficile attuazione visto il poco volume che hai a disposizione!!!

- uscita analogica in tensione 0-10V verso l'alimentatore elettronico per simulare la luce solare 0-100%
- uscita in tensione (non so se fissa o variabile) per alimentare una sorgente di luce blu che simula la notte
- uscita a relè 220Vac per accendere e spegnere l'alimentatore elettronico
Di sicuro il QTi Osram non può essere utilizzato con sorgenti lumose diverse dalle lampade fluorescenti T5 indicate.
Per capire se il controller si adatta invece alle tue nuove esigenze devi scegliere prima le sorgenti LED e conoscere le relative caratteristiche, in base a questo scegliere il giusto alimentatore che potrai scegliere appositamente con ingresso di regolazione 0-10V.
Che caratteristiche ha (tensione, max corrente) l'uscita del controller verso la sorgente di luce lunare??
La potenza di illuminazione deve essere compresa tra i 12.000 e i 25.000°K
Cosa intendi?? La potenza di illuminazione di una sorgente la puoi individuare mediante il suo flusso luminoso che si misura in lumen, in °K si misura la temperatura cromatica ma il range indicato non è coerente...Se intendevi davvero un flusso luminoso di 12.000/25.000 lumen vedo la soluzione LED di difficile attuazione visto il poco volume che hai a disposizione!!!

0
voti
[20] Re: plafoniera led

"Non farei mai parte di un club che accettasse la mia iscrizione" (G. Marx)
-

claudiocedrone
21,3k 4 7 9 - Master EY

- Messaggi: 15302
- Iscritto il: 18 gen 2012, 13:36
40 messaggi
• Pagina 2 di 4 • 1, 2, 3, 4
Torna a Elettronica e spettacolo
Chi c’è in linea
Visitano il forum: Nessuno e 8 ospiti

Elettrotecnica e non solo (admin)
Un gatto tra gli elettroni (IsidoroKZ)
Esperienza e simulazioni (g.schgor)
Moleskine di un idraulico (RenzoDF)
Il Blog di ElectroYou (webmaster)
Idee microcontrollate (TardoFreak)
PICcoli grandi PICMicro (Paolino)
Il blog elettrico di carloc (carloc)
DirtEYblooog (dirtydeeds)
Di tutto... un po' (jordan20)
AK47 (lillo)
Esperienze elettroniche (marco438)
Telecomunicazioni musicali (clavicordo)
Automazione ed Elettronica (gustavo)
Direttive per la sicurezza (ErnestoCappelletti)
EYnfo dall'Alaska (mir)
Apriamo il quadro! (attilio)
H7-25 (asdf)
Passione Elettrica (massimob)
Elettroni a spasso (guidob)
Bloguerra (guerra)
