da
belva87 » 22 mar 2013, 19:24
Pioz ha scritto:...non tenermi sulle spine, condividi i segreti anche con gli amici
Non è un segreto, e per fortuna!!
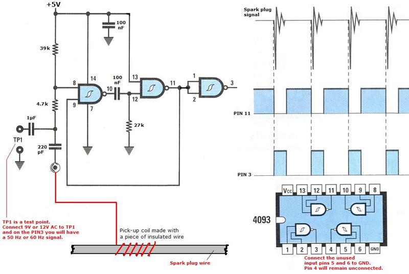
Ragiona che segnale hai sul pin 12 e com'è collegato il 9...partendo dal presupposto che il 13 è fissato
Pioz ha scritto:Quel monostabile in ingresso mi sembra del tipo retriggerabile, mi sbaglio? perché se fosse non retriggerabile basterebbe un integratore per realizzare il convertitore F/V.
Risulta retriggerabile solo se lo fai in una opportuna maniera, tu come lo faresti? Stai studiando a scuola/università circuiti simili?
L'integratore funziona in teoria, in pratica non ho mai provato. Ho però dei dubbi sulle costanti di tempo da dover implementare in questa esigenza... devo ragionarci meglio ma attualmente ho poco tempo.
A dire il vero volendo fare una cosetta con il PIC, basta quel circuito che si può fare anche un poco più facile e più "sicuro" ; ma non vorrei andare offtopic e il nostro compagno di forum non si è ancora fatto vivo
