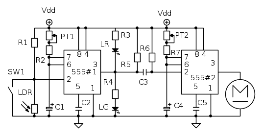
ciao a tutti, sto cercando di realizzare il circuito sotto senza però ottenere i risultati voluti.
in pratica il primo ne555 di sinistra si attiva sia con R4 (sensibile alla luce) che con SW3 un pulsante normalissimo, una volta attivato spegne il led rosso e mantiene acceso il verde per un tempo variabile da VR1, passato il tempo voluto il led verde si spegne e si riaccende il led rosso costante.
A questo punto, alla riaccensione del led rosso, dovrei far partire il 2° NE555 di destra per far ruotare il motorino per un tempo variabile ( non so ancora quanto mi servirà farlo girare). Il motorino poi tramite SW2 a piacere sara fatto girare manualmente a piacere.
eseguito nel modo del disegno sopra però il 2° NE555 si attiva insieme al 1° spegnendosi nel tempo variabile da me impostato con VR2
a questo punto le domande sono 2
1 come faccio ad attivare il 2° NE555 alla riaccensione del LED ROSSO?
2 perche al pin di uscita del 2° NE555 ho 6 volt invece che 15volt come nel primo?
volevo allegare anche il file di livewire dove sto "provando" a farlo funzionare, non si sà mai che a qualcuno possa servire però non me lo carica, non mi accetta l'estensione
grezie mille in anticipo a tutti
2 ne555 in cascata
Moderatori:
carloc,
g.schgor,
BrunoValente,
IsidoroKZ
8 messaggi
• Pagina 1 di 1
0
voti
0
voti
Nello schema ci sono parecchi errori e francamente non so da quale incominciare...
Mi limito ai principali:
-l'interruttore sw2 manda in corto l'uscita del secondo 555
(occorrono 2 diodi di disaccoppiamento)
-il trigger di questo non va a "0" (come dovrebbe per farlo partire),
ma rimane "aperto"
-perché alimentare i 555 con 15V? (è la tensione limite!)
-non ci sono le normali protezioni (resistenze di minimo in serie
ai potenziometri, diodo antiparallelo alla bobina del relè,
condensatiori fra pin5 e GND, ecc.)
Mi limito ai principali:
-l'interruttore sw2 manda in corto l'uscita del secondo 555
(occorrono 2 diodi di disaccoppiamento)
-il trigger di questo non va a "0" (come dovrebbe per farlo partire),
ma rimane "aperto"
-perché alimentare i 555 con 15V? (è la tensione limite!)
-non ci sono le normali protezioni (resistenze di minimo in serie
ai potenziometri, diodo antiparallelo alla bobina del relè,
condensatiori fra pin5 e GND, ecc.)
0
voti
Sbaglio o senza relè potresti risolvere così?
Forse per il motorino ci vorrebbe un transistore, ma non hai specificato niente su di lui.
Forse per il motorino ci vorrebbe un transistore, ma non hai specificato niente su di lui.
0
voti
g.schgor ha scritto:Nello schema ci sono parecchi errori e francamente non so da quale incominciare...
Mi limito ai principali...
g.schgor ha scritto:-l'interruttore sw2 manda in corto l'uscita del secondo 555
(occorrono 2 diodi di disaccoppiamento)
ok corretto a disegno adesso almeno questo dovrebbe andare bene..
g.schgor ha scritto:-il trigger di questo non va a "0" (come dovrebbe per farlo partire),
ma rimane "aperto"
questo non so come risolverlo....
g.schgor ha scritto:-perché alimentare i 555 con 15V? (è la tensione limite!)
uso una batteria di un'avvitatore che addirittura non è 15 volt ma 18 volt percui aggiunto resistenza per portare il tutto circa a 10 volt
g.schgor ha scritto:-non ci sono le normali protezioni (resistenze di minimo in serie
ai potenziometri, diodo antiparallelo alla bobina del relè,
condensatiori fra pin5 e GND, ecc.)
tutto aggiunto a disegno
simo85 ha scritto:Sbaglio o senza relè potresti risolvere così?
per curiosità ho provato a fare il circuito su livewire, ma non funziona ma resta il fatto che con questo non saprei dove "allacciarmi" col cicalino di attivazione che suona a intermittenza quando il led verde è acceso e la futura sirena che dovrò aggiungere alla riaccensione del led rosso che funge da imput per la partenza del 2° NE555
Per il momento comunqe grazie a entrambi per l'aiuto...
0
voti

"Non farei mai parte di un club che accettasse la mia iscrizione" (G. Marx)
-

claudiocedrone
21,3k 4 7 9 - Master EY

- Messaggi: 15303
- Iscritto il: 18 gen 2012, 13:36
0
voti
claudiocedrone ha scritto::-) Non so quanti milioni di volte è stato scritto e spiegato su EY, ma non si usa un resistore per diminuire una tensioneE' un errore concettuale gravissimo pensare una soluzione simile, procurati una batteria da 12 V.
Upss....domani acquisto una 12 volt.....scusate...
0
voti
Ho visto che hai sistemato alcune cose ma rimane
il problema del trigger: il pin2 del 555 richiede
un breve impulso a "0" per far partire la temporizzazione
(e non può restare a "0", ma nemmeno "aperto").
Vedi per questo il giusto suggerimento di
simo85
il problema del trigger: il pin2 del 555 richiede
un breve impulso a "0" per far partire la temporizzazione
(e non può restare a "0", ma nemmeno "aperto").
Vedi per questo il giusto suggerimento di
0
voti
Se non erro il problema del cicalino può essere risolto così:
8 messaggi
• Pagina 1 di 1
Chi c’è in linea
Visitano il forum: Nessuno e 47 ospiti

Elettrotecnica e non solo (admin)
Un gatto tra gli elettroni (IsidoroKZ)
Esperienza e simulazioni (g.schgor)
Moleskine di un idraulico (RenzoDF)
Il Blog di ElectroYou (webmaster)
Idee microcontrollate (TardoFreak)
PICcoli grandi PICMicro (Paolino)
Il blog elettrico di carloc (carloc)
DirtEYblooog (dirtydeeds)
Di tutto... un po' (jordan20)
AK47 (lillo)
Esperienze elettroniche (marco438)
Telecomunicazioni musicali (clavicordo)
Automazione ed Elettronica (gustavo)
Direttive per la sicurezza (ErnestoCappelletti)
EYnfo dall'Alaska (mir)
Apriamo il quadro! (attilio)
H7-25 (asdf)
Passione Elettrica (massimob)
Elettroni a spasso (guidob)
Bloguerra (guerra)







