da
MassimoB » 25 mar 2013, 12:43
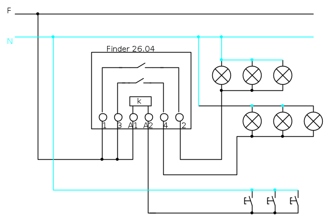
Partiamo col dire che nella foto il relè è un finder 26.02 che ha solo due sequenze, tutto on tutto off.
Con 4 sequenze hai solo il 26.04 ed il 26.08.
Poi da quel che vedo non capisco se dalla derivazione (come potrei in effetti capire non so dal disegno

) in giardino è il luogo in cui andrai a mettere il relè oppure il relè è in un' altra scatola di derivazione.
Comunque sia mancano i "fili" dei pulsanti.
Capisco la tua voglia di fare ma l' unico modo per spiegare come collegare una qualsiasi cosa elettrica è lo schema elettrico, cosa che hai già in ben due copie, la mia e quella ancor più dettagliata di
StefanoSunda.
Se leggi attentamente lo schema un passo alla volta non puoi sbagliare.
Per esempio...
Primo passo.
Dove collego i fili dei faretti? Il neutro (blu) è in comune quindi andrà con gli altri fili blu.La fase la collego al morsetto 4 del relè
Dove collego i fili dei paletti?Il neutro (blu) è in comune quindi andrà con gli altri fili blu.La fase la collego al morsetto 2 del relè
E il pulsante? uno dei due fili che arrivano al/ai pulsante/i lo collego insieme agli altri neutri (blu) mentre l' altro va collegato al morsetto A2 del relè
Infine i morsetti 1 3 A1 li cavallotti e li colleghi alla fase in derivazione (per capirci quella che arriva dal quadro)
Ovviamente se i corpi illuminanti non sono a doppio isolamento vanno collegati a terra (filo giallo verde).
Questa è la spiegazione tecnica ma TI SCONSIGLIO caldamente di eseguire tu il lavoro perché visto la tua scarsa conoscenza in merito potresti fare dei danni o farti male P.s.
Più di così non so che fare per spiegarmi