Ciao a tutti,
ho la necessità di controllare un attuatore lineare che funziona con 24VDC e con un assorbimento massimo di corrente di 15A.
Sfortunatamente, ho il problema di non poter utilizzare delle batterie come fonte principale di energia perché ho a disposizione solo la tensione di rete.
In genere, quando devo controllare questo tipi di attuatori, uso delle batterie e un driver apposito.
Per ovviare al problema, ho cercato di usare un trasformatore da 220VAC che mi forniva un'uscita da 24 V e 10A massimi (che mi andavano anche bene) che poi raddrizzavo con un rettificatore che poteva supportare massimo 35A al posto delle batterie.
Il tutto ha funzionato bene per qualche giorno, ma poi il rettificatore si è bruciato e il trasformatore l'ha seguito poco dopo; forse è perché il driver ha una funzione di recupero dell'energia che si sposa bene con l'uso delle batterie ricaricabili, ma che è dannosa se si usa un trasformatore.
Volevo chiedervi se c'è un modo per gestire l'attuatore in maniera più stabile e sicura magari eliminando anche il driver e usando direttamente un ponte ad H opportunamente dimensionato dato che ho solo la necessità di comandare avanti e dietro lo stelo dell'attuatore senza effettuare controlli di velocità o in feedback.
Qualche idea?
Controllare Attuatore Lineare
Moderatori:
SandroCalligaro,
mario_maggi,
fpalone
0
voti
Volevo chiedervi se c'è un modo per gestire l'attuatore in maniera più stabile e sicura magari eliminando anche il driver e usando direttamente un ponte ad H opportunamente dimensionato dato che ho solo la necessità di comandare avanti e dietro lo stelo dell'attuatore senza effettuare controlli di velocità o in feedback.
Descrivi l’attuatore com’è composto, e spiega come avviene il movimento avanti e indietro; con due bobine, oppure l’inversione avviene invertendo la polarità?
-

StefanoSunda
2.880 3 6 10 - Master

- Messaggi: 1962
- Iscritto il: 16 set 2010, 19:29
0
voti
Avviene tramite due segnali analogici che io fornisco in ingresso a un driver per motori a magneti permanenti con spazzole.
Questo qui: http://www.roboteq.com/brushed-dc-motor ... controller
Questo qui: http://www.roboteq.com/brushed-dc-motor ... controller
-

marcusbarnet
19 2 - New entry

- Messaggi: 94
- Iscritto il: 12 dic 2011, 21:54
0
voti
Io penso che il trasformatore e il raddrizzatore si sia bruciato perché sottodimensionato. Si può sapere l’assorbimento del carico applicato nella tua realizzazione?Per ovviare al problema, ho cercato di usare un trasformatore da 220VAC che mi forniva un'uscita da 24 V e 10A massimi (che mi andavano anche bene) che poi raddrizzavo con un rettificatore che poteva supportare massimo 35A al posto delle batterie.
Il tutto ha funzionato bene per qualche giorno, ma poi il rettificatore si è bruciato e il trasformatore l'ha seguito poco dopo;
-

StefanoSunda
2.880 3 6 10 - Master

- Messaggi: 1962
- Iscritto il: 16 set 2010, 19:29
0
voti
Il carico assorbe al massimo 13A quando alimentato a 24 V.
L'attuatore è, inoltre, in grado di sollevare carichi sino a 1000Kg mentre il carico che deve sollevare è solo di 200Kg circa, quindi, un quinto del suo valore massimo.
Il trasformatore fornisce in uscita 24 V a 10A e il raddrizzatore è da 1000V e massimo 35A.
Probabilmente, non lo avevo raffreddato con un dissipatore.
Sto provando ad aggiungere un condensatore da 22.000uF in parallelo tra il raddrizzatore e il driver per assorbire i picchi di tensione.
L'attuatore è, inoltre, in grado di sollevare carichi sino a 1000Kg mentre il carico che deve sollevare è solo di 200Kg circa, quindi, un quinto del suo valore massimo.
Il trasformatore fornisce in uscita 24 V a 10A e il raddrizzatore è da 1000V e massimo 35A.
Probabilmente, non lo avevo raffreddato con un dissipatore.
Sto provando ad aggiungere un condensatore da 22.000uF in parallelo tra il raddrizzatore e il driver per assorbire i picchi di tensione.
-

marcusbarnet
19 2 - New entry

- Messaggi: 94
- Iscritto il: 12 dic 2011, 21:54
0
voti
Posta il tuo schema così vediamo. Dal tuo link vedo dei attuatori che assorbono da 60 a 150 A mi puoi descrivere l'articolo. Comunque il trasformatore con 10 A nominali è insuficiente.Il carico assorbe al massimo 13A quando alimentato a 24 V.
-

StefanoSunda
2.880 3 6 10 - Master

- Messaggi: 1962
- Iscritto il: 16 set 2010, 19:29
0
voti
Al link vi è solo il driver che eroga un massimo di 40A su singolo canale.
In genere, eroga 20A continui.
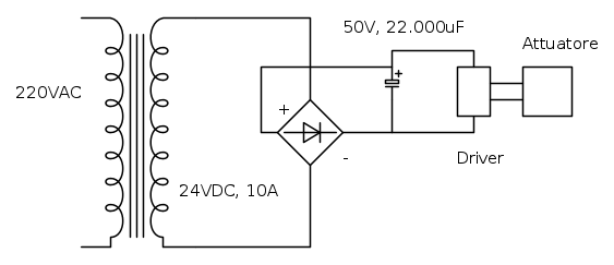
Lo schema è abbastanza semplice: vi è un trasformatore 220VAC che in output ha 24 V per 10A oppure 12V e 25A.
In configurazione con output a 24 V ho collegato un bridge che supporta sino a 1000V e 35A massimi.
In parallelo all'tra +Vcc continua e GND del rettificatore ho collegato un condensatore 50VDC, 22.000uF e, sempre in parallelo, vi è collegato il driver che alimenta direttamente l'attuatore.
Quando si è bruciato, il bridge era da 25A e non da 35A e non lo stavo utilizzando con un dissipatore.
In genere, eroga 20A continui.
Lo schema è abbastanza semplice: vi è un trasformatore 220VAC che in output ha 24 V per 10A oppure 12V e 25A.
In configurazione con output a 24 V ho collegato un bridge che supporta sino a 1000V e 35A massimi.
In parallelo all'tra +Vcc continua e GND del rettificatore ho collegato un condensatore 50VDC, 22.000uF e, sempre in parallelo, vi è collegato il driver che alimenta direttamente l'attuatore.
Quando si è bruciato, il bridge era da 25A e non da 35A e non lo stavo utilizzando con un dissipatore.
-

marcusbarnet
19 2 - New entry

- Messaggi: 94
- Iscritto il: 12 dic 2011, 21:54
0
voti
Allego il circuito.
Quando si è bruciato, il rettificatore era da 25V e non c'era il condensatore in parallelo.
Comunque il trasformatore può erogare anche 12V e 25A.
Quando si è bruciato, il rettificatore era da 25V e non c'era il condensatore in parallelo.
Comunque il trasformatore può erogare anche 12V e 25A.
-

marcusbarnet
19 2 - New entry

- Messaggi: 94
- Iscritto il: 12 dic 2011, 21:54
0
voti
Non hai provveduto proteggere l’uscita 24 V con fusibili, se no, il trasformatore l’avresti salvato. Inutile montare condensatori, quando il problema è il sottodimensionamento del trasformatore. I segni + e - nel ponte vanno invertiti, pure il condensatore elettrolitico. CiaoIl tutto ha funzionato bene per qualche giorno, ma poi il rettificatore si è bruciato e il trasformatore l'ha seguito poco dopo
-

StefanoSunda
2.880 3 6 10 - Master

- Messaggi: 1962
- Iscritto il: 16 set 2010, 19:29
0
voti
Ma l'attuatore non assorbe mai più di 10A e non sono riuscito a trovare dei trasformatori più grossi, purtroppo.
-

marcusbarnet
19 2 - New entry

- Messaggi: 94
- Iscritto il: 12 dic 2011, 21:54
Chi c’è in linea
Visitano il forum: Nessuno e 7 ospiti

Elettrotecnica e non solo (admin)
Un gatto tra gli elettroni (IsidoroKZ)
Esperienza e simulazioni (g.schgor)
Moleskine di un idraulico (RenzoDF)
Il Blog di ElectroYou (webmaster)
Idee microcontrollate (TardoFreak)
PICcoli grandi PICMicro (Paolino)
Il blog elettrico di carloc (carloc)
DirtEYblooog (dirtydeeds)
Di tutto... un po' (jordan20)
AK47 (lillo)
Esperienze elettroniche (marco438)
Telecomunicazioni musicali (clavicordo)
Automazione ed Elettronica (gustavo)
Direttive per la sicurezza (ErnestoCappelletti)
EYnfo dall'Alaska (mir)
Apriamo il quadro! (attilio)
H7-25 (asdf)
Passione Elettrica (massimob)
Elettroni a spasso (guidob)
Bloguerra (guerra)