Avviamento stella/triangolo
Moderatori:
SandroCalligaro,
mario_maggi,
fpalone
11 messaggi
• Pagina 1 di 2 • 1, 2
0
voti
Buongiorno, chiedo cortesemente un chiarimento riguardo la seguente questione:
utilizziamo frequentemente, sulle macchine di nostra produzione, l’avviamento stella/triangolo per i motori elettrici di taglia pari o superiore ai 22kW.
Sugli schemi elettrici multifilari indichiamo i collegamenti tra ogni singolo morsetto sulla morsettiera di potenza posto sul quadro elettrico generale e i terminali degli avvolgimenti del motore. Quest’ultimi sono normalmente indicati con le sigle U-V-W1 e U-V-W2. I cablatori rispettano questi collegamenti.
È capitato, qualche volta, che all’atto dell’avviamento a “stella” il motore si avvia regolarmente mentre all’atto della commutazione a “triangolo” il motore si pianti o tenti di partire in senso inverso. Si ovvia al tutto modificando la sequenza di connessione sui morsetti U-V-W2 ma, così facendo, lo schema non è più rispettato. Si evince che i terminali degli avvolgimenti dei motori elettrici non sono sempre siglati in modo uguale (trattasi sempre di motori della stessa casa costruttrice).
La domanda è: la siglatura dei terminali degli avvolgimenti di un motore elettrico deve essere univoca (cioè sempre identica tra i vari motori)? Da quanto riscontrato non sembra essere così.
Il problema può sorgere all’atto dell’eventuale sostituzione del motore (per rottura o revisione): se l’addetto collega il motore nuovo riposizionando i conduttori sui morsetti riportante la stesa sigla rispetto a quello vecchio, il problema potrebbe ripresentarsi.
Si può parlare di un errore sulla siglatura dei terminali degli avvolgimenti?
Ringrazio in anticipo per le risposte.
Lucky.
utilizziamo frequentemente, sulle macchine di nostra produzione, l’avviamento stella/triangolo per i motori elettrici di taglia pari o superiore ai 22kW.
Sugli schemi elettrici multifilari indichiamo i collegamenti tra ogni singolo morsetto sulla morsettiera di potenza posto sul quadro elettrico generale e i terminali degli avvolgimenti del motore. Quest’ultimi sono normalmente indicati con le sigle U-V-W1 e U-V-W2. I cablatori rispettano questi collegamenti.
È capitato, qualche volta, che all’atto dell’avviamento a “stella” il motore si avvia regolarmente mentre all’atto della commutazione a “triangolo” il motore si pianti o tenti di partire in senso inverso. Si ovvia al tutto modificando la sequenza di connessione sui morsetti U-V-W2 ma, così facendo, lo schema non è più rispettato. Si evince che i terminali degli avvolgimenti dei motori elettrici non sono sempre siglati in modo uguale (trattasi sempre di motori della stessa casa costruttrice).
La domanda è: la siglatura dei terminali degli avvolgimenti di un motore elettrico deve essere univoca (cioè sempre identica tra i vari motori)? Da quanto riscontrato non sembra essere così.
Il problema può sorgere all’atto dell’eventuale sostituzione del motore (per rottura o revisione): se l’addetto collega il motore nuovo riposizionando i conduttori sui morsetti riportante la stesa sigla rispetto a quello vecchio, il problema potrebbe ripresentarsi.
Si può parlare di un errore sulla siglatura dei terminali degli avvolgimenti?
Ringrazio in anticipo per le risposte.
Lucky.
0
voti
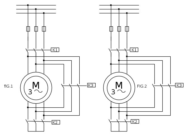
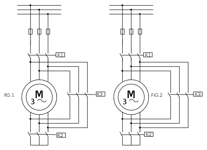
Evidentemente hai adottato uno schema sbagliato. A prescindere dalle sigle dei terminali motori; uno che sa come funziona il sistema capisce come collegare il motore. In rete circolano degli schemi sbagliati: uno dei disegni: a essere sbagliato è il disegno fig.1 o la fig.2? Tu hai adottato lo schema sbagliato: a stella va bene mentre a triangolo avviene un corto-circuito.Sugli schemi elettrici multifilari indichiamo i collegamenti tra ogni singolo morsetto sulla morsettiera di potenza posto sul quadro elettrico generale e i terminali degli avvolgimenti del motore. Quest’ultimi sono normalmente indicati con le sigle U-V-W1 e U-V-W2. I cablatori rispettano questi collegamenti.
È capitato, qualche volta, che all’atto dell’avviamento a “stella” il motore si avvia regolarmente mentre all’atto della commutazione a “triangolo” il motore si pianti o tenti di partire in senso inverso. Si ovvia al tutto modificando la sequenza di connessione sui morsetti U-V-W2 ma, così facendo, lo schema non è più rispettato. Si evince che i terminali degli avvolgimenti dei motori elettrici non sono sempre siglati in modo uguale (trattasi sempre di motori della stessa casa costruttrice).
-

StefanoSunda
2.880 3 6 10 - Master

- Messaggi: 1962
- Iscritto il: 16 set 2010, 19:29
0
voti
Grazie Stefano.
Non ho inserito lo schema che utilizziamo, in ogni caso, forse, non mi sono spiegato bene.
Lo schema che i cablatori utilizzano è sempre lo stesso, per cui mi aspetto che collegando i motori TUTTI allo stesso modo essi si comportino SEMPRE allo stesso modo. Se lo schema fosse sbagliato ritengo che il problema lo doivrei riscontrare sempre mentre lo riscontro assai raramente (diciamo più o meno nell' 1% dei casi).
I cablaggi sono stati verificati, conduttore per conduttore, sia su macchine "funzionanti regolarmente" sia su quelle dove abbiamo riscontrato il problema: risultano collegati in modo identico.
A presto.
Ciao.
Luack
Non ho inserito lo schema che utilizziamo, in ogni caso, forse, non mi sono spiegato bene.
Lo schema che i cablatori utilizzano è sempre lo stesso, per cui mi aspetto che collegando i motori TUTTI allo stesso modo essi si comportino SEMPRE allo stesso modo. Se lo schema fosse sbagliato ritengo che il problema lo doivrei riscontrare sempre mentre lo riscontro assai raramente (diciamo più o meno nell' 1% dei casi).
I cablaggi sono stati verificati, conduttore per conduttore, sia su macchine "funzionanti regolarmente" sia su quelle dove abbiamo riscontrato il problema: risultano collegati in modo identico.
A presto.
Ciao.
Luack
1
voti
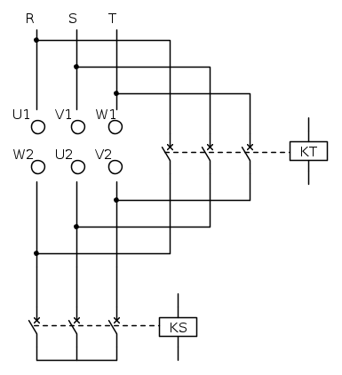
Nessuno degli schemi disegnati da
StefanoSunda può definirsi corretto o errato, mancano infatti i riferimenti relativi ai terminali degli avvolgimenti.
In quelli che vengono chiamati "schemi sbagliati" in realtà è solo diversa la sequenza di corrisponedenza tra i vari capi di avvolgimento.
Che poi nella realtà, U1 non stia difronte ad U2, così come anche V1 e W1 rispetto a V2 e W2 è un'altra storia. Leggendo gli schemi, bisogna fare riferimento anche a quello che vi è indicato a lettere/sigle, indipendentemente dal fatto che lo schema sia fatto bene o no, che sia coerente con la normalità oppure no.
Cambiando la siglatura degli avvolgimenti, cambia anche il collegamento delle due terne ovviamente:
Per quando riguarda la domanda di
Lucky, se non ricordo male ci deve essere una norma relativa alla disposizione degli avvoglimenti rispetto ai terminali di morsettiera. Ricordo, ma potrei sbagliarmi, che applicando la sequenza ciclica corretta in coerenza con la nomenclatura dei morsetti U-V-W, dovrebbe anche essere garantito il senso di rotazione del motore. Purtroppo, ammesso che non lo abbia sognato, non ricordo il riferimento.
Saluti
In quelli che vengono chiamati "schemi sbagliati" in realtà è solo diversa la sequenza di corrisponedenza tra i vari capi di avvolgimento.
Che poi nella realtà, U1 non stia difronte ad U2, così come anche V1 e W1 rispetto a V2 e W2 è un'altra storia. Leggendo gli schemi, bisogna fare riferimento anche a quello che vi è indicato a lettere/sigle, indipendentemente dal fatto che lo schema sia fatto bene o no, che sia coerente con la normalità oppure no.
Cambiando la siglatura degli avvolgimenti, cambia anche il collegamento delle due terne ovviamente:
Per quando riguarda la domanda di
Saluti
Ognuno sta solo sul cuor della terra
trafitto da un raggio di sole:
ed è subito sera
Salvatore Quasimodo
trafitto da un raggio di sole:
ed è subito sera
Salvatore Quasimodo
0
voti
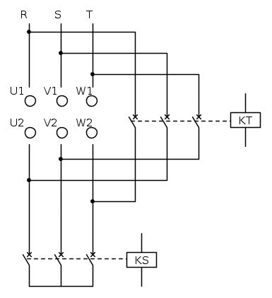
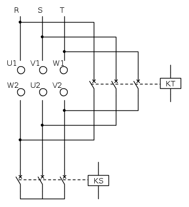
Per capire se lo schema è corretto, mi regolo in questo senso: i contatti del contattore di triangolo devono rispecchiare le barrette (in dotazione al motore) in senso verticale.Dalla fabbrica i motori sono forniti per due tensioni, per funzionare a stella o triangolo, come standard come schema che inserisco. Nell’altra versione dello schema, mettendo le barrette a triangolo, non fai altro che mettere in corto gli avvolgimenti, che non mi sembra corretto.In quelli che vengono chiamati "schemi sbagliati" in realtà è solo diversa la sequenza di corrisponedenza tra i vari capi di avvolgimento.
-

StefanoSunda
2.880 3 6 10 - Master

- Messaggi: 1962
- Iscritto il: 16 set 2010, 19:29
0
voti

"Non farei mai parte di un club che accettasse la mia iscrizione" (G. Marx)
-

claudiocedrone
21,3k 4 7 9 - Master EY

- Messaggi: 15302
- Iscritto il: 18 gen 2012, 13:36
0
voti
Ringrazio tutti per le risposte.
Allego estratto dello schema utilizzato.
Ciao.
Lucky
Allego estratto dello schema utilizzato.
Ciao.
Lucky
- Allegati
-
- POMPA1.png (37.06 KiB) Osservato 14315 volte
0
voti
Ecco
StefanoSunda, lo schema appena proposto da
Lucky, sembrerebbe sbagliato, invece "solamente" non segue la tua (corretta per altro e che condivido) proiezione del collegamento classico a triangolo. Come puoi vedere infatti, in corrispondenza del simbolo del motore, i capi U1-V1-W1 sono difronte ai corrispettivi U2-V2-W2, cosa che poi normalmente in morsettiera reale non accade. Tuttavia anche in questo caso, ogni avvolgimento è correttamente alimentato se ci fai caso.
Saluti
Saluti
Ognuno sta solo sul cuor della terra
trafitto da un raggio di sole:
ed è subito sera
Salvatore Quasimodo
trafitto da un raggio di sole:
ed è subito sera
Salvatore Quasimodo
0
voti
Tuttavia anche in questo caso, ogni avvolgimento è correttamente alimentato se ci fai caso.
Si, ma può succedere questo:
Il problema può sorgere all’atto dell’eventuale sostituzione del motore (per rottura o revisione): se l’addetto collega il motore nuovo riposizionando i conduttori sui morsetti riportante la stesa sigla rispetto a quello vecchio, il problema potrebbe ripresentarsi.
-

StefanoSunda
2.880 3 6 10 - Master

- Messaggi: 1962
- Iscritto il: 16 set 2010, 19:29
0
voti
Si evince che i terminali degli avvolgimenti dei motori elettrici non sono sempre siglati in modo uguale (trattasi sempre di motori della stessa casa costruttrice).
I terminali possono essere uguali, però diversamente collegati interno morsettiera motore.
-

StefanoSunda
2.880 3 6 10 - Master

- Messaggi: 1962
- Iscritto il: 16 set 2010, 19:29
11 messaggi
• Pagina 1 di 2 • 1, 2
Chi c’è in linea
Visitano il forum: Nessuno e 13 ospiti

Elettrotecnica e non solo (admin)
Un gatto tra gli elettroni (IsidoroKZ)
Esperienza e simulazioni (g.schgor)
Moleskine di un idraulico (RenzoDF)
Il Blog di ElectroYou (webmaster)
Idee microcontrollate (TardoFreak)
PICcoli grandi PICMicro (Paolino)
Il blog elettrico di carloc (carloc)
DirtEYblooog (dirtydeeds)
Di tutto... un po' (jordan20)
AK47 (lillo)
Esperienze elettroniche (marco438)
Telecomunicazioni musicali (clavicordo)
Automazione ed Elettronica (gustavo)
Direttive per la sicurezza (ErnestoCappelletti)
EYnfo dall'Alaska (mir)
Apriamo il quadro! (attilio)
H7-25 (asdf)
Passione Elettrica (massimob)
Elettroni a spasso (guidob)
Bloguerra (guerra)





