Ciao a tutti! Dunque ho un problema:
voglio realizzare un circuito che al passaggio di corrente in un cavo mi commuti l'uscita di un relè o mi ecciti un transistor. Il circuito che ho pensato è composto da una sensore di corrente ad effetto hall - l'uscita va ad un ampli da strumentazione - l'uscita dell'ampli va alla base di un npn a soglia logica.
In teoria dovrebbe "funzionare".
Il problema che vi sottopongo è come temporizzare il MOS: cioè se nel cavo passa una corrente piccola ed impulsiva (es. corrente assorbita da lampade al neon) avrei una continua commutazione del MOS. E' sufficiente mettere una R (molto grande) ed un C tra base e massa???
Grazie e ciao
Temporizzatore
Moderatori:
carloc,
g.schgor,
BrunoValente,
IsidoroKZ
4 messaggi
• Pagina 1 di 1
0
voti
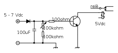
Lo schema non è bellissimo ma è uno dei primi che faccio con fidocadj! In linea di massima questo è lo schema che ho in mente..
E' sufficiente per ottenere una commutazione 'temporizzata' del relè??
E' sufficiente per ottenere una commutazione 'temporizzata' del relè??
4 messaggi
• Pagina 1 di 1
Chi c’è in linea
Visitano il forum: Nessuno e 201 ospiti

Elettrotecnica e non solo (admin)
Un gatto tra gli elettroni (IsidoroKZ)
Esperienza e simulazioni (g.schgor)
Moleskine di un idraulico (RenzoDF)
Il Blog di ElectroYou (webmaster)
Idee microcontrollate (TardoFreak)
PICcoli grandi PICMicro (Paolino)
Il blog elettrico di carloc (carloc)
DirtEYblooog (dirtydeeds)
Di tutto... un po' (jordan20)
AK47 (lillo)
Esperienze elettroniche (marco438)
Telecomunicazioni musicali (clavicordo)
Automazione ed Elettronica (gustavo)
Direttive per la sicurezza (ErnestoCappelletti)
EYnfo dall'Alaska (mir)
Apriamo il quadro! (attilio)
H7-25 (asdf)
Passione Elettrica (massimob)
Elettroni a spasso (guidob)
Bloguerra (guerra)

