Cos'è ElectroYou | Login Iscriviti

ElectroYou - la comunità dei professionisti del mondo elettrico

Teorema di Tellegen

Circuiti, campi elettromagnetici e teoria delle linee di trasmissione e distribuzione dell’energia elettrica

Moderatori: Foto Utenteg.schgor, Foto UtenteIsidoroKZ

0
voti

[1] Teorema di Tellegen

Messaggioda Foto Utentevolcom88 » 29 mar 2013, 17:22

Ciao ragazzi ennesimo esercizio:

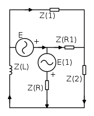
Immagine.jpg
Immagine.jpg (62.25 KiB) Osservato 18137 volte


Passo tutto in complessi:

E=31,82-31,82j\mbox{ V}
J=2,83+2,83j\mbox{ A}
Z_R=20\mbox{ \Omega}
Z_L=12j\mbox{ \Omega}
Z_C=-66,67j\mbox{ \Omega}

Ridisegno e scelgo di utilizzare il metodo delle maglie:



Impongo:
Z_1=Z_R+Z_C=20-66,67j\mbox{ \Omega}
Z_2=Z_L+Z_C=-54,67j\mbox{ \Omega}
E_1=JZ_R=56,6+56,6j\mbox{ V}

Scrivo il sistema di tre equazioni in tre incognite:
I_A(Z_R+Z_L)-I_BZ_R=E+E_1
-I_A(Z_R)+I_B(2Z_R+Z_2)-I_CZ_R=-E_1
-I_BZ_R+I_C(Z_R+Z_1)=-E

Risolvo e arrivo alla soluzione:
I_A=4,613-1,992j\mbox{ A}
I_B=1,387-0,463j\mbox{ A}
I_C=-0,276+0,104j\mbox{ A}

Da qui determino facilmente tutte le tensioni e le correnti dei vari rami e risolvo il circuito. Mi soffermo sulla corrente di E per risolvere il quesito dell'esercizio:
I_E=I_A-I_C=4,889-2,096j=5,32\angle-23,2^\circ

E quindi scrivo il valore di i di E nel tempo: I_E(t)=\sqrt{2}*5,32\cos (150t-23,2^\circ)\mbox{ A}

Sempre che sia corretto fin qui, arrivo al mio dubbio: che vuol dire verificare il teorema di Tellegen?
Leggendo qua e la (sul mio libro è nc) ho notato che il teorema implica il parallelo tra due circuiti ma non credo riguardi il mio caso... Secondo voi che devo fare?
Avatar utente
Foto Utentevolcom88
20 1 5
New entry
New entry
 
Messaggi: 82
Iscritto il: 20 set 2012, 9:39

5
voti

[2] Re: Teorema di Tellegen

Messaggioda Foto Utentetipu91 » 29 mar 2013, 20:14

il Teorema di Tellegen dice: "Data una rete lineare composta da N nodi e R rami, per ogni t la somma algebrica delle potenze elettriche relative ad ogni ramo è 0" in poche parole

\sum_{j,k=1}^{N}v_{jk}(t)i_{jk}(t)=0

mi spiego meglio dimostrandotelo:

prendiamo un ramo generico j-k:



sappiamo che per i due principi di Kirchhoff si ha:

\left\{\begin{matrix}
\sum_{k=1}^{N}i_{k}(t)=0   (KLC)\\ \sum_{k=1}^{R}v_{k}(t)=0   (KLV)

\end{matrix}\right.

partiamo dalla formula

\sum_{j,k=1}^{N}v_{jk}(t)i_{jk}(t)

ricordandoci che v_{jk} si può scomporre come v_{jk}=v_{j0}+v_{0k}



si ha:

\sum_{j,k=1}^{N}v_{jk}(t)i_{jk}(t)=\sum_{j,k=1}^{N}(v_{j0}(t)+v_{0k}(t))i_{jk}(t)

manipolando l'equazione si ottiene:

=\sum_{j,k=1}^{N}v_{j0}(t)i_{jk}(t)+v_{0k}(t)i_{jk}(t)=

=(\sum_{j,k=1}^{N}v_{j0}(t)\sum_{j,k=1}^{N}(t)i_{jk}(t))+(\sum_{j,k=1}^{N}v_{0k}(t)\sum_{j,k=1}^{N}(t)i_{jk}(t))=

per il KLC si nota che i termini \sum_{j,k=1}^{N}(t)i_{jk}(t)=0 sono nulli, e portano ad annullare il prodotto, quindi si ottiene la tesi del teorema:

\sum_{j,k=1}^{N}v_{jk}(t)i_{jk}(t)=0

QUINDI, secondo me devi dimostrare che la somma delle potenze degli elementi ATTIVI è uguale alla somma delle potenze impegnate sugli elementi PASSIVI (ovvero BOUCHEROT).

Ti calcoli le potenze (io calcolerei quelle complesse per comodità, ma puoi fare come vuoi) dei generatori:

\bar{S}_{e(t)}=\dot{E}\cdot \dot{I}_e^*

\bar{S}_{j(t)}=\dot{V}_{j}\cdot \dot{J}^*

\bar{S}_{Generatori}=\bar{S}_{e(t)}+\bar{S}_{j(t)}

quest'ultimo risultato (\bar{S}_{Generatori}) dovrà essere la stessa potenza impegnata sugli elementi passivi della rete!!
Avatar utente
Foto Utentetipu91
1.015 6 13
Expert EY
Expert EY
 
Messaggi: 229
Iscritto il: 12 nov 2012, 18:46
Località: Pisa

0
voti

[3] Re: Teorema di Tellegen

Messaggioda Foto Utentevolcom88 » 30 mar 2013, 12:19

Allora incomincio trovando tutte le correnti dei vari rami:


I_Z_(_R_)=I_E_1=3,226-1,529j
I_E=4,889-2,096j
I_Z_(_L_)=4,613j-1,992
I_Z_(_2_)=1,387-0,463j
I_Z_(_R_1_)=1,663-0,567j
I_Z_(_1_)=-0,276+0,104j

E le tensioni:
VZ_R=64,52-30,58j
VZ_L=23,904+55,356j
VZ_2=-25,312-75,827j
VZ_R_1=33,26-11,34j
VZ_1=-3,44+11,467j

Ora per trovarmi le varie potenze complesse utilizzo direttamente la formula: S=EI^* (sbaglio?)

E arrivo a trovare che la somma delle varie induttanze è S_Z=271,9+159,9j, mentre la somma dei due generatori di tensione è S_E=318,4+180,2j, che è ben lontana da far zero...
Avatar utente
Foto Utentevolcom88
20 1 5
New entry
New entry
 
Messaggi: 82
Iscritto il: 20 set 2012, 9:39

0
voti

[4] Re: Teorema di Tellegen

Messaggioda Foto Utentetipu91 » 30 mar 2013, 13:05

Ora sono fuori casa con il cellulare, quindi non posso verificare.. Ma la vedo dura che la somma delle potenze sia diversa da zero.. :mrgreen: ricontrolla i calcoli!!
Avatar utente
Foto Utentetipu91
1.015 6 13
Expert EY
Expert EY
 
Messaggi: 229
Iscritto il: 12 nov 2012, 18:46
Località: Pisa

0
voti

[5] Re: Teorema di Tellegen

Messaggioda Foto Utentevolcom88 » 30 mar 2013, 13:18

Guarda ti dico che prendendo un banalissimo esercizio in cc monofase (controllando anche i risultati con un programma al PC) andando a sommare le varie potenze delle resistenze (RI^2) con i vari generatori (VI) non mi viene mai zero, quindi probabilmente sbaglio o qualche convenzione dei segni o qualcos'altro (non credo di sbagliare i calcoli)....

Quindi avevo preso questo esercizio come esempio per capire dove sbaglio...
Avatar utente
Foto Utentevolcom88
20 1 5
New entry
New entry
 
Messaggi: 82
Iscritto il: 20 set 2012, 9:39

4
voti

[6] Re: Teorema di Tellegen

Messaggioda Foto UtenteRenzoDF » 30 mar 2013, 14:51

volcom88 ha scritto:... per capire dove sbaglio...

Direi che sbagli nello scrivere le KVL per Maxwell. ;-)

tipu91 ha scritto:il Teorema di Tellegen dice: "Data una rete lineare composta da N nodi e R rami, per ogni t la somma algebrica delle potenze elettriche relative ad ogni ramo è 0"

Se Tellegen affermasse solo quello, non servirebbe una dimostrazione ma basterebbe una semplice riferimento alla conservazione della potenza istantanea e quindi dell'energia in un sistema isolato; non si potrebbe poi passare dallo stesso alla conservazione delle potenze complesse, vista la "convenzionale" definizione della potenza attiva e reattiva.

Tellegen afferma qualcosa di molto più profondo ovvero, facendo riferimento alla sola topologia della rete, indipendentemente dai bipoli costituenti la stessa, afferma la conservazione delle "potenze virtuali" ovvero delle potenze che vengono ottenute dalla associazione di due insiemi di {vk} e di {ik} di ramo indipendenti, che devono semplicemente soddisfare ai vincoli topologici del grafo ottenibili dai due principi di Kirchhoff (ed è per questa ragione che la dimostrazione è necessaria).

Tornando ad una sua applicazione importante, ovvero alla particolarizzazione di Boucherot, occhio poi ad usare le stesse convenzioni per tutti i bipoli nel calcolo della sommatoria, oppure dividerla in due parti uguagliando la somma delle potenze complesse assorbite dagli utilizzatori alla somma delle potenze complesse erogate dai generatori .
"Il circuito ha sempre ragione" (Luigi Malesani)
Avatar utente
Foto UtenteRenzoDF
55,9k 8 12 13
G.Master EY
G.Master EY
 
Messaggi: 13189
Iscritto il: 4 ott 2008, 9:55

0
voti

[7] Re: Teorema di Tellegen

Messaggioda Foto Utentevolcom88 » 30 mar 2013, 15:52

RenzoDF ha scritto:
volcom88 ha scritto:... per capire dove sbaglio...

Direi che sbagli nello scrivere le KVL per Maxwell. ;-)

Scusami Renzo ma non capisco... Dove ho usato le LKT? Ti riferisci alla risoluzione iniziale dell'esercizio? #-o
Avatar utente
Foto Utentevolcom88
20 1 5
New entry
New entry
 
Messaggi: 82
Iscritto il: 20 set 2012, 9:39

0
voti

[8] Re: Teorema di Tellegen

Messaggioda Foto UtenteRenzoDF » 30 mar 2013, 15:56

Mi riferisco a queste

volcom88 ha scritto:Scrivo il sistema di tre equazioni in tre incognite:
I_A(Z_R+Z_L)-I_BZ_R=E+E_1
-I_A(Z_R)+I_B(2Z_R+Z_2)-I_CZ_R=-E_1
-I_BZ_R+I_C(Z_R+Z_1)=-E
"Il circuito ha sempre ragione" (Luigi Malesani)
Avatar utente
Foto UtenteRenzoDF
55,9k 8 12 13
G.Master EY
G.Master EY
 
Messaggi: 13189
Iscritto il: 4 ott 2008, 9:55

0
voti

[9] Re: Teorema di Tellegen

Messaggioda Foto Utentevolcom88 » 30 mar 2013, 16:01

Li ho utilizzato il teorema delle maglie... Ho ricontrollato ma non mi sembra ci siano errori...
Avatar utente
Foto Utentevolcom88
20 1 5
New entry
New entry
 
Messaggi: 82
Iscritto il: 20 set 2012, 9:39

1
voti

[10] Re: Teorema di Tellegen

Messaggioda Foto UtenteRenzoDF » 30 mar 2013, 16:19

volcom88 ha scritto:Li ho utilizzato il teorema delle maglie...

Il metodo alle maglie non è un teorema, è solo un'applicazione particolare dei principi di Kirchhoff, dove le correnti di lato vengono a essere "viste" come combinazione lineare di un altro insieme equipollente di correnti, "le correnti di maglia", e quindi il sistema viene a semplificarsi per la sola applicazione del principio di Kirchhoff alle maglie, ovvero alle KVL (o LKT che chiamar si vogliano).
"Il circuito ha sempre ragione" (Luigi Malesani)
Avatar utente
Foto UtenteRenzoDF
55,9k 8 12 13
G.Master EY
G.Master EY
 
Messaggi: 13189
Iscritto il: 4 ott 2008, 9:55

Prossimo

Torna a Elettrotecnica generale

Chi c’è in linea

Visitano il forum: Nessuno e 83 ospiti