Salve,
vorrei chiedere un consiglio a quanti sono più esperti di me.
Devo interfacciare un PIC (PIC24F04KA200) ad un display alfanumerico.
La prima domanda è: il display in questione funziona a 3,3V? dal datasheet sembrerebbe di si, ma la scritta tra parentesi "(also available for 3v)" non mi convince tanto.
Pormi questa domanda mi ha spinto a chiedermi come interfacciare le uscite del PIC (3,3V) ad ingressi logici dei vari componenti che funzionano esclusivamente a 5V. Ho pensato a diversi metodi e vorrei chiedervi quale pensate sia il più valido, o quale usate.
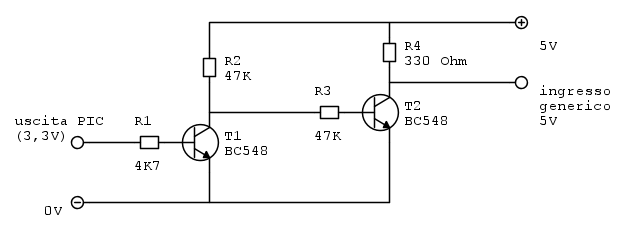
1) Rispolverando un po' dell'elettronica imparata a scuola ricavo questo circuito:
L'ingresso può assorbire poco più di 10mA, che dovrebbero essere più che sufficienti. in alternativa si potrebbero eliminare T2,R3 ed R4 ottenendo però logica invertita, rimangono comunque un sacco di componenti se devo interfacciare i sette canali del display.
2) Usare dei fotoaccoppiatori.
3) Usare un buffer come questo:
http://docs-europe.electrocomponents.co ... cb37e1.pdf
che però alimentato a 5V riconosca in ingresso i 3,3V (non ne ho trovato uno).
4) Opzione sicuramente più comoda: forzare un pochino il PIC alimentandolo a 4,7V.
Documentazione:
PIC http://docs-europe.electrocomponents.co ... db6676.pdf
DISPLAY http://docs-europe.electrocomponents.co ... ef9d65.pdf
Interfacciamento 3,3V to 5V
Moderatore:
Paolino
3 messaggi
• Pagina 1 di 1
2
voti
Dove hai trovato che gli ingressi possono consumare fino a 10mA? Oppure non ho capito a quali ingressi ti riferisci.
CI sono due varianti del controllore, una a 5V e una a 3V.
Comunque buone notizie. E` abbastanza probabile che se colleghi le uscite del micro alimentato a 3.3V direttamente al controllore alimentato a 5V il tutto funzioni correttamente, perche' il micro a livello alto da` praticamente 3.3V, mentre la soglia di ingresso del controllore dovrebbe essere dalle parti di 2.5V (se e` un CMOS onesto).
In caso non andasse puoi usare un buffer (o un inverter) della famiglia HCT, ad esempio 74HCT244, alimentandolo a 5V. La famiglia HCT ha le soglie di ingresso piu` basse rispetto alle HC, dalle parti di 1.5V e quindi e` perfettamente pilotata dal micro e pilota correttamente il display.
CI sono due varianti del controllore, una a 5V e una a 3V.
Comunque buone notizie. E` abbastanza probabile che se colleghi le uscite del micro alimentato a 3.3V direttamente al controllore alimentato a 5V il tutto funzioni correttamente, perche' il micro a livello alto da` praticamente 3.3V, mentre la soglia di ingresso del controllore dovrebbe essere dalle parti di 2.5V (se e` un CMOS onesto).
In caso non andasse puoi usare un buffer (o un inverter) della famiglia HCT, ad esempio 74HCT244, alimentandolo a 5V. La famiglia HCT ha le soglie di ingresso piu` basse rispetto alle HC, dalle parti di 1.5V e quindi e` perfettamente pilotata dal micro e pilota correttamente il display.
Per usare proficuamente un simulatore, bisogna sapere molta più elettronica di lui
Plug it in - it works better!
Il 555 sta all'elettronica come Arduino all'informatica! (entrambi loro malgrado)
Se volete risposte rispondete a tutte le mie domande
Plug it in - it works better!
Il 555 sta all'elettronica come Arduino all'informatica! (entrambi loro malgrado)
Se volete risposte rispondete a tutte le mie domande
0
voti
Grazie IsidoroKZ,
per i 10mA in effetti ho scritto una cavolata, mi riferivo alla corrente erogata verso l' "ingresso generico 5V"con l'attuale valore di R4.
Grazie anche per la dritta sulla famiglia HCT, il componente che hai indicato è proprio l'ideale (sempre che non funzioni già collegando direttamente il PIC).
Marco
per i 10mA in effetti ho scritto una cavolata, mi riferivo alla corrente erogata verso l' "ingresso generico 5V"con l'attuale valore di R4.
Grazie anche per la dritta sulla famiglia HCT, il componente che hai indicato è proprio l'ideale (sempre che non funzioni già collegando direttamente il PIC).
Marco
3 messaggi
• Pagina 1 di 1
Torna a Realizzazioni, interfacciamento e nozioni generali.
Chi c’è in linea
Visitano il forum: Nessuno e 8 ospiti

Elettrotecnica e non solo (admin)
Un gatto tra gli elettroni (IsidoroKZ)
Esperienza e simulazioni (g.schgor)
Moleskine di un idraulico (RenzoDF)
Il Blog di ElectroYou (webmaster)
Idee microcontrollate (TardoFreak)
PICcoli grandi PICMicro (Paolino)
Il blog elettrico di carloc (carloc)
DirtEYblooog (dirtydeeds)
Di tutto... un po' (jordan20)
AK47 (lillo)
Esperienze elettroniche (marco438)
Telecomunicazioni musicali (clavicordo)
Automazione ed Elettronica (gustavo)
Direttive per la sicurezza (ErnestoCappelletti)
EYnfo dall'Alaska (mir)
Apriamo il quadro! (attilio)
H7-25 (asdf)
Passione Elettrica (massimob)
Elettroni a spasso (guidob)
Bloguerra (guerra)


