avevo fatto una cavolata!!!
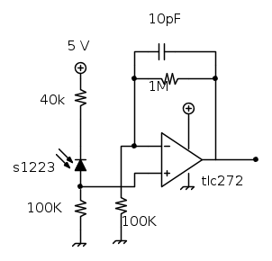
Per chi è interessato, funziona bene lo schema con lm358 con il fotodiodo tra ingresso positivo e negativo suggeritomi da darwiNE
Moderatori:
carloc,
g.schgor,
BrunoValente,
IsidoroKZ

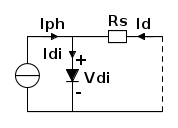
DirtyDeeds ha scritto:Aggiungo che la polarizzazione inversa del fotodiodo può anche essere utilizzata per aumentare la linearità del fotodiodo ad alte intensità, quando l'effetto della resistenza serie del dispostivo inizia a essere significativa.


è dell'ordine della decina-centinaio di ohm, variabile anche a seconda della focalizzazione del fascio (un fascio molto focalizzato dà origine a una resistenza serie più alta). Quando la fotocorrente è elevata, il diodo interno viene polarizzato direttamente e assorbe parte della fotocorrente. Quindi
. Se il diodo viene invece polarizzato inversamente, la tensione che si genera su
non è sufficiente a portare il diodo in zona diretta.

con la sua deriva.
instead of
(Anonimo).
ain't
, right?
in lieu of
.
for
arithm.

DirtyDeeds ha scritto:Quando la fotocorrente è elevata, il diodo interno viene polarizzato direttamente e assorbe parte della fotocorrente. Quindi. Se il diodo viene invece polarizzato inversamente, la tensione che si genera su
non è sufficiente a portare il diodo in zona diretta.





johnnyfirpo ha scritto:eccolo, ieri ho cercato di capire come non hostare ma non ci sono riuscito... perdonami.
plotino ha scritto:ho provato questo circuito perché ho realizzato un sensore di parcheggio da parete
basato su TX-RX a IR, che però non funziona e sto imapzzendo cercando di capire perché
La parte RX è molto simile al circuito sopra quindi ..


Visitano il forum: Nessuno e 186 ospiti