Ciao a tutti ragazzi.. eccomi di nuovo qua con un'altra difficoltà
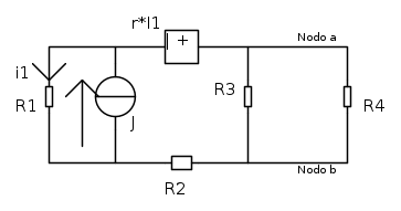
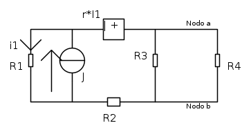
Questo e' il circuito.. Devo determinare i4 attraverso il generatore equivalente di thevenin ma non so proprio cosa fare con questo generatore controllato.. mi potete dare una mano??
i dati sono :
R1=R2=2 ohm
R3=R4=1 ohm
r=2 ohm
J=1 A
Scusate inoltre per i simboli freccia x i versi delle correnti e per quanto riguarda il simbolo del generatore controllato che non sono riuscita a trovarlo! Spero che qualcuno possa spiegarmi per bene come si fa ! GRAZIE in anticipo a tutti
Generatore Thevenin con generatore controllato
Moderatori:
g.schgor,
IsidoroKZ
22 messaggi
• Pagina 1 di 3 • 1, 2, 3
0
voti
Avevo pensato di utilizzare il generatore controllato come un resistore e quindi determinare la resistenza equivalente considerando anke r. ma non mi trovo col risultato
-

electro2013
10 1 - New entry

- Messaggi: 67
- Iscritto il: 23 mar 2013, 13:23
2
voti
Potresti procedere in questo modo:
Tensione equivalente di Thévenin.

essendo...

Resistenza equivalente

A questo punto, dovrebbe essere semplice ricavare la corrente i4
Tensione equivalente di Thévenin.

essendo...

Resistenza equivalente

A questo punto, dovrebbe essere semplice ricavare la corrente i4
Emanuele Lorina
- Chi lotta contro i mostri deve fare attenzione a non diventare lui stesso un mostro. E se tu riguarderai a lungo in un abisso, anche l'abisso vorrà guardare dentro di te (F. Nietzsche)
- Tavole della legge by admin
- Chi lotta contro i mostri deve fare attenzione a non diventare lui stesso un mostro. E se tu riguarderai a lungo in un abisso, anche l'abisso vorrà guardare dentro di te (F. Nietzsche)
- Tavole della legge by admin
-

Lele_u_biddrazzu
8.154 3 8 13 - Master EY

- Messaggi: 1288
- Iscritto il: 23 gen 2007, 16:13
- Località: Modena
0
voti
Ciao con la resistenza equivalente di thevenin mi trovo con la formula e il risultato e' Rth =0.857 ohm
la tensione V3=E0 =(r+R1)i1
mi trovo ma, potresti spiegarmi meglio come calcoli i1? io a ragionamento sono giunta ad un r in piu grazie al partitore di corrente al numeratore o sbaglio? Sono alle prime armi e mi sento davvero confusa con quest elettrotecnica :S
con il risultato comunque non mi trovo .. uff
la tensione V3=E0 =(r+R1)i1
mi trovo ma, potresti spiegarmi meglio come calcoli i1? io a ragionamento sono giunta ad un r in piu grazie al partitore di corrente al numeratore o sbaglio? Sono alle prime armi e mi sento davvero confusa con quest elettrotecnica :S
con il risultato comunque non mi trovo .. uff
-

electro2013
10 1 - New entry

- Messaggi: 67
- Iscritto il: 23 mar 2013, 13:23
1
voti
Per calcolare i1 potresti imporre il parallelo dei rami contenenti rispettivamente il resistere R1e il generatore di tensione pilotato
Prova a svolgere qualche calcolo e verifica se il risultato che ottieni combacia con il mio :-D Buon lavoro!
Emanuele Lorina
- Chi lotta contro i mostri deve fare attenzione a non diventare lui stesso un mostro. E se tu riguarderai a lungo in un abisso, anche l'abisso vorrà guardare dentro di te (F. Nietzsche)
- Tavole della legge by admin
- Chi lotta contro i mostri deve fare attenzione a non diventare lui stesso un mostro. E se tu riguarderai a lungo in un abisso, anche l'abisso vorrà guardare dentro di te (F. Nietzsche)
- Tavole della legge by admin
-

Lele_u_biddrazzu
8.154 3 8 13 - Master EY

- Messaggi: 1288
- Iscritto il: 23 gen 2007, 16:13
- Località: Modena
0
voti
Rth si ottiene spegnendo il generatore di corrente.. pertanto :
R1-R2-r sono in serie pertanto Ra= R1+R2+r= 2+2+2=6 ohm
Ra|| R3 pertanto Rth=
=
ohm
Adesso determino la tensione a vuoto collegando al posto del resitore R4 un circuito aperto .. pertanto
E0=V3=R3i3 o alternativamente applicando la LKT alla maglia che coinvolge i resistori e il generatore controllato avremo..
V3-V2-V1-Vr=0 da cui
V3=V1+Vr+V2 da cui
V3=R1i1+ri1+R2i1
V3=(R1+R2+r)i1 = (6)i1
i1 a chi e' uguale?? determino i1 dal circuito rilevando la serie r-R2-r3 pertanto Ra=5
a sua volta in parallelo con R1=
=
Applico il partitore di corrente per determinare i1 ed ottengo
=
sostituisco i1 per determinare Eo
applico la lkt al circuito equivalente e mi trovo tutt un altro valore per i4. qualcuno sa aiutarmi?
R1-R2-r sono in serie pertanto Ra= R1+R2+r= 2+2+2=6 ohm
Ra|| R3 pertanto Rth=
=
ohmAdesso determino la tensione a vuoto collegando al posto del resitore R4 un circuito aperto .. pertanto
E0=V3=R3i3 o alternativamente applicando la LKT alla maglia che coinvolge i resistori e il generatore controllato avremo..
V3-V2-V1-Vr=0 da cui
V3=V1+Vr+V2 da cui
V3=R1i1+ri1+R2i1
V3=(R1+R2+r)i1 = (6)i1
i1 a chi e' uguale?? determino i1 dal circuito rilevando la serie r-R2-r3 pertanto Ra=5
a sua volta in parallelo con R1=
=
Applico il partitore di corrente per determinare i1 ed ottengo
=
sostituisco i1 per determinare Eo
applico la lkt al circuito equivalente e mi trovo tutt un altro valore per i4. qualcuno sa aiutarmi?
-

electro2013
10 1 - New entry

- Messaggi: 67
- Iscritto il: 23 mar 2013, 13:23
0
voti
Secondo me sbagli nel considerare il generatore pilotato alla stregua di un semplice resistore! Rivedi con attenzione i miei precedenti due post e prova a seguire i suggerimenti che ti ho dato 
Emanuele Lorina
- Chi lotta contro i mostri deve fare attenzione a non diventare lui stesso un mostro. E se tu riguarderai a lungo in un abisso, anche l'abisso vorrà guardare dentro di te (F. Nietzsche)
- Tavole della legge by admin
- Chi lotta contro i mostri deve fare attenzione a non diventare lui stesso un mostro. E se tu riguarderai a lungo in un abisso, anche l'abisso vorrà guardare dentro di te (F. Nietzsche)
- Tavole della legge by admin
-

Lele_u_biddrazzu
8.154 3 8 13 - Master EY

- Messaggi: 1288
- Iscritto il: 23 gen 2007, 16:13
- Località: Modena
0
voti
Mi puoi dare qualche dritta sul generatore controllato? per favore.. perche non riesco a capirlo
-

electro2013
10 1 - New entry

- Messaggi: 67
- Iscritto il: 23 mar 2013, 13:23
0
voti
Innanzitutto verifica se i risultato del libro coincide con quello che otterresti seguendo il mio procedimento risolutivo, dopo leggi il post successivo è spiega cosa non ti è chiaro in modo da chiarire meglio i tuoi dubbi
A dopo!
Emanuele Lorina
- Chi lotta contro i mostri deve fare attenzione a non diventare lui stesso un mostro. E se tu riguarderai a lungo in un abisso, anche l'abisso vorrà guardare dentro di te (F. Nietzsche)
- Tavole della legge by admin
- Chi lotta contro i mostri deve fare attenzione a non diventare lui stesso un mostro. E se tu riguarderai a lungo in un abisso, anche l'abisso vorrà guardare dentro di te (F. Nietzsche)
- Tavole della legge by admin
-

Lele_u_biddrazzu
8.154 3 8 13 - Master EY

- Messaggi: 1288
- Iscritto il: 23 gen 2007, 16:13
- Località: Modena
0
voti
Ho testato con il tuo procedimento nuovo. Il risultato si trova.. ma n capisco i1 mi puoi gentilmente far capire in modo tale da poter rendermi conto nei prossimi esercizi?? cosa sbaglio? non ho considerato r come tu hai fatto vedere nella formula.. ma perche?? Perche tratto il generatore controllato come un resistore e non dovrei giusto? ma perche allora uso il generatore controllato per la determinazione della resistenza equivalente? e' questo che mi confonde..
-

electro2013
10 1 - New entry

- Messaggi: 67
- Iscritto il: 23 mar 2013, 13:23
22 messaggi
• Pagina 1 di 3 • 1, 2, 3
Torna a Elettrotecnica generale
Chi c’è in linea
Visitano il forum: Nessuno e 20 ospiti

Elettrotecnica e non solo (admin)
Un gatto tra gli elettroni (IsidoroKZ)
Esperienza e simulazioni (g.schgor)
Moleskine di un idraulico (RenzoDF)
Il Blog di ElectroYou (webmaster)
Idee microcontrollate (TardoFreak)
PICcoli grandi PICMicro (Paolino)
Il blog elettrico di carloc (carloc)
DirtEYblooog (dirtydeeds)
Di tutto... un po' (jordan20)
AK47 (lillo)
Esperienze elettroniche (marco438)
Telecomunicazioni musicali (clavicordo)
Automazione ed Elettronica (gustavo)
Direttive per la sicurezza (ErnestoCappelletti)
EYnfo dall'Alaska (mir)
Apriamo il quadro! (attilio)
H7-25 (asdf)
Passione Elettrica (massimob)
Elettroni a spasso (guidob)
Bloguerra (guerra)

