Stabilire segno delle tensioni sui rami di una rete
Moderatori:
g.schgor,
IsidoroKZ
10 messaggi
• Pagina 1 di 1
0
voti
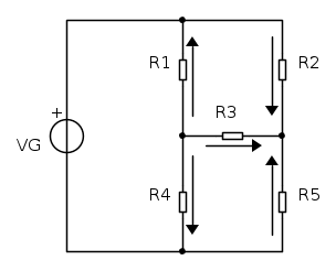
Ciao a tutti,ho delle difficoltà a stabilire il segno delle tensioni sui rami di una rete...sul mio libro di elettrotecnica c'è scritto che si sceglie il verso della tensione arbitrariamente,se i calcoli danno una tensione positiva allora il + convenzionale coincide con il + fisico,altrimenti il + convenzionale è opposto al + fisico. In altre parole (per quanto ho capito) su ogni ramo scelgo il segno della tensione a caso e poi se procedo con i calcoli ottengo sempre lo stesso risultato. Quindi se io in questo circuito d'esempio scelgo il segno della tensione in questi 4 modi diversi ( http://imageshack.us/photo/my-images/209/15069812.jpg/ ; http://imageshack.us/photo/my-images/89/20623199y.jpg/ ; http://imageshack.us/photo/my-images/4/65714158.jpg/ ; http://imageshack.us/photo/my-images/9/92210850.jpg/ ) ottengo sempre gli stessi risultati e quindi sono tutti e 4 i modi giusti??
0
voti
Credo sia meglio che posti lo schema utilizzando fidocadj
MCSA Windows Server 2012 R2
Cisco CCNA R&S - Cisco CCNA Security - Cisco CCNA Cyber Ops
CompTia A+ - CompTia Linux+ - CompTIA Systems Support Specialist CSSS
CompTia Pentest+ LPIC-1 - VCP VMware - Cisco CCNP Enterprise
Cisco CCNA R&S - Cisco CCNA Security - Cisco CCNA Cyber Ops
CompTia A+ - CompTia Linux+ - CompTIA Systems Support Specialist CSSS
CompTia Pentest+ LPIC-1 - VCP VMware - Cisco CCNP Enterprise
0
voti
non ho usato fidocadj perché non si tratta proprio di risolvere un circuito...insomma come potete vedere ho messo delle frecce che con fidocad non ho la minima idea di come si mettano...ma credo che così si possa capire abbastanza 

0
voti
Tu puoi scegliere tutte le tensioni sui resistori a caso, anche perché inizialmente non puoi sapere come sono e quindi mettere ad ogni resistore il segno + dove più ti garba. Sarebbe bene però una volta scelte le tensioni configurare i resistori come utilizzatori, e quindi avendo le correnti uscenti dal morsetto contrassegnato col segno meno.
Una volta svolti i conti, se trovi delle tensioni con un segno negativo, questo sarà perché sono l'opposto di come avevi ipotizzato inizialmente
Una volta svolti i conti, se trovi delle tensioni con un segno negativo, questo sarà perché sono l'opposto di come avevi ipotizzato inizialmente
3
voti
Non entro in merito dello schema (giusto o sbagliato che sia) ma ti faccio un esempio di schema fidocadj fatto in 2 minuti relativo a quanto da te disegnato.
MCSA Windows Server 2012 R2
Cisco CCNA R&S - Cisco CCNA Security - Cisco CCNA Cyber Ops
CompTia A+ - CompTia Linux+ - CompTIA Systems Support Specialist CSSS
CompTia Pentest+ LPIC-1 - VCP VMware - Cisco CCNP Enterprise
Cisco CCNA R&S - Cisco CCNA Security - Cisco CCNA Cyber Ops
CompTia A+ - CompTia Linux+ - CompTIA Systems Support Specialist CSSS
CompTia Pentest+ LPIC-1 - VCP VMware - Cisco CCNP Enterprise
0
voti
mattejuv ha scritto:...In altre parole (per quanto ho capito) su ogni ramo scelgo il segno della tensione a caso e poi se procedo con i calcoli ottengo sempre lo stesso risultato...
I risultati saranno gli stessi in modulo e diversi nel segno. In sostanza, come hai già detto, è necessario stabilire a priori dei versi convenzionali per le tensioni e per le correnti dei singoli bipoli costituenti la rete per poi procedere con l'applicazione di uno dei svariati metodi di risoluzione esistenti, i quali si basano ovviamente sul sistematico utilizzo delle KCL e KVL. Se hai altri dubbi non esitare a chiedere

Emanuele Lorina
- Chi lotta contro i mostri deve fare attenzione a non diventare lui stesso un mostro. E se tu riguarderai a lungo in un abisso, anche l'abisso vorrà guardare dentro di te (F. Nietzsche)
- Tavole della legge by admin
- Chi lotta contro i mostri deve fare attenzione a non diventare lui stesso un mostro. E se tu riguarderai a lungo in un abisso, anche l'abisso vorrà guardare dentro di te (F. Nietzsche)
- Tavole della legge by admin
-

Lele_u_biddrazzu
8.154 3 8 13 - Master EY

- Messaggi: 1288
- Iscritto il: 23 gen 2007, 16:13
- Località: Modena
0
voti
grazie mille a tutti, quindi tutte e 4 le immagini che ho postato sono giuste per fare i calcoli e una volta scelto il segno della tensione stabilisco il segno della corrente tramite la convenzione degli utilizzatori?
0
voti
Come già detto le convenzioni le scegli tu, non esiste una convenzione giusta e una sbagliata; ovviamente il buon senso suggerisce di adottare la convenzione degli utilizzatori per i bipoli passivi, mentre quella dei generatori per i bipoli attivi (GIT, GIC etc...). Chiaramente nulla vieta una scelta differente da quella suggerita 
Emanuele Lorina
- Chi lotta contro i mostri deve fare attenzione a non diventare lui stesso un mostro. E se tu riguarderai a lungo in un abisso, anche l'abisso vorrà guardare dentro di te (F. Nietzsche)
- Tavole della legge by admin
- Chi lotta contro i mostri deve fare attenzione a non diventare lui stesso un mostro. E se tu riguarderai a lungo in un abisso, anche l'abisso vorrà guardare dentro di te (F. Nietzsche)
- Tavole della legge by admin
-

Lele_u_biddrazzu
8.154 3 8 13 - Master EY

- Messaggi: 1288
- Iscritto il: 23 gen 2007, 16:13
- Località: Modena
10 messaggi
• Pagina 1 di 1
Torna a Elettrotecnica generale
Chi c’è in linea
Visitano il forum: Nessuno e 131 ospiti

Elettrotecnica e non solo (admin)
Un gatto tra gli elettroni (IsidoroKZ)
Esperienza e simulazioni (g.schgor)
Moleskine di un idraulico (RenzoDF)
Il Blog di ElectroYou (webmaster)
Idee microcontrollate (TardoFreak)
PICcoli grandi PICMicro (Paolino)
Il blog elettrico di carloc (carloc)
DirtEYblooog (dirtydeeds)
Di tutto... un po' (jordan20)
AK47 (lillo)
Esperienze elettroniche (marco438)
Telecomunicazioni musicali (clavicordo)
Automazione ed Elettronica (gustavo)
Direttive per la sicurezza (ErnestoCappelletti)
EYnfo dall'Alaska (mir)
Apriamo il quadro! (attilio)
H7-25 (asdf)
Passione Elettrica (massimob)
Elettroni a spasso (guidob)
Bloguerra (guerra)




