Penso che il tuo elettricista potrebbe darti dei chiarimenti in merito a questi dubbi.
Ad ogni modo, se utilizzi tubo corrugato del tipo 450 o 750 (che assolvono alla protezione meccanica del cavo) che poi è quello più diffuso, non mi pare ci sia una profondità minima di posa.
Per tubi più leggeri (tipo il 250) o per cavo direttamente interrato, non devi interrare a meno di 0,5 m.
Per il diametro del tubo, bisognerebbe conoscere il diametro o almeno la sezione del cavo (multipolare immagino) che vi dovrai infilare, che ti ricordo dovrà essere del tipo guainato con tensione di isolamento 0,6/1 kV (tipo FG7 o H07RN-F ad esempio).
Inoltre va considerato il percorso e le eventuali curve, la presenza di pozzetti rompitratta e quant'altro.
Normalmente non si dovrebbero utilizzare tubi di diametro inferiore ai 32 mm (e pochi sono!).
Saluti
impianto luci giardino automatico
Moderatori:
sebago,
MASSIMO-G,
lillo,
Mike
34 messaggi
• Pagina 2 di 4 • 1, 2, 3, 4
0
voti
Il tratto è di quasi 2 mt rettilinei ,userò un cavo FG7 3/1.5 quindi userò di usare un tubo da 32 interrato a 50cm
magari per un ulteriore sicurezza posso fare uno strato di cemento sopra il tubo.
Correggetemi se ho sbagliato in qualche valutazione e grazie dei consigli .
magari per un ulteriore sicurezza posso fare uno strato di cemento sopra il tubo.
Correggetemi se ho sbagliato in qualche valutazione e grazie dei consigli .

0
voti
MassimoB ha scritto:Dipende dal carico che applichi, ci sono relè per carichi anche da 16A, non credo che in giardino abbia messo più di 3 kW di lampade visto che sono parte a basso consumo e parte a led.Massimo, ma se è solo una questione di tecnologia e i punti come ho detto sono solo due, mi conviene usare due deviatori così risparmio il costo del relè!
Per due punti di comando se non intendi interfacciarli con l' elettronica del cancello in effetti puoi usare tranquillamente una deviata, al contrario devi usare il relè.
Tornando al teleruttore secondo me se acquisti un relè da 16A il teleruttore non serve a nulla, comunque per star sicuro calcolati il carico totale
massimo, ho seguito il tuo consiglio ed ho acquistato un relè 16A. Alla fine ho optato per l'opzione di separare le luci dal cancello ma ho comunque l'automazione che mi interessa con il sensore di movimento (con crepuscolare e timer).
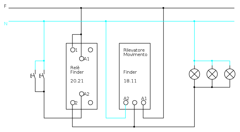
ora allego lo schema di impianto, abbiate pazienza, un po' "artigianale" e sicuramente non professionale, pensato da chi non ha studiato elettronica ma è fatto pensando allo spazio fisico e ai cavi da utilizzare.
il dubbio maggiore è sul collegamento del sensore di movimento...
-

passepartout
0 2 - Messaggi: 16
- Iscritto il: 1 apr 2013, 22:16
0
voti
Vorrei capire al di fuori dello schema che come già detto da te lascia molto a desiderare ma è comprensibile se fatto da persona inesperta e fare il professorino non risolve di sicuro la tua esigenza quindi ti chiedo:
Il crepuscolare/timer deve essere predominante rispetto ai comandi a pulsante?
Per meglio capirci, se entra in funzione il crepuscolare tu vuoi le luci accese a prescindere dai comandi a pulsante?
Il crepuscolare/timer deve essere predominante rispetto ai comandi a pulsante?
Per meglio capirci, se entra in funzione il crepuscolare tu vuoi le luci accese a prescindere dai comandi a pulsante?
MCSA Windows Server 2012 R2
Cisco CCNA R&S - Cisco CCNA Security - Cisco CCNA Cyber Ops
CompTia A+ - CompTia Linux+ - CompTIA Systems Support Specialist CSSS
CompTia Pentest+ LPIC-1 - VCP VMware - Cisco CCNP Enterprise
Cisco CCNA R&S - Cisco CCNA Security - Cisco CCNA Cyber Ops
CompTia A+ - CompTia Linux+ - CompTIA Systems Support Specialist CSSS
CompTia Pentest+ LPIC-1 - VCP VMware - Cisco CCNP Enterprise
0
voti
Ps.
Tengo comunque a precisare che le mie soluzioni sono esclusivamente tecniche, ovviamente operare su di un impianto senza i requisiti necessari comporta delle responsabilità che ti assumerai al momento della realizzazione.
Il consiglio di base è quello di chiamare un elettricista.
Tengo comunque a precisare che le mie soluzioni sono esclusivamente tecniche, ovviamente operare su di un impianto senza i requisiti necessari comporta delle responsabilità che ti assumerai al momento della realizzazione.
Il consiglio di base è quello di chiamare un elettricista.
MCSA Windows Server 2012 R2
Cisco CCNA R&S - Cisco CCNA Security - Cisco CCNA Cyber Ops
CompTia A+ - CompTia Linux+ - CompTIA Systems Support Specialist CSSS
CompTia Pentest+ LPIC-1 - VCP VMware - Cisco CCNP Enterprise
Cisco CCNA R&S - Cisco CCNA Security - Cisco CCNA Cyber Ops
CompTia A+ - CompTia Linux+ - CompTIA Systems Support Specialist CSSS
CompTia Pentest+ LPIC-1 - VCP VMware - Cisco CCNP Enterprise
0
voti
MassimoB ha scritto:Vorrei capire al di fuori dello schema che come già detto da te lascia molto a desiderare ma è comprensibile se fatto da persona inesperta e fare il professorino non risolve di sicuro la tua esigenza quindi ti chiedo:
Il crepuscolare/timer deve essere predominante rispetto ai comandi a pulsante?
Per meglio capirci, se entra in funzione il crepuscolare tu vuoi le luci accese a prescindere dai comandi a pulsante?
l'obiettivo è che io possa gestire quando voglio in manuale (con i pulsanti) le luci, ma che si azionino anche la sera autamaticamente quando si passa davanti al cancello tramite il sensore di movimento (che è anche timer e crepuscolare) e che poi si spengano da sole dopo 5 minuti. in pratica i due sistemi dovrebbero essere autonomi. detto questo è possibile collegare il sensore di movimento come in figura? oppure devo portare una linea separata che prenda la fase e si colleghi al relè? oppure ancora il sensore di movimento deve restare fuori dal relè? vorrei sapere anche se, a parte il modo in cui ho rappresentato lo schema, i collegamenti sono comprensibili?
Massimo, per quanto riguarda la sicurezza non ti preoccupare, non realizzerò l'impianto da solo, è solo che mi appassiona la materia e voglio capire bene quello che facciamo. resto in attesa dei tuoi preziosi consigli
-

passepartout
0 2 - Messaggi: 16
- Iscritto il: 1 apr 2013, 22:16
0
voti
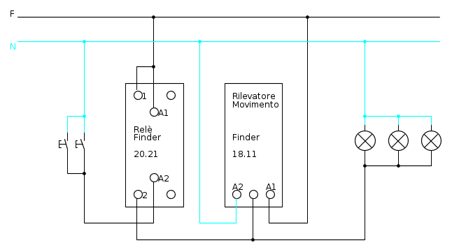
La soluzione potrebbe essere la seguente:
Ps.
Il rilevatore che ho inserito è da 10A credo possano bastare , altrimenti dovrai cercare un rilevatore da 16A oppure mettere un' ulteriore relè da 16A per alimentare i carichi.
Ps.
Il rilevatore che ho inserito è da 10A credo possano bastare , altrimenti dovrai cercare un rilevatore da 16A oppure mettere un' ulteriore relè da 16A per alimentare i carichi.
MCSA Windows Server 2012 R2
Cisco CCNA R&S - Cisco CCNA Security - Cisco CCNA Cyber Ops
CompTia A+ - CompTia Linux+ - CompTIA Systems Support Specialist CSSS
CompTia Pentest+ LPIC-1 - VCP VMware - Cisco CCNP Enterprise
Cisco CCNA R&S - Cisco CCNA Security - Cisco CCNA Cyber Ops
CompTia A+ - CompTia Linux+ - CompTIA Systems Support Specialist CSSS
CompTia Pentest+ LPIC-1 - VCP VMware - Cisco CCNP Enterprise
0
voti
passepartout ha scritto:
ora allego lo schema di impianto, abbiate pazienza, un po' "artigianale" e sicuramente non professionale, pensato da chi non ha studiato elettronica ma è fatto pensando allo spazio fisico e ai cavi da utilizzare.
il dubbio maggiore è sul collegamento del sensore di movimento...
Il partecipanti al forum consigliano:
Il consiglio di base è quello di chiamare un elettricista.
Nonostante ciò, si allegano addiritura gli schemi: (niente di personale per i designer)
consigliando il fai da te: però stai attento.
passepartout ha scritto:
non realizzerò l'impianto da solo,
Chiedo: ma l'elettricista che farà l'impianto (insieme a te) te lo da un consiglio, o vuole essere pagato extra per i consigli ?
Pier Luigi
“vivi il presente“
-

Pierluigi2002
1.048 2 3 6 - Expert

- Messaggi: 1599
- Iscritto il: 23 gen 2008, 23:12
0
voti
MassimoB ha scritto:La soluzione potrebbe essere la seguente:
Ps.
Il rilevatore che ho inserito è da 10A credo possano bastare , altrimenti dovrai cercare un rilevatore da 16A oppure mettere un' ulteriore relè da 16A per alimentare i carichi.
grazie per lo schema Massimo, l'unica cosa che non capisco è che dallo schema mi sembra di capire che i pulsanti interrompano il neutro?! è l'unico o ci sono anche altri modi per chiudere il circuito?
-

passepartout
0 2 - Messaggi: 16
- Iscritto il: 1 apr 2013, 22:16
0
voti
I pulsanti chiudono il neutro per far si che la bobina del relè che ha la fase fissa venga eccitata, ai pulsanti è buona regola portare il neutro.
Non confonderti con deviate ed interrotte dove si agisce sulla fase per evitare la fase fissa sul carico.
Non confonderti con deviate ed interrotte dove si agisce sulla fase per evitare la fase fissa sul carico.
MCSA Windows Server 2012 R2
Cisco CCNA R&S - Cisco CCNA Security - Cisco CCNA Cyber Ops
CompTia A+ - CompTia Linux+ - CompTIA Systems Support Specialist CSSS
CompTia Pentest+ LPIC-1 - VCP VMware - Cisco CCNP Enterprise
Cisco CCNA R&S - Cisco CCNA Security - Cisco CCNA Cyber Ops
CompTia A+ - CompTia Linux+ - CompTIA Systems Support Specialist CSSS
CompTia Pentest+ LPIC-1 - VCP VMware - Cisco CCNP Enterprise
34 messaggi
• Pagina 2 di 4 • 1, 2, 3, 4
Torna a Impianti, sicurezza e quadristica
Chi c’è in linea
Visitano il forum: Google [Bot] e 114 ospiti

Elettrotecnica e non solo (admin)
Un gatto tra gli elettroni (IsidoroKZ)
Esperienza e simulazioni (g.schgor)
Moleskine di un idraulico (RenzoDF)
Il Blog di ElectroYou (webmaster)
Idee microcontrollate (TardoFreak)
PICcoli grandi PICMicro (Paolino)
Il blog elettrico di carloc (carloc)
DirtEYblooog (dirtydeeds)
Di tutto... un po' (jordan20)
AK47 (lillo)
Esperienze elettroniche (marco438)
Telecomunicazioni musicali (clavicordo)
Automazione ed Elettronica (gustavo)
Direttive per la sicurezza (ErnestoCappelletti)
EYnfo dall'Alaska (mir)
Apriamo il quadro! (attilio)
H7-25 (asdf)
Passione Elettrica (massimob)
Elettroni a spasso (guidob)
Bloguerra (guerra)



