salve,
avrei bisogno di alcuni consigli... vorrei alimentare un carico (composto da 25 LED, il nome è BQ14) con una tensione di 12V, il problema è che dai pin PWM della scheda si una in uscita una tensione di 5V!!
a me sarebbe venuta in mente una soluzione che, stando alla teoria Elettrotecnica dovrebbe andare bene: metto in serie due uscite a 5V e, dato che sono di frequenza identica e hanno la stessa forma d'onda, si possono sommare, avendo una tensione di 10V:
è una cosa fattibile???
grazie
Aumentare la tensione in uscita da Arduino!
Moderatori:
carloc,
g.schgor,
BrunoValente,
IsidoroKZ
26 messaggi
• Pagina 1 di 3 • 1, 2, 3
0
voti
Se le due uscite fanno riferimento alla stessa massa allora quello che vuoi fare non funziona.
Se hai a disposizione una tensione di 12V si può utilizzare quella, se non ce l'hai si può ricavare dai 5V con uno step-up.
Qui trovi un comodo calcolatore per il dimensionamento.
Di che corrente stiamo parlando?

Se hai a disposizione una tensione di 12V si può utilizzare quella, se non ce l'hai si può ricavare dai 5V con uno step-up.
Qui trovi un comodo calcolatore per il dimensionamento.
Di che corrente stiamo parlando?

http://millefori.altervista.org
Tool gratuito per chi sviluppa su millefori.
Tutti sanno che una cosa è impossibile da realizzare, finché arriva uno sprovveduto che non lo sa e la inventa. (A. Einstein)
Se non c'e` un 555 non e` un buon progetto (IsidoroKZ)
Strumento per formule
Tool gratuito per chi sviluppa su millefori.
Tutti sanno che una cosa è impossibile da realizzare, finché arriva uno sprovveduto che non lo sa e la inventa. (A. Einstein)
Se non c'e` un 555 non e` un buon progetto (IsidoroKZ)
Strumento per formule
-

posta10100
5.550 4 10 13 - Master EY

- Messaggi: 4832
- Iscritto il: 5 nov 2006, 0:09
0
voti
ciao, grazie mille per la risposta
non riesco a trovare nessun datasheet, ma su ebay (dove l'ho comprato) riporta solo tensione di alimentazione (12V) e consumo (1,2W)!!
cosa intendi??
non riesco a trovare nessun datasheet, ma su ebay (dove l'ho comprato) riporta solo tensione di alimentazione (12V) e consumo (1,2W)!!
Se le due uscite fanno riferimento alla stessa massa allora quello che vuoi fare non funziona.
cosa intendi??
4
voti
Per Arduino lo specialista è
TardoFreak, che inviatiamo alla discussione. Per laserie delle uscite invece il riferimento più autorevole è
RenzoDF, parimenti invitato.
Resta il fatto che, pur mettendo in serie due uscite, la somma delle tensioni sarebbe di 10V, mentre i LED, hai detto, sono a 12V. Sui LED bisogna invitare alla discussione
IsidoroKZ.
Come vedi tutti quelli che abbiamo invitato sono verdi. Negli anni che hanno passato su questo forum nessuno aveva mai teorizzato la messa in serie di due uscite di Arduino, quindi ora loro sono verdi di rabbia, perché non ci hanno pensato prima.
Qualcuno è ancora li che se la smena col C. Non sa che Arduino è meglio...
Io sono su questo forum da circa tre anni, è ne conosco abbastanza degli utenti abituali. Stando a leggerli ho più o meno imparato come pensano.
Sommariamente ti diranno che non è possibile. Vedi alcuni di loro sono quelli che scrivono sui libri ed isegnano nelle università, e siccome non avevano mai pensato ad una simile idea, ti diranno che non si può fare, e vorranno convincerti che occorrono dei transistor, degli alimentatori a 12V. Vorranno sapere quanto assorbono i LED e come li hai collegati o come li collegherai. Ti diranno che le uscite di Arduino non sono in gradi di alimentare i LED senza un transistor amplificatore ed altre menate simili.
Non soddisfatti di questa tortura, ti chiederanno di fare lo schema. Perché ci va sempre lo schema, e lo vorranno fatto con FidocadJ. E' una costante.
Ti do un consiglio:
1) Fai lo schema di come vorresti fare tu;
2) Posta le caratteristiche dei LED: tensione diretta, corrente diretta ed il tipo di collegamento. Oppure un link al datasheet del prodotto. Ma non usare server esterni od immagini raster.
3) Comincia a preoccuparti e prepararti psicologicamente, probabilmente ti servirà anche un alimentatore per i LED.
Resta il fatto che, pur mettendo in serie due uscite, la somma delle tensioni sarebbe di 10V, mentre i LED, hai detto, sono a 12V. Sui LED bisogna invitare alla discussione
Come vedi tutti quelli che abbiamo invitato sono verdi. Negli anni che hanno passato su questo forum nessuno aveva mai teorizzato la messa in serie di due uscite di Arduino, quindi ora loro sono verdi di rabbia, perché non ci hanno pensato prima.
Qualcuno è ancora li che se la smena col C. Non sa che Arduino è meglio...
Io sono su questo forum da circa tre anni, è ne conosco abbastanza degli utenti abituali. Stando a leggerli ho più o meno imparato come pensano.
Sommariamente ti diranno che non è possibile. Vedi alcuni di loro sono quelli che scrivono sui libri ed isegnano nelle università, e siccome non avevano mai pensato ad una simile idea, ti diranno che non si può fare, e vorranno convincerti che occorrono dei transistor, degli alimentatori a 12V. Vorranno sapere quanto assorbono i LED e come li hai collegati o come li collegherai. Ti diranno che le uscite di Arduino non sono in gradi di alimentare i LED senza un transistor amplificatore ed altre menate simili.
Non soddisfatti di questa tortura, ti chiederanno di fare lo schema. Perché ci va sempre lo schema, e lo vorranno fatto con FidocadJ. E' una costante.
Ti do un consiglio:
1) Fai lo schema di come vorresti fare tu;
2) Posta le caratteristiche dei LED: tensione diretta, corrente diretta ed il tipo di collegamento. Oppure un link al datasheet del prodotto. Ma non usare server esterni od immagini raster.
3) Comincia a preoccuparti e prepararti psicologicamente, probabilmente ti servirà anche un alimentatore per i LED.
-

Candy
32,5k 7 10 13 - CRU - Account cancellato su Richiesta utente
- Messaggi: 10123
- Iscritto il: 14 giu 2010, 22:54
1
voti
il LED in questione è questo:
http://www.ebay.it/itm/LAMPADINA-G4-DC-12V-25-LED-LUCE-BIANCO-CALDO-BASSO-CONSUMO-/370733218578#ht_3396wt_1344
per il resto le mie intenzioni per bypassare troppi "congegni" erano queste:
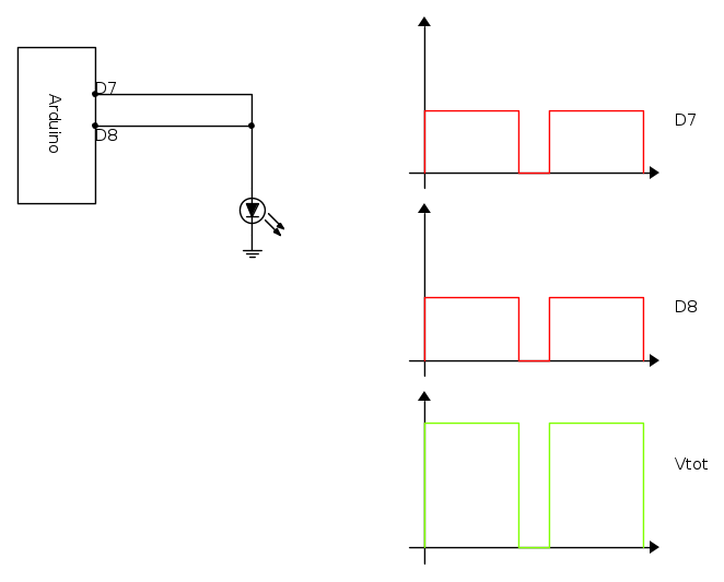
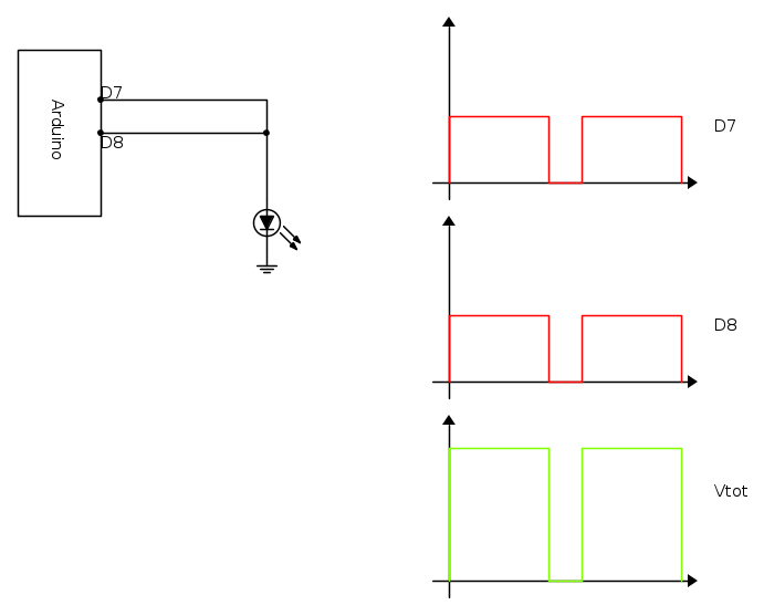
sapendo che le uscite D7 e D8 lavorano a 5V!!
http://www.ebay.it/itm/LAMPADINA-G4-DC-12V-25-LED-LUCE-BIANCO-CALDO-BASSO-CONSUMO-/370733218578#ht_3396wt_1344
per il resto le mie intenzioni per bypassare troppi "congegni" erano queste:
sapendo che le uscite D7 e D8 lavorano a 5V!!
0
voti
tipu91 ha scritto:cosa intendi??
Se le due tensioni sono quelle che trovi su due pin dell'arduino allora esse fanno riferimento ad una singola massa, quella di arduino.
In pratica ti ritrovi in questa situazione:
Comunque combini i due pin non potrai mai metterli in serie.
http://millefori.altervista.org
Tool gratuito per chi sviluppa su millefori.
Tutti sanno che una cosa è impossibile da realizzare, finché arriva uno sprovveduto che non lo sa e la inventa. (A. Einstein)
Se non c'e` un 555 non e` un buon progetto (IsidoroKZ)
Strumento per formule
Tool gratuito per chi sviluppa su millefori.
Tutti sanno che una cosa è impossibile da realizzare, finché arriva uno sprovveduto che non lo sa e la inventa. (A. Einstein)
Se non c'e` un 555 non e` un buon progetto (IsidoroKZ)
Strumento per formule
-

posta10100
5.550 4 10 13 - Master EY

- Messaggi: 4832
- Iscritto il: 5 nov 2006, 0:09
0
voti
1
voti
tipu91 ha scritto:le mie intenzioni per bypassare troppi "congegni" erano queste
Ottimo modo per fare un guaio!
Prova a ragionare sullo schema che ho postato e ti accorgerai che quello che vuoi fare non funziona.
[Edit] infatti, non può funzionare, altrimenti i nostri amici verdi ci avrebbero già pensato

http://millefori.altervista.org
Tool gratuito per chi sviluppa su millefori.
Tutti sanno che una cosa è impossibile da realizzare, finché arriva uno sprovveduto che non lo sa e la inventa. (A. Einstein)
Se non c'e` un 555 non e` un buon progetto (IsidoroKZ)
Strumento per formule
Tool gratuito per chi sviluppa su millefori.
Tutti sanno che una cosa è impossibile da realizzare, finché arriva uno sprovveduto che non lo sa e la inventa. (A. Einstein)
Se non c'e` un 555 non e` un buon progetto (IsidoroKZ)
Strumento per formule
-

posta10100
5.550 4 10 13 - Master EY

- Messaggi: 4832
- Iscritto il: 5 nov 2006, 0:09
26 messaggi
• Pagina 1 di 3 • 1, 2, 3
Chi c’è in linea
Visitano il forum: Nessuno e 81 ospiti

Elettrotecnica e non solo (admin)
Un gatto tra gli elettroni (IsidoroKZ)
Esperienza e simulazioni (g.schgor)
Moleskine di un idraulico (RenzoDF)
Il Blog di ElectroYou (webmaster)
Idee microcontrollate (TardoFreak)
PICcoli grandi PICMicro (Paolino)
Il blog elettrico di carloc (carloc)
DirtEYblooog (dirtydeeds)
Di tutto... un po' (jordan20)
AK47 (lillo)
Esperienze elettroniche (marco438)
Telecomunicazioni musicali (clavicordo)
Automazione ed Elettronica (gustavo)
Direttive per la sicurezza (ErnestoCappelletti)
EYnfo dall'Alaska (mir)
Apriamo il quadro! (attilio)
H7-25 (asdf)
Passione Elettrica (massimob)
Elettroni a spasso (guidob)
Bloguerra (guerra)






