Salve a tutti i frequentatori di questo fantastico sito, avrei bisogno di autocostruirmi (dal momento che non sono riuscito a trovarne in negozio) un alimentatore con uscita da +7,5v, 0, -7,5v e 400/500mA, per alimentare un mio vecchio lettore cd portatile della Techincs, essendo il propio andato perduto. Ringrazio anticipatamente chi fosse in grado di fornirmi uno schema.
Salvatore.
Cerco Schema alimentatore +7,5 -7,5v 500mA
Moderatori:
carloc,
g.schgor,
BrunoValente,
IsidoroKZ
19 messaggi
• Pagina 1 di 2 • 1, 2
0
voti
0
voti
Il mago degli alimentatori è
marco438, e in questo suo articolo spiega come realizzare un alimentatore.
Prova a dare un'occhiata, poi se qualcosa non è chiaro chiedi pure!
Prova a dare un'occhiata, poi se qualcosa non è chiaro chiedi pure!
http://millefori.altervista.org
Tool gratuito per chi sviluppa su millefori.
Tutti sanno che una cosa è impossibile da realizzare, finché arriva uno sprovveduto che non lo sa e la inventa. (A. Einstein)
Se non c'e` un 555 non e` un buon progetto (IsidoroKZ)
Strumento per formule
Tool gratuito per chi sviluppa su millefori.
Tutti sanno che una cosa è impossibile da realizzare, finché arriva uno sprovveduto che non lo sa e la inventa. (A. Einstein)
Se non c'e` un 555 non e` un buon progetto (IsidoroKZ)
Strumento per formule
-

posta10100
5.550 4 10 13 - Master EY

- Messaggi: 4832
- Iscritto il: 5 nov 2006, 0:09
0
voti
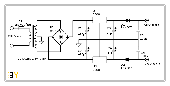
Se la tensione richiesta e' duale ( 7.5V ), si puo' ottenere con due regolatori LM317/337; lo schema diviene un po' piu' complesso (un paio di resistenze in piu') ma si ottiene la tensione esatta.
marco
0
voti
P.s. Molto probabilmente anche senza diodi."Non farei mai parte di un club che accettasse la mia iscrizione" (G. Marx)
-

claudiocedrone
21,3k 4 7 9 - Master EY

- Messaggi: 15302
- Iscritto il: 18 gen 2012, 13:36
1
voti
Grazie mille per l'immediata collaborazione che mi avete rivolto. Per essere piu' preciso vi dico che la tensione esatta richiesta dall'apparecchio, è di +7,2v / 0 / -7,2v, quindi penso che senza essere troppo pignoli, dovrebbe andar bene un tensione da 7v a 7,5. La cosa strana di questo lettore, è che l'alimentazione non va direttamente al lettore, ma serve a caricare una batteria incorporata sfilabile, che a sua volta tramite contatti alimenta il lettore, bha...se no come fanno a complicarci la vita......
Un grazie particolare a Candy per lo schema chiaro inviatomi.
Un grazie particolare a Candy per lo schema chiaro inviatomi.
0
voti
Mi scuso, ma nella precedente ho scritto un inesattezza. L'alimentazione va nel lettore che a sua volta carica la batteria e non viceversa come erroneamente scritto.
Questo è il retro del lettore:
Una volta realizzato l'alimentatore, mi si proporra' il problema di reperire questo strano spinotto. beh una cosa alla volta....
Questo è il retro del lettore:
Una volta realizzato l'alimentatore, mi si proporra' il problema di reperire questo strano spinotto. beh una cosa alla volta....
0
voti
Salve a tutti. Ho reperito quasi tutto il materiale per realizzare l'alimentatore, essendo un neofita ( vi chiedo pazienza..), ho solo un dubbio sullo schema inviatomi gentilmente da Candy, sul valore(1mf) e di che tipo sono i condensatori C3 e C4. Poi procedero' all'assemblaggio.
Grazie.
Grazie.
1
voti
Quando i condensatori si disegnano come i C1,C2,C3 e C4 è perché sono polarizzati (e si devono mettere nel giusto verso) ed i condensatori polarizzati in genere sono elettrolitici.
-

FedericoSibona
5.022 3 5 8 - Master

- Messaggi: 3951
- Iscritto il: 19 mar 2013, 11:43
19 messaggi
• Pagina 1 di 2 • 1, 2
Chi c’è in linea
Visitano il forum: Nessuno e 151 ospiti

Elettrotecnica e non solo (admin)
Un gatto tra gli elettroni (IsidoroKZ)
Esperienza e simulazioni (g.schgor)
Moleskine di un idraulico (RenzoDF)
Il Blog di ElectroYou (webmaster)
Idee microcontrollate (TardoFreak)
PICcoli grandi PICMicro (Paolino)
Il blog elettrico di carloc (carloc)
DirtEYblooog (dirtydeeds)
Di tutto... un po' (jordan20)
AK47 (lillo)
Esperienze elettroniche (marco438)
Telecomunicazioni musicali (clavicordo)
Automazione ed Elettronica (gustavo)
Direttive per la sicurezza (ErnestoCappelletti)
EYnfo dall'Alaska (mir)
Apriamo il quadro! (attilio)
H7-25 (asdf)
Passione Elettrica (massimob)
Elettroni a spasso (guidob)
Bloguerra (guerra)



