Cos'è ElectroYou | Login Iscriviti

ElectroYou - la comunità dei professionisti del mondo elettrico

Circuito Temporizzato Macchinetta caffè

Elettronica lineare e digitale: didattica ed applicazioni

Moderatori: Foto Utentecarloc, Foto Utenteg.schgor, Foto UtenteBrunoValente, Foto UtenteIsidoroKZ

0
voti

[41] Re: Circuito Temporizzato Macchinetta caffè

Messaggioda Foto Utentelambis » 11 mar 2013, 22:37

Si Scusa se non mi sono fatto sentire, ma oggi sono stato tutto il giorno fuori! comunque ho controllato bene il tempo per il caffè, e può raggiungere anche i 30 secondi! quindi penso vada bene il trimmer da 500 kohm (470) dovrebbe arrivare a circa 1 minuto, no? ne ho già comprato uno, ma vorrei vedere se si trovano in giro di quelli scorrevoli, magari per regolare meglio la lunghezza del caffè! XD

Comunque sto ridisegnando tutto in maniera definitiva e domani, se tutto va bene, posso iniziare ad usare il saldatore :D

Grazie mille per la disponibilità O_/
Avatar utente
Foto Utentelambis
30 4
Frequentatore
Frequentatore
 
Messaggi: 134
Iscritto il: 7 mar 2009, 12:45

1
voti

[42] Re: Circuito Temporizzato Macchinetta caffè

Messaggioda Foto Utentemarioursino » 11 mar 2013, 22:45

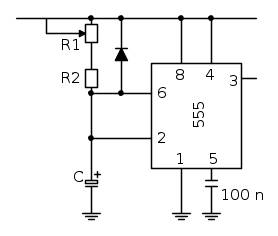
Bene! Se non mi sbaglio la durata dell'impulso è data da T=1.1RC, la resistenza fissa limita la carica del condensatore ed assicura un tempo minimo, in assenza di questa e con potenziometro a zero avresti una carica immediata che "non è bella". La R dell'equazione è ovviamente la somma del potenziometro e di quella fissa:

R=R_1+R_2

Avatar utente
Foto Utentemarioursino
5.687 3 9 13
G.Master EY
G.Master EY
 
Messaggi: 1598
Iscritto il: 5 dic 2009, 4:32

0
voti

[43] Re: Circuito Temporizzato Macchinetta caffè

Messaggioda Foto Utentelambis » 11 mar 2013, 22:56

Ottimo!! :D Questa equazione è salvavita :D!! Grazie!!
Ma il risultato è espresso in millesimi di secondo?
Quindi mi basterebbe solo mettere un condensatore da 220 uf e mantenere il trimmer da 220 e la resistenza di base, per raggiungere i 69 secondi, che sono più che sufficienti! :D
Avatar utente
Foto Utentelambis
30 4
Frequentatore
Frequentatore
 
Messaggi: 134
Iscritto il: 7 mar 2009, 12:45

0
voti

[44] Re: Circuito Temporizzato Macchinetta caffè

Messaggioda Foto Utentemarioursino » 12 mar 2013, 2:52

No, è in secondi, altrimenti comparirebbe qualche \times10^x nell'equazione.
Avatar utente
Foto Utentemarioursino
5.687 3 9 13
G.Master EY
G.Master EY
 
Messaggi: 1598
Iscritto il: 5 dic 2009, 4:32

0
voti

[45] Re: Circuito Temporizzato Macchinetta caffè

Messaggioda Foto Utentelambis » 12 mar 2013, 8:28

Certo! infatti andavano sistemate le unità di misura :D! 1.1*0,00022*257000=62 secondi :mrgreen:
e con il trimmer a 0, quindi solo con la resistenza fissa, si arriva a 9 secondi :-)
Avatar utente
Foto Utentelambis
30 4
Frequentatore
Frequentatore
 
Messaggi: 134
Iscritto il: 7 mar 2009, 12:45

0
voti

[46] Re: Circuito Temporizzato Macchinetta caffè

Messaggioda Foto Utentelambis » 13 mar 2013, 13:49

Il progetto sta andando un po' a rilento perché sono iniziate le lezioni ed il tempo libero si è ridotto notevolmente, appena completo il circuito vi faccio sapere!! :ok:
Avatar utente
Foto Utentelambis
30 4
Frequentatore
Frequentatore
 
Messaggi: 134
Iscritto il: 7 mar 2009, 12:45

0
voti

[47] Re: Circuito Temporizzato Macchinetta caffè

Messaggioda Foto Utentelambis » 13 apr 2013, 13:59

Ciao a tutti! Scusate il ritardo! ma finalmente, dopo pasqua ho completato il tutto!! :ok:
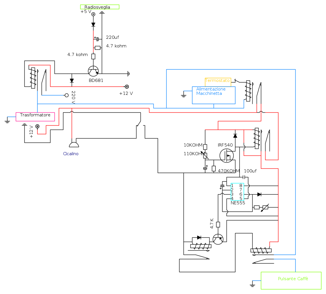
Quindi lo schema definitivo è questo:



Ho dovuto modificare un paio di cose dallo schema generale per diversi motivi:
1 - se mentre sta facendo il caffè si riaccende la lampadina del termostato, non interrompe il caffè, ma continua a farlo comunque fino alla fine
2 - ho dovuto aggiungere altro temporizzatore perché appena accesa la macchinetta il relè da 220 V è normalmente chiuso, quindi ho bisogno che attenda un minimo (anche mezzo secondo, non mi importa) perché si accenda la lampadina, altrimenti inizia a fare il caffè con la caldaia fredda
3 - ho dovuto aggiungere un relè in più alla fine del circuito, per lo stesso motivo del punto 2 (così inizia a fare caffè dopo che scatti il relè del temporizzatore al punto 2)
4 - Il potenziometro che ho usato nell'NE555 è stato uno da 100 kohm lineare a scorrimento (meglio gestibile), perché i 200kohm che avevo calcolato si sono rivelati troppi
5 - per risparmiare corrente, il circuito della radiosveglia sfrutta il 12v del trasformatore della radiosveglia stessa, il resto del circuito si alimenta da un trasformatore esterno con maggior corrente, ma che si accende solo quando la radiosveglia è accesa
6 - il 220 V l'ho preso da dentro la macchinetta del caffè, quindi è già sotto fusiblie, lo stesso vale per il trasformatore da 12v che è già sotto fusibile anch'esso
7 - il tutto è stato chiuso dentro una scatola da esterni, tutto fissato meticolosamente con fascette, ed anche i fili sono "intirabili"

Scusate il ritardo, tutto è testato è funzionante, e funziona perfettamente!!! Grazie Mille per l'aiuto, senza di voi sarebbe stato impossibile progettare una cosa del genere! :ok:
Ultima modifica di Foto Utentelambis il 13 apr 2013, 14:12, modificato 1 volta in totale.
Avatar utente
Foto Utentelambis
30 4
Frequentatore
Frequentatore
 
Messaggi: 134
Iscritto il: 7 mar 2009, 12:45

0
voti

[48] Re: Circuito Temporizzato Macchinetta caffè

Messaggioda Foto UtentePietroBaima » 13 apr 2013, 14:10

Mi sa, però che il BD681 ha il collettore e l'emettitore scambiati, nello schema.
Generatore codice per articoli:
nomi
Sul forum:
[pigreco]=π
[ohm]=Ω
[quadrato]=²
[cubo]=³
Avatar utente
Foto UtentePietroBaima
90,7k 7 12 13
G.Master EY
G.Master EY
 
Messaggi: 12207
Iscritto il: 12 ago 2012, 1:20
Località: Londra

0
voti

[49] Re: Circuito Temporizzato Macchinetta caffè

Messaggioda Foto Utentelambis » 13 apr 2013, 14:13

Hai ragione! scusami, era un difetto di battitura del primo circuito, di cui a quanto pare non ho salvato la correzione!
Avatar utente
Foto Utentelambis
30 4
Frequentatore
Frequentatore
 
Messaggi: 134
Iscritto il: 7 mar 2009, 12:45

Precedente

Torna a Elettronica generale

Chi c’è in linea

Visitano il forum: Nessuno e 78 ospiti