amplificatore differenziale con specchio multiplo
Moderatori:
carloc,
g.schgor,
BrunoValente,
IsidoroKZ
19 messaggi
• Pagina 2 di 2 • 1, 2
2
voti
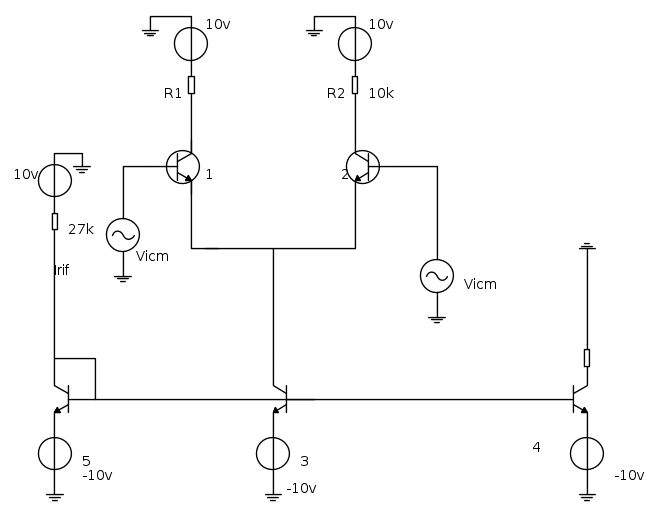
quello NON e` un differenziale, sono due amplificatori separati che NON amplificano!
Per usare proficuamente un simulatore, bisogna sapere molta più elettronica di lui
Plug it in - it works better!
Il 555 sta all'elettronica come Arduino all'informatica! (entrambi loro malgrado)
Se volete risposte rispondete a tutte le mie domande
Plug it in - it works better!
Il 555 sta all'elettronica come Arduino all'informatica! (entrambi loro malgrado)
Se volete risposte rispondete a tutte le mie domande
0
voti
scusate,questo è lo schema giusto..il disegno non corrispondeva a ciò che dicevo...
-

electrosasa
3 2 - Messaggi: 28
- Iscritto il: 30 giu 2012, 17:07
0
voti
Una bella differenza. Comunque, a parte un po' di trappole per depistare la gente, mi pare un normalissimo amplificatore differenziale....
Ciao
Piercarlo
Ciao
Piercarlo
1
voti
Adesso voglio una foto dei tuoi appunti con questo esercizio (formato 640x480 pixel al massimo) 
Per usare proficuamente un simulatore, bisogna sapere molta più elettronica di lui
Plug it in - it works better!
Il 555 sta all'elettronica come Arduino all'informatica! (entrambi loro malgrado)
Se volete risposte rispondete a tutte le mie domande
Plug it in - it works better!
Il 555 sta all'elettronica come Arduino all'informatica! (entrambi loro malgrado)
Se volete risposte rispondete a tutte le mie domande
0
voti
come si calcola l'intervallo di escursione massimo e minimo del segnale di modo comune...

-

electrosasa
3 2 - Messaggi: 28
- Iscritto il: 30 giu 2012, 17:07
0
voti
Salve forum,capisco che ho messo a dura prova la vostra pazienza,e me ne scuso profondamente,
ma due giorni dopo avevo l'esame e stavo sclerando...in ogni caso ..qualcuno a cui rimasta ancora un po' dipazienza,
potrebbe darmi qualche indicazione su come calcolare la Vicmin e VICmax...grazie
ciao

potrebbe darmi qualche indicazione su come calcolare la Vicmin e VICmax...grazie
ciao
-

electrosasa
3 2 - Messaggi: 28
- Iscritto il: 30 giu 2012, 17:07
2
voti
Dammi una buona ragione per cui dovrei sprecare il mio tempo a rispondere, dopo che tu ne hai fatto perdere tanto agli altri (mica solo a me) perche' non ti sei mai preso la briga di verificare che gli schemi che facevi fossero quelli che stavi studiando.
Ho chiesto due volte una foto dei tuoi appunti, se non vuoi metterla fa parte dei tuoi diritti costituzionali, ma fa parte dei miei di non rispondere.
Ho una regola molto semplice: tu vuoi qualcosa da me? Tu fai qualcosa per me, quello che chiedo io.
Inoltre gli UP in questo forum non sono molto ben visti. Dal mio punto di vista questo thread e` finito, la prossima volta quando ti si chiede di verificare la correttezza di uno schema o di mettere una foto lo fai.
Ho chiesto due volte una foto dei tuoi appunti, se non vuoi metterla fa parte dei tuoi diritti costituzionali, ma fa parte dei miei di non rispondere.
Ho una regola molto semplice: tu vuoi qualcosa da me? Tu fai qualcosa per me, quello che chiedo io.
Inoltre gli UP in questo forum non sono molto ben visti. Dal mio punto di vista questo thread e` finito, la prossima volta quando ti si chiede di verificare la correttezza di uno schema o di mettere una foto lo fai.
Per usare proficuamente un simulatore, bisogna sapere molta più elettronica di lui
Plug it in - it works better!
Il 555 sta all'elettronica come Arduino all'informatica! (entrambi loro malgrado)
Se volete risposte rispondete a tutte le mie domande
Plug it in - it works better!
Il 555 sta all'elettronica come Arduino all'informatica! (entrambi loro malgrado)
Se volete risposte rispondete a tutte le mie domande
19 messaggi
• Pagina 2 di 2 • 1, 2
Chi c’è in linea
Visitano il forum: Nessuno e 257 ospiti

Elettrotecnica e non solo (admin)
Un gatto tra gli elettroni (IsidoroKZ)
Esperienza e simulazioni (g.schgor)
Moleskine di un idraulico (RenzoDF)
Il Blog di ElectroYou (webmaster)
Idee microcontrollate (TardoFreak)
PICcoli grandi PICMicro (Paolino)
Il blog elettrico di carloc (carloc)
DirtEYblooog (dirtydeeds)
Di tutto... un po' (jordan20)
AK47 (lillo)
Esperienze elettroniche (marco438)
Telecomunicazioni musicali (clavicordo)
Automazione ed Elettronica (gustavo)
Direttive per la sicurezza (ErnestoCappelletti)
EYnfo dall'Alaska (mir)
Apriamo il quadro! (attilio)
H7-25 (asdf)
Passione Elettrica (massimob)
Elettroni a spasso (guidob)
Bloguerra (guerra)




