salve il professore mi ha dato una traccia x la realizzazione di un impianto, ma non so metterci mano, qualcuno può realizzarmi lo schema cortesemente? grazie mille:)
Realizzare lo schema di potenza, comando e segnalazione di un sistema automatizzato, costituito da un nastro trasportatore, una betoniera e due silos per il carico materiale.
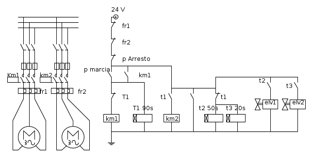
la pressione di un pulsante di start determinerà l'avvio del motore M che trascina il nastro trasportatore; contemporaneamente vengono comandate le elettrovalvole EV1 ed EV2 che permetteranno la fuori uscita del cemento per 20 secondi e della sabbia per 50 secondi. Dopo 90 secondi dallo start il nastro trasportatore si arresta e si avvia il motore Mb dellla betoniera.
Un pulsante di stop deve permettere l'arresto dell'automatismo in qualunque momento.
Spero possiate aiutarmi:)
impianto per la movimentazione automatica di un nastro trasp
Moderatori:
sebago,
MASSIMO-G,
lillo,
Mike
21 messaggi
• Pagina 1 di 3 • 1, 2, 3
0
voti
Ehm, la maggiorparte dei frequentatori di questo forum, ha fatto la maturità un bel po' di tempo fa, perché dovremmo svolgere i tuoi compiti?
Non voglio farti la morale, ma più in avanti, negli anni, capirai che più del pezzo di carta, quel che in questo momento ti serve è imparare ciò che fai, non importa se impieghi sei o sette anni invece di cinque.
Se proprio la cosa ti sembra pesante ed incomprensibile, potresti avere sbagliato indirizzo di studi, in questo caso la cosa si complica, ma a tutto c'è rimedio.
Saluti
Non voglio farti la morale, ma più in avanti, negli anni, capirai che più del pezzo di carta, quel che in questo momento ti serve è imparare ciò che fai, non importa se impieghi sei o sette anni invece di cinque.
Se proprio la cosa ti sembra pesante ed incomprensibile, potresti avere sbagliato indirizzo di studi, in questo caso la cosa si complica, ma a tutto c'è rimedio.
Saluti
Ognuno sta solo sul cuor della terra
trafitto da un raggio di sole:
ed è subito sera
Salvatore Quasimodo
trafitto da un raggio di sole:
ed è subito sera
Salvatore Quasimodo
0
voti
Andiamo al tuo problema, cosa non riesci a impostare della traccia proposta?
Che tipo di logica ti è stata richiesta, cablata (elettromeccanica) o programmabile (controllore/plc)?
Prova a buttare giù qualcosa con fidocadj e vedremo di lavorarci insieme.
Saluti
Che tipo di logica ti è stata richiesta, cablata (elettromeccanica) o programmabile (controllore/plc)?
Prova a buttare giù qualcosa con fidocadj e vedremo di lavorarci insieme.
Saluti
Ognuno sta solo sul cuor della terra
trafitto da un raggio di sole:
ed è subito sera
Salvatore Quasimodo
trafitto da un raggio di sole:
ed è subito sera
Salvatore Quasimodo
0
voti
praticamente fin ora abbiamo realizzato impianti con lo schema in mano è non ho avuto problemi, anzi sono anche uno dei pochi a saper leggere uno schema, ma ora il professore mi ha dato una traccia da realizzare, e ad altri ragazzi lo schema di un altro impianto, perché riconosceva in me le capacità di poter realizzare un'impianto dalla traccia, io qlks in mente su come dovrà essere ce l'ho ma ne sono molto convito, per questo motivo ho pensato di chiedere consiglio a qualcuno che ne sappia più di me e che mi possa dare una mano.
grazie mille
grazie mille
0
voti
lavolpe84 ha scritto:io qlks in mente su come dovrà essere ce l'ho ma ne sono molto convito
Siccome qui non diamo voti, potresti cominciare a buttare giù uno schema di massima (sempre con fidocadj, così eventualmente possiamo anche lavorarci insieme più facilmente).
Se il professore ti ha dato questo compito, perché ha visto in te delle capacità, probabilmente vuol dire che la cosa non è così "impossibile" come ti appare. Questo a maggior ragione del fatto che dici di sapere leggere gli schemi elettrici che ti sono stati proposti.
Al lavoro!
Ognuno sta solo sul cuor della terra
trafitto da un raggio di sole:
ed è subito sera
Salvatore Quasimodo
trafitto da un raggio di sole:
ed è subito sera
Salvatore Quasimodo
0
voti
Non sarebbe male iniziare con uno schema a blocchi e uno schema eventi sulla base dei tempi, poi sviluppa il problema a tuo modo e da li si vedrà come insieme arrivare alla soluzione più idonea.
Da zero risolvere un problema scolastico mi sembra scorretto nei confronti di chi svolgerà il tutto con le proprie forze, trovo invece costruttivo arrivare insieme alla soluzione
Da zero risolvere un problema scolastico mi sembra scorretto nei confronti di chi svolgerà il tutto con le proprie forze, trovo invece costruttivo arrivare insieme alla soluzione
MCSA Windows Server 2012 R2
Cisco CCNA R&S - Cisco CCNA Security - Cisco CCNA Cyber Ops
CompTia A+ - CompTia Linux+ - CompTIA Systems Support Specialist CSSS
CompTia Pentest+ LPIC-1 - VCP VMware - Cisco CCNP Enterprise
Cisco CCNA R&S - Cisco CCNA Security - Cisco CCNA Cyber Ops
CompTia A+ - CompTia Linux+ - CompTIA Systems Support Specialist CSSS
CompTia Pentest+ LPIC-1 - VCP VMware - Cisco CCNP Enterprise
0
voti
lavolpe84 ha scritto:cablata.
saluti

MCSA Windows Server 2012 R2
Cisco CCNA R&S - Cisco CCNA Security - Cisco CCNA Cyber Ops
CompTia A+ - CompTia Linux+ - CompTIA Systems Support Specialist CSSS
CompTia Pentest+ LPIC-1 - VCP VMware - Cisco CCNP Enterprise
Cisco CCNA R&S - Cisco CCNA Security - Cisco CCNA Cyber Ops
CompTia A+ - CompTia Linux+ - CompTIA Systems Support Specialist CSSS
CompTia Pentest+ LPIC-1 - VCP VMware - Cisco CCNP Enterprise
1
voti
questo è quello che avevo in mente, scusate per la simbologia ma fidocad non lo uso da molto quindi non so come trovarla, la segnalazione lo tralasciato perché la riesco a fare. se non capite qualcosa chiedete:) e scusate per lo schema graficamente brutto:)
0
voti
poiché le elettrovalvole non le ho mai usate non so se ci va l'autoritenuta. grazie:)
21 messaggi
• Pagina 1 di 3 • 1, 2, 3
Torna a Impianti, sicurezza e quadristica
Chi c’è in linea
Visitano il forum: Google Adsense [Bot] e 70 ospiti

Elettrotecnica e non solo (admin)
Un gatto tra gli elettroni (IsidoroKZ)
Esperienza e simulazioni (g.schgor)
Moleskine di un idraulico (RenzoDF)
Il Blog di ElectroYou (webmaster)
Idee microcontrollate (TardoFreak)
PICcoli grandi PICMicro (Paolino)
Il blog elettrico di carloc (carloc)
DirtEYblooog (dirtydeeds)
Di tutto... un po' (jordan20)
AK47 (lillo)
Esperienze elettroniche (marco438)
Telecomunicazioni musicali (clavicordo)
Automazione ed Elettronica (gustavo)
Direttive per la sicurezza (ErnestoCappelletti)
EYnfo dall'Alaska (mir)
Apriamo il quadro! (attilio)
H7-25 (asdf)
Passione Elettrica (massimob)
Elettroni a spasso (guidob)
Bloguerra (guerra)


