Cos'è ElectroYou | Login Iscriviti

ElectroYou - la comunità dei professionisti del mondo elettrico

impianto per la movimentazione automatica di un nastro trasp

Progettazione, esercizio, manutenzione, sicurezza, leggi, normative...

Moderatori: Foto Utentesebago, Foto UtenteMASSIMO-G, Foto Utentelillo, Foto UtenteMike

0
voti

[11] Re: impianto per la movimentazione automatica di un nastro t

Messaggioda Foto Utentemagoxax » 15 apr 2013, 23:20

...le elettrovalvole non le ho mai usate...

Funzionano come un teleruttore. ;-)
Quando ne alimenti la bobina, si eccita un circuito magnetico che apre o chiude (a seconda che la valvola sia normalmente aperta o normalmente chiusa) un otturatore.

Per quanto riguarda il circuito.... ci devi lavorare un altro po'. :lol:
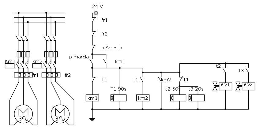
...contemporaneamente vengono comandate le elettrovalvole EV1 ed EV2...

Allo stato attuale le elettrovalvole partono anchce se non premi marcia (suggerimento: partono contemporaneamente al nastro... e si fermano dopo tot secondi)

P.S.
C'è un contatto che farà un bel corto.
Avatar utente
Foto Utentemagoxax
2.629 2 3 8
Expert EY
Expert EY
 
Messaggi: 1180
Iscritto il: 18 mar 2009, 14:56

0
voti

[12] Re: impianto per la movimentazione automatica di un nastro t

Messaggioda Foto Utentelavolpe84 » 15 apr 2013, 23:39

Cosa ho sbagliato? Quel contatto in parallelo alla bobina di km2 e l autoriteruta ho dimrnticato di nominarlo:-). T1 - t2 -t3 non partono a contare dopo aver premuto lo start? E dopo. 90s si eccita t1 che apre i contatti fermando il nastro e le elv e chiude il contatto della betoniera. Oppure ho sbagliato tutto?:( grazie mille:)
Avatar utente
Foto Utentelavolpe84
6 4
 
Messaggi: 46
Iscritto il: 19 mar 2012, 16:53

0
voti

[13] Re: impianto per la movimentazione automatica di un nastro t

Messaggioda Foto Utentelavolpe84 » 15 apr 2013, 23:46

Sorry mia colpa:-) ho sbagliato a copiare dallo schema cartaceo che avevo realizzato:-) dovevano essere in parallelo con t1:-) tralasciando quest'errore di copia e correggendolo l'impianto funziona come da richiesta?:-) grazie mille
Avatar utente
Foto Utentelavolpe84
6 4
 
Messaggi: 46
Iscritto il: 19 mar 2012, 16:53

0
voti

[14] Re: impianto per la movimentazione automatica di un nastro t

Messaggioda Foto Utentemagoxax » 15 apr 2013, 23:57

Sarò più esplicito.
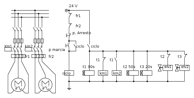
Per come hai disegnato lo schema i temporizzatori t2 e t3, iniziano a contare non appena dai il 24 V al circuito.
Dopodichè azionano le elettrovalvole. (e non fermandole mai succede un bel macello) :mrgreen:

Ri-suggerisco
Le elettrovalvole partono insieme al nastro e si fermano rispettivamente dopo 20'' e 50''.
:roll:

P.S.
fai finta che l'emoticon sia sotto "partono"; non riesco ad allinearla nel messaggio :oops:
Avatar utente
Foto Utentemagoxax
2.629 2 3 8
Expert EY
Expert EY
 
Messaggi: 1180
Iscritto il: 18 mar 2009, 14:56

0
voti

[15] Re: impianto per la movimentazione automatica di un nastro t

Messaggioda Foto Utentelavolpe84 » 16 apr 2013, 6:06

modificando lo schema cosi opportunamente dovrebbe sistemarsi tutto. esatto? :D
Avatar utente
Foto Utentelavolpe84
6 4
 
Messaggi: 46
Iscritto il: 19 mar 2012, 16:53

0
voti

[16] Re: impianto per la movimentazione automatica di un nastro t

Messaggioda Foto Utentelavolpe84 » 16 apr 2013, 6:25

ho ricontrollato lo schema e credo che t2 e t3 non devono essere ritardati all'eccitazione, perché cosi com'è ora dopo che si premerà il pulsante t2 e t3 inizieranno a contare e rispettivamente dopo 20 e 50s apriranno le elettrovalvole, per cui dovrò sostituire t2 e t3 con temporizzatori che si eccitano subito ma dopo 20s e 50s si fermano, xo mi sa che questo complica un po le cose. potete darmi un consiglio:-) grazie mille:-)
Avatar utente
Foto Utentelavolpe84
6 4
 
Messaggi: 46
Iscritto il: 19 mar 2012, 16:53

0
voti

[17] Re: impianto per la movimentazione automatica di un nastro t

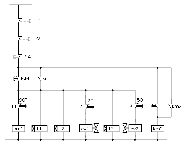
Messaggioda Foto Utenteg.schgor » 16 apr 2013, 6:48

Basta utilizzare contatti NC (normalmente chiusi) dei rispettivi
temporizzatori per il comando delle elettrovalvole (va anche tolto
il contatto di t1 in serie ai temporizzatori t2 e t3)
Piuttosto non hai corretto l'automantenimento di km2
(così com'è il contatto fa un corto, come ti è stato già detto).
L'arresto della betoniera è solo manuale?

Anche se la logica è "cablata", consiglierei di verificarne
il funzionamento con un simulatore di PLC
(se vuoi, potrei darti una mano in questa verifica).
Avatar utente
Foto Utenteg.schgor
57,8k 9 12 13
G.Master EY
G.Master EY
 
Messaggi: 16971
Iscritto il: 25 ott 2005, 9:58
Località: MILANO

0
voti

[18] Re: impianto per la movimentazione automatica di un nastro t

Messaggioda Foto Utentelavolpe84 » 16 apr 2013, 7:41

Si. Si arresto solo in modo manuale. Potete correggermi opportunatamente lo schema con fidocad? Grazie mille:-)
Avatar utente
Foto Utentelavolpe84
6 4
 
Messaggi: 46
Iscritto il: 19 mar 2012, 16:53

0
voti

[19] Re: impianto per la movimentazione automatica di un nastro t

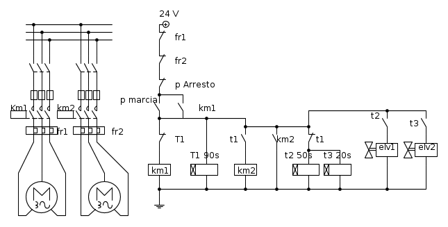
Messaggioda Foto Utenteg.schgor » 16 apr 2013, 10:37

Eccolo

Ho aggiunto un relè di ciclo (per mantenere questo in funzione
dopo che è intervenuto t1)
Un'osservazione: così le elettrovalvole agiscono contemporaneamente.
Non è meglio farle agire in sequenza (per evitare di scaricare
contemporaneamente i materiali sul nastro)?
Avatar utente
Foto Utenteg.schgor
57,8k 9 12 13
G.Master EY
G.Master EY
 
Messaggi: 16971
Iscritto il: 25 ott 2005, 9:58
Località: MILANO

0
voti

[20] Re: impianto per la movimentazione automatica di un nastro t

Messaggioda Foto UtenteStefanoSunda » 16 apr 2013, 10:44

Scusami Giovanni, non avevo visto il tuo post.
Avatar utente
Foto UtenteStefanoSunda
2.880 3 6 10
Master
Master
 
Messaggi: 1962
Iscritto il: 16 set 2010, 19:29

PrecedenteProssimo

Torna a Impianti, sicurezza e quadristica

Chi c’è in linea

Visitano il forum: Nessuno e 101 ospiti