Cos'è ElectroYou | Login Iscriviti

ElectroYou - la comunità dei professionisti del mondo elettrico

Dubbi riguardo al 555

Elettronica lineare e digitale: didattica ed applicazioni

Moderatori: Foto Utentecarloc, Foto Utenteg.schgor, Foto UtenteBrunoValente, Foto UtenteIsidoroKZ

0
voti

[1] Dubbi riguardo al 555

Messaggioda Foto Utentetipu91 » 15 apr 2013, 13:27

Salve,
Dovrei realizzare un timer e un mio conoscente mi ha fornito uno schema approssimativo, basando il tutto su un 555.
Questo timer dovrebbe azionare una pompa per 2 minuti ogni 30 circa, ma la cosa non mi convince: è possibile con la configurazione astabile del 555 ottenere un tempo di OUT ALTO più grande del tempo in cui il timer manterrebbe spenta la pompa?
Perché, premettendo che non sono un intenditore, ma essendomi documentato ho visto che il duty cicle non può superare il 50%, mentre nel mio caso dovrebbero essere molto diversi i due tempi.. Mi sfugge qualcosa? :oops:
Grazie
Avatar utente
Foto Utentetipu91
1.015 6 13
Expert EY
Expert EY
 
Messaggi: 229
Iscritto il: 12 nov 2012, 18:46
Località: Pisa

1
voti

[2] Re: Dubbi riguardo al 555

Messaggioda Foto UtenteIsidoroKZ » 15 apr 2013, 13:34

Ti e` sfuggito di mettere lo schema, incluso il driver della pompa. Se prendi come livello attivo il livello basso, hai un duty cycle del comando minore del 50%: dipende da come e` fatto il resto del circuito. Fai lo schema in fidocadj.
Per usare proficuamente un simulatore, bisogna sapere molta più elettronica di lui
Plug it in - it works better!
Il 555 sta all'elettronica come Arduino all'informatica! (entrambi loro malgrado)
Se volete risposte rispondete a tutte le mie domande
Avatar utente
Foto UtenteIsidoroKZ
121,2k 1 3 8
G.Master EY
G.Master EY
 
Messaggi: 21059
Iscritto il: 17 ott 2009, 0:00

0
voti

[3] Re: Dubbi riguardo al 555

Messaggioda Foto Utentetipu91 » 15 apr 2013, 14:48

Si purtroppo non sono in casa e non ho il computer dietro. Comunque mi hai già fatto notare una cosa importante, che si può prendere fine livello alto quello con periodo minore :ok: quando arrivo a casa stasera posto lo schema, ma premetto che è uno schema di massima!! Comunque grazie per la risposta!!
Avatar utente
Foto Utentetipu91
1.015 6 13
Expert EY
Expert EY
 
Messaggi: 229
Iscritto il: 12 nov 2012, 18:46
Località: Pisa

1
voti

[4] Re: Dubbi riguardo al 555

Messaggioda Foto Utentetipu91 » 15 apr 2013, 23:24

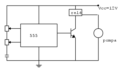
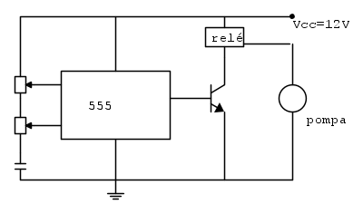
questo dovrebbe essere lo schema di massima (fatto su un fogliaccio molto frettolosamente, riportato in fidocadj):



qualche errore ci sarà sicuramente, ma spero non siano grossi :oops:

mentre la pompa in questione sarebbe questa:

http://www.ebay.it/itm/pompa-economica-per-camper-8l-min-12-volt-camper-campeggio-caravan-roulotte-new-/261150787371?pt=Campeggio_Attrezzature&hash=item3ccdccc72b&_uhb=1#ht_1713wt_1344

che dovrebbe "pompare" acqua per 2 minuti e stare ferma per una mezz'ora (ciclicamente)!!
Avatar utente
Foto Utentetipu91
1.015 6 13
Expert EY
Expert EY
 
Messaggi: 229
Iscritto il: 12 nov 2012, 18:46
Località: Pisa

2
voti

[5] Re: Dubbi riguardo al 555

Messaggioda Foto UtenteIsidoroKZ » 15 apr 2013, 23:41

Cosi` non riesce ad andare a tempi brevi: bisogna mettere un transistore PNP, in modo che il rele` si accenda quando l'uscita va a livello basso, qualcosa di questo genere



E` poi da mettere a posto il resto del circuito, per la temporizzazione. Suggerirei di usare un CMOS, visto che i tempi sono molto lunghi.
Per usare proficuamente un simulatore, bisogna sapere molta più elettronica di lui
Plug it in - it works better!
Il 555 sta all'elettronica come Arduino all'informatica! (entrambi loro malgrado)
Se volete risposte rispondete a tutte le mie domande
Avatar utente
Foto UtenteIsidoroKZ
121,2k 1 3 8
G.Master EY
G.Master EY
 
Messaggi: 21059
Iscritto il: 17 ott 2009, 0:00

0
voti

[6] Re: Dubbi riguardo al 555

Messaggioda Foto Utentetipu91 » 16 apr 2013, 9:15

Il CMOS al posto del BJT? È io diodo in parallelo al relè?
Per "sistemare il circuito di temporizzazione" intendi calcolare i valori delle resistenze (o dei potenziomentri per ottenere i tempi giusti!!
Per il resto dovrebbe andare bene?

Per il discorso che facevo ieri, riguardo al fatto che io dovrei ottenere un tempo di uscita ALTA molto minore del tempo di riposo (BASSO), con il circuito configurato in questa maniere, il problema è risolto?
Avatar utente
Foto Utentetipu91
1.015 6 13
Expert EY
Expert EY
 
Messaggi: 229
Iscritto il: 12 nov 2012, 18:46
Località: Pisa

0
voti

[7] Re: Dubbi riguardo al 555

Messaggioda Foto Utentetipu91 » 16 apr 2013, 10:04

Il CMOS al posto del BJT?

Scusa non avevo capito bene.. Ho capito ora cosa intendevo col CMOS!!
Avatar utente
Foto Utentetipu91
1.015 6 13
Expert EY
Expert EY
 
Messaggi: 229
Iscritto il: 12 nov 2012, 18:46
Località: Pisa

1
voti

[8] Re: Dubbi riguardo al 555

Messaggioda Foto Utenteclaudiocedrone » 17 apr 2013, 0:45

:-) Il diodo in parallelo alla bobina del relè è detto diodo di ricircolo, va obbligatoriamente messo quando la bobina del relè è comandata da un dispositivo elettronico poiché la bobina è un carico fortemente induttivo e quando la si disalimenta genera una extratensione elevata che si riverserebbe sul dispositivo di comando danneggiandolo; quel diodo fornisce una via alternativa alla suddetta extratensione che attraversandolo si scarica sulla alimentazione senza conseguenze. O_/
"Non farei mai parte di un club che accettasse la mia iscrizione" (G. Marx)
Avatar utente
Foto Utenteclaudiocedrone
21,3k 4 7 9
Master EY
Master EY
 
Messaggi: 15302
Iscritto il: 18 gen 2012, 13:36

0
voti

[9] Re: Dubbi riguardo al 555

Messaggioda Foto Utentetipu91 » 17 apr 2013, 12:07

Grazie mille del chiarimento.. Sto iniziando a capirci qualcosa :mrgreen:
E per il dimensionamento dei componenti??
Il diodo per esempio deve essere zener o cosa? Il transistor?
Avatar utente
Foto Utentetipu91
1.015 6 13
Expert EY
Expert EY
 
Messaggi: 229
Iscritto il: 12 nov 2012, 18:46
Località: Pisa

1
voti

[10] Re: Dubbi riguardo al 555

Messaggioda Foto Utenteclaudiocedrone » 17 apr 2013, 16:13

:-) Allora; "sistemare il resto del circuito" significa proprio dimensionare i componenti per ottenere il comportamento (temporizzazioni etc.) voluto; per il transistor va bene qualsiasi PNP che sopporti la tensione di comando del carico (bobina del relè) e la corrente assorbita e che abbia una "sensibilità" di pilotaggio adeguata al segnale che lo comanda (erogato dal 555), in sostanza un qualsiasi PNP che saturi bene con corrente e tensione erogate dal 555 (il quale, come ti ha indicato il micione è bene che sia una versione cmos :-) ); per il diodo ti consiglio di fare una cosa (a parte metterci un 1N4007 che va sempre bene :mrgreen: ): apri p.es. fidocad e cerca nella libreria nella sezione diodi i simboli del diodo, diodo zener, diodo tunnel, e diodo schottky così ti rendi conto che ogni "famiglia" di diodi ha il proprio simbolo caratteristico che la contraddistingue ;-) e impari qualcosina in più. O_/
"Non farei mai parte di un club che accettasse la mia iscrizione" (G. Marx)
Avatar utente
Foto Utenteclaudiocedrone
21,3k 4 7 9
Master EY
Master EY
 
Messaggi: 15302
Iscritto il: 18 gen 2012, 13:36

Prossimo

Torna a Elettronica generale

Chi c’è in linea

Visitano il forum: Google [Bot] e 79 ospiti