Quale corrente su Rg
Moderatori:
carloc,
g.schgor,
BrunoValente,
IsidoroKZ
4 messaggi
• Pagina 1 di 1
0
voti
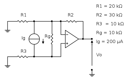
Per il seguente circuito ho un dubbio : la corrente Ig del generatore di corrente ,secondo me ,dovrebbe chiudersi nella Resistenza Rg dando luogo ad una caduta di tensione.
La soluzione all'esercizio invece determina che su Rg non vi e' caduta di tensione e la corrente su di essa e' nulla.
L'operazionale e' ideale , per cui v+ e v- sono allo stesso potenziale ,e' vero anche che la Resistenza Rg e' collegata ad una Resistenza di valore infinito
Se quanto ho capito e' giusto mi troverei ad una situazione del genere.
Non so se su Rg circola corrente e se questa e' Ig.
2
voti
Ciao,
angrigio!
Se l'uscita del amplificatore non è saturata, la soluzione sia giusta, perché la differenza della tensione fra le due ingressi dovrebbe essere sempre zero.
Secondo me, nel tuo caso basti verificare se sotto le condizioni descritti, l'amplificatore è saturato o non è.
angrigio ha scritto: ... La soluzione all'esercizio invece determina che su Rg non vi e' caduta di tensione e la corrente su di essa e' nulla ...
Se l'uscita del amplificatore non è saturata, la soluzione sia giusta, perché la differenza della tensione fra le due ingressi dovrebbe essere sempre zero.
Secondo me, nel tuo caso basti verificare se sotto le condizioni descritti, l'amplificatore è saturato o non è.
-

Sparafucile
4.361 4 8 - Master EY

- Messaggi: 649
- Iscritto il: 22 gen 2012, 19:57
0
voti
Gia`! Proprio cosi`. Guarda qui viewtopic.php?t=16478#p112710
L'idea base e` che quando l'operazionale e` in linearita`, V- insegue V+.
L'idea base e` che quando l'operazionale e` in linearita`, V- insegue V+.
Per usare proficuamente un simulatore, bisogna sapere molta più elettronica di lui
Plug it in - it works better!
Il 555 sta all'elettronica come Arduino all'informatica! (entrambi loro malgrado)
Se volete risposte rispondete a tutte le mie domande
Plug it in - it works better!
Il 555 sta all'elettronica come Arduino all'informatica! (entrambi loro malgrado)
Se volete risposte rispondete a tutte le mie domande
4 messaggi
• Pagina 1 di 1
Chi c’è in linea
Visitano il forum: Nessuno e 146 ospiti

Elettrotecnica e non solo (admin)
Un gatto tra gli elettroni (IsidoroKZ)
Esperienza e simulazioni (g.schgor)
Moleskine di un idraulico (RenzoDF)
Il Blog di ElectroYou (webmaster)
Idee microcontrollate (TardoFreak)
PICcoli grandi PICMicro (Paolino)
Il blog elettrico di carloc (carloc)
DirtEYblooog (dirtydeeds)
Di tutto... un po' (jordan20)
AK47 (lillo)
Esperienze elettroniche (marco438)
Telecomunicazioni musicali (clavicordo)
Automazione ed Elettronica (gustavo)
Direttive per la sicurezza (ErnestoCappelletti)
EYnfo dall'Alaska (mir)
Apriamo il quadro! (attilio)
H7-25 (asdf)
Passione Elettrica (massimob)
Elettroni a spasso (guidob)
Bloguerra (guerra)




