Buongiorno a tutti
, avrei da chiedere alcuni consigli riguardo l assemblaggio di un circuito elettronico.
Dovrei assemblare un circuito che mi permetta di comandare una serie di elettromagneti tramite l’apertuta di relativi fototransistor. A forcella.
Per essere chiaro l’esempio del singolo comando è questo :
fototransistor chiuso = elettromagnete non eccitato
fototransistor aperto = elettromagnete eccitato
necessito di due serie di 12 fototransistor (tot24)
dispongo già di elettromagneti a 12v i quali assorbono cadauno 30ma
nella normale fase di utilizzo possono essere azionati un massimo di 6 elettromagneti contemporaneamente per un tempo di massimo 10 secondi
inoltre
dispongo già di una tensione di alimentazione di 12 v
mi servirebbe quindi :
-un circuitino che mi abbassi la tensione da 12 a 5 v per alimentare i fototransistor
-un cirduitino che, tramite i l segnale dei fototransistor mi permetta di ottenere in uscita un comando a 12 v per i relativi elettromagneti .
Il circuito posso assemblarlo eventualmente anche con una millefori acquistando i componenti separati , in ogni caso non ho alcuna idea di quali componenti usare , nemmeno di componenti aggiuntivi (resistenza –condensatori ,diodi ecc )per alimentare o amplificare i segnali dei fototransistor, in pratica non ho idea dello schema elettrico.
Vi sarei grato se poteste darmi un idea , grazie a tutti voi.
azionamento elettromagneti tramite fototransistor
Moderatori:
carloc,
g.schgor,
BrunoValente,
IsidoroKZ
28 messaggi
• Pagina 1 di 3 • 1, 2, 3
1
voti
Che fototransitor a forcella usi? Sigla e data sheet! Per abbassare la tensione a 5V puoi usare un 7805.
Per usare proficuamente un simulatore, bisogna sapere molta più elettronica di lui
Plug it in - it works better!
Il 555 sta all'elettronica come Arduino all'informatica! (entrambi loro malgrado)
Se volete risposte rispondete a tutte le mie domande
Plug it in - it works better!
Il 555 sta all'elettronica come Arduino all'informatica! (entrambi loro malgrado)
Se volete risposte rispondete a tutte le mie domande
0
voti
vorrei usare dei fototransitor TCST 110
-

alessioferrari
5 4 - Messaggi: 45
- Iscritto il: 16 apr 2013, 22:32
3
voti
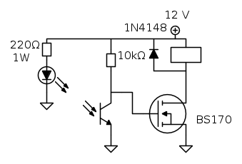
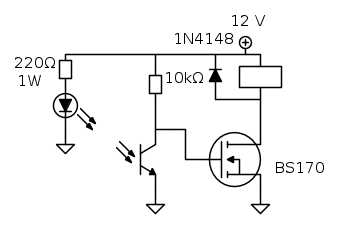
Non hai bisogno di abbassare la tensione a 12V, almeno stando al data sheet del componente che vuoi usare.
Questo schema dovrebbe andare bene
Quando non c'e` nulla nella forcella il fototransistor e` chiuso e il rele` e` aperto.
Diodo e resistenza nella ellisse rossa non dovrebbero essere necessari, non montarli. Solo se capitasse che il rele` non si apre quando il fototransistore e` chiuso aggiungili.
Questo schema dovrebbe andare bene
Quando non c'e` nulla nella forcella il fototransistor e` chiuso e il rele` e` aperto.
Diodo e resistenza nella ellisse rossa non dovrebbero essere necessari, non montarli. Solo se capitasse che il rele` non si apre quando il fototransistore e` chiuso aggiungili.
Per usare proficuamente un simulatore, bisogna sapere molta più elettronica di lui
Plug it in - it works better!
Il 555 sta all'elettronica come Arduino all'informatica! (entrambi loro malgrado)
Se volete risposte rispondete a tutte le mie domande
Plug it in - it works better!
Il 555 sta all'elettronica come Arduino all'informatica! (entrambi loro malgrado)
Se volete risposte rispondete a tutte le mie domande
0
voti
Grande!! Ti ringrazio molto, domani provo con sulla basetta sperimentale. Se puoi ,brevemente ,toglimi una curiosità: noto sempre nei circuiti che compro già assemblati il diodo che hai usato anche tu (quello fuori dall'ellisse) polarizzato inversamente, ovvero con il catodo sul positivo, a cosa serve?
-

alessioferrari
5 4 - Messaggi: 45
- Iscritto il: 16 apr 2013, 22:32
5
voti
Serve perche' quando provi a interrompere di colpo la corrente in una induttanza, questa si incazza come una biscia e alza la sua tensione per continuare a far passare la corrente "da qualche parte". Il "da qualche parte" vuol dire che si rompe qualcosa, tipicamente il transistore 
Se invece si mette il diodo, quando il transistore si spegne, la corrente passa attraverso il diodo e la tensione sul transistore e` limitata.
Se invece si mette il diodo, quando il transistore si spegne, la corrente passa attraverso il diodo e la tensione sul transistore e` limitata.
Per usare proficuamente un simulatore, bisogna sapere molta più elettronica di lui
Plug it in - it works better!
Il 555 sta all'elettronica come Arduino all'informatica! (entrambi loro malgrado)
Se volete risposte rispondete a tutte le mie domande
Plug it in - it works better!
Il 555 sta all'elettronica come Arduino all'informatica! (entrambi loro malgrado)
Se volete risposte rispondete a tutte le mie domande
0
voti
super esaustiva risposta, praticamente l'induttanza fa molla, in effetti nello scema elettrico si vede...
beh, visto che ci sei ne approfitto, se volessi sostituire l elettromagnete e metterne uno leggermente più grande potrebbe bastare sostituire il transistor? cosa dovrei guardare nella scheda (datasheet) del transistor ?
beh, visto che ci sei ne approfitto, se volessi sostituire l elettromagnete e metterne uno leggermente più grande potrebbe bastare sostituire il transistor? cosa dovrei guardare nella scheda (datasheet) del transistor ?
-

alessioferrari
5 4 - Messaggi: 45
- Iscritto il: 16 apr 2013, 22:32
0
voti
vediamo se dico fesserie; il bc337 è venduto per 0.8 A di corrente massima al collettore ed una dissipazione di potenza massima di 0,625w, per cui potrei usare anche,per esempio, un elettromagnete da 50ma?
-

alessioferrari
5 4 - Messaggi: 45
- Iscritto il: 16 apr 2013, 22:32
2
voti
Dipende da quanta corrente assorbe. Non basta cambiare il transistorw, bisogna rifare un po' di conti, oppure andare su un transistore MOS e si semplifica la vita.
Con questo arrivi a 100mA e oltre senza troppi problemi.
Con questo arrivi a 100mA e oltre senza troppi problemi.
Per usare proficuamente un simulatore, bisogna sapere molta più elettronica di lui
Plug it in - it works better!
Il 555 sta all'elettronica come Arduino all'informatica! (entrambi loro malgrado)
Se volete risposte rispondete a tutte le mie domande
Plug it in - it works better!
Il 555 sta all'elettronica come Arduino all'informatica! (entrambi loro malgrado)
Se volete risposte rispondete a tutte le mie domande
1
voti
Con il BC337 puoi salire forse fino a 100mA, ma diventa tirato, bisogna cambiare il valore della resistenza sull'opto.
Usa il MOS e vivi felice! Ho messo il bipolare perche' avevo capito il funzionamento a rovescio, e li` il MOS non era facile da trovare. Poi quando ho capito le specifiche ho solo corretto quello che avevo fatto, senza pensarlo ex novo.
Usa il MOS e vivi felice! Ho messo il bipolare perche' avevo capito il funzionamento a rovescio, e li` il MOS non era facile da trovare. Poi quando ho capito le specifiche ho solo corretto quello che avevo fatto, senza pensarlo ex novo.
Per usare proficuamente un simulatore, bisogna sapere molta più elettronica di lui
Plug it in - it works better!
Il 555 sta all'elettronica come Arduino all'informatica! (entrambi loro malgrado)
Se volete risposte rispondete a tutte le mie domande
Plug it in - it works better!
Il 555 sta all'elettronica come Arduino all'informatica! (entrambi loro malgrado)
Se volete risposte rispondete a tutte le mie domande
28 messaggi
• Pagina 1 di 3 • 1, 2, 3
Chi c’è in linea
Visitano il forum: Nessuno e 55 ospiti

Elettrotecnica e non solo (admin)
Un gatto tra gli elettroni (IsidoroKZ)
Esperienza e simulazioni (g.schgor)
Moleskine di un idraulico (RenzoDF)
Il Blog di ElectroYou (webmaster)
Idee microcontrollate (TardoFreak)
PICcoli grandi PICMicro (Paolino)
Il blog elettrico di carloc (carloc)
DirtEYblooog (dirtydeeds)
Di tutto... un po' (jordan20)
AK47 (lillo)
Esperienze elettroniche (marco438)
Telecomunicazioni musicali (clavicordo)
Automazione ed Elettronica (gustavo)
Direttive per la sicurezza (ErnestoCappelletti)
EYnfo dall'Alaska (mir)
Apriamo il quadro! (attilio)
H7-25 (asdf)
Passione Elettrica (massimob)
Elettroni a spasso (guidob)
Bloguerra (guerra)


