ponte Graetz uscita floating
Moderatori:
carloc,
g.schgor,
BrunoValente,
IsidoroKZ
31 messaggi
• Pagina 2 di 4 • 1, 2, 3, 4
1
voti
E questo che cosa ha che non ti piace e vorresti cambiare? Guardati anche questo che aiuta a usare una terminologia corretta.
Per usare proficuamente un simulatore, bisogna sapere molta più elettronica di lui
Plug it in - it works better!
Il 555 sta all'elettronica come Arduino all'informatica! (entrambi loro malgrado)
Se volete risposte rispondete a tutte le mie domande
Plug it in - it works better!
Il 555 sta all'elettronica come Arduino all'informatica! (entrambi loro malgrado)
Se volete risposte rispondete a tutte le mie domande
0
voti
Ok ho sbagliato simbolo per il riferimento, comuque quella che ho messo non volevo intenderla come massa cioè come la scatola metallica.
Quello che mi sta creando confuzione è che, per alcuni motivi, sullo stesso carico dovrei collegare in parallelo oltre che il ponte di Graetz, un altro semplicissimo rettificatore a singolo diodo come questo:
quindi il riferimento a valle del carico deve poter essere lo stesso per tutti e due. Mi è stato suggerito di collegarli a monte alla stessa antenna (il generatore negli schemi è un'antenna in realtà) e da li la confusione su come connetterli allo stesso carico. A parte che secondo me non ha molto senso connetterli alla stessa antenna; piuttosto userei due antenne diverse.
Comunque sia ho un po di confusione su riferimenti, ritorni di segnale ecc. in questo caso. Sembra strano ma in anni di libroni, formule complicate e chi più ne ha più ne metta, queste cose nessuno le ha mai dette.
Quello che mi sta creando confuzione è che, per alcuni motivi, sullo stesso carico dovrei collegare in parallelo oltre che il ponte di Graetz, un altro semplicissimo rettificatore a singolo diodo come questo:
quindi il riferimento a valle del carico deve poter essere lo stesso per tutti e due. Mi è stato suggerito di collegarli a monte alla stessa antenna (il generatore negli schemi è un'antenna in realtà) e da li la confusione su come connetterli allo stesso carico. A parte che secondo me non ha molto senso connetterli alla stessa antenna; piuttosto userei due antenne diverse.
Comunque sia ho un po di confusione su riferimenti, ritorni di segnale ecc. in questo caso. Sembra strano ma in anni di libroni, formule complicate e chi più ne ha più ne metta, queste cose nessuno le ha mai dette.
0
voti
si lo so però con "raddrizzatore" di solito si indica il solo diodo-resistenza o ponte di diodi con la sola resistenza alla porta di uscita, che hanno il solo scopo di tagliare la semionda negativa o ribaltarla e quindi fare il modulo del segnale posto in ingresso. Io invece volevo lasciar intendere che l'accrocco deve "rettificare" il segnale di ingresso ed avere una tensione costante in uscita. Avrei dovuto magari chiamarlo rivelatore di massimo per essere più corretto.
0
voti
neg ha scritto:si lo so però con "raddrizzatore" di solito si indica il solo diodo-resistenza o ponte di diodi con la sola resistenza alla porta di uscita, che hanno il solo scopo di tagliare la semionda negativa o ribaltarla e quindi fare il modulo del segnale posto in ingresso. Io invece volevo lasciar intendere che l'accrocco deve "rettificare" il segnale di ingresso ed avere una tensione costante in uscita. Avrei dovuto magari chiamarlo rivelatore di massimo per essere più corretto.
avevo letto la risposta di qualcuno in cui mi si diceva che non va chiamato rettificatore ma raddrizzatore.. il tempo di scrivere la risposta e ora quel commento non lo vedo più.
0
voti
ah simo85 l'avevi scritto tu il messaggio. perché l'hai cancellato? Comunque sia ti ringrazio per la puntualizzazione,
non vorrei però soffermarmi molto su questi dettagli formali.
non vorrei però soffermarmi molto su questi dettagli formali.0
voti
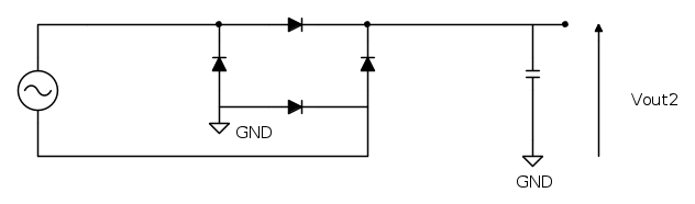
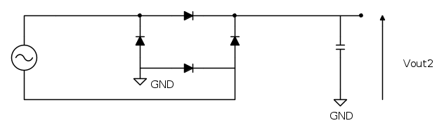
Il mio problema è come connettere Vout1 e Vout2 all'ingresso del regolatore. Se utilizzassi quest'altro schema:
in modo che la tensione sulla capacità possa essere prelevata rispetto allo stesso riferimento in entrambi, poi come fare il collegamento a monte col generatore nello schema con il ponte di Graetz?
Questo è il mio problema. Spero di essere stato il più chiaro possibile.
2
voti
di cosa si tratta? cosa è quel generatore? a quale frequenza lavora il ponte? cosa deve alimentare il regolatore? perché ti occorre raddrizzare due volte, l'una con un ponte e l'altra con un diodo? ecc...
-

BrunoValente
39,6k 7 11 13 - G.Master EY

- Messaggi: 7796
- Iscritto il: 8 mag 2007, 14:48
0
voti
il generatore è un'antenna in realtà. si tratta di un sistema di energy harvesting elettromagnetico a radio frequenza. La frequenza di lavoro è quella del basso GSM; nello schema non ho riportato le reti di adattamento che ho sviluppato per i due circuiti. il regolatore andrà ad alimentare una batteria a ioni di litio presumibilmente.
Ho necessità di usare due raddrizzatori perché uno (quello a singolo diodo) è ottimizzato per basse potenze incidenti sull'antenna (inferiori a 0 dBm); mentre il ponte ha alta efficienza per potenze più alte.
A basse potenze in ingresso a lavorare in realtà è solo il raddrizzatore a singolo diodo in quanto il ponte, a causa della doppia tensione di soglia non entra in funzione. al crescere della potenza si arriva ad un certo valore per cui, nel raddrizzatore a singolo diodo, la potenza trasferita non cresce più, ma si assesta ad un determinato livello. E qui l'esigenza di sviluppare anche un'altr tipo di raddrizzatore: l'altro circuito a ponte infatti è stato ottimizzato proprio per avere alta efficienza a partire da quel valore di potenza incidente.
Il caso ottimale sarebbe stato quello di avere due antenne, ma dato che la filosofia dello sviluppo di questi dispositivi è legata anche alla portabilità non ha senso creare troppo ingombro.
Allora il mio Prof. mi ha detto di connetterli tutti sulla stessa antenna anche se in questo modo non si ottiene il massimo trasferimento di potenza possibile. Io avevo pensato di usare uno switch che fosse comandato da un power detector, in modo che a seconda della potenza incidente sull'antenna venga abilitato l'uno o l'altro raddrizzatore. Ma anche qui per fare il power detector ci vogliono dei comparatori che devono essere alimentati e tutta una serie di componenti che dissipano potenza, lo stesso vale per lo switch.
Dato che non posso ovviamente disporre di alimentazione esterna dovrei usufruire di quella che ricavo con il dispositivo e quindi è un controsenso con lo scopo del dispositivo se viene dissipata troppa potenza nella circuiteria interna.
E quindi in prima approssimazione si è deciso di connettere i due raddrizzatori in linea di principio così come è mostrato in figura.
ok adesso credo di aver detto proprio tutto.
Ho necessità di usare due raddrizzatori perché uno (quello a singolo diodo) è ottimizzato per basse potenze incidenti sull'antenna (inferiori a 0 dBm); mentre il ponte ha alta efficienza per potenze più alte.
A basse potenze in ingresso a lavorare in realtà è solo il raddrizzatore a singolo diodo in quanto il ponte, a causa della doppia tensione di soglia non entra in funzione. al crescere della potenza si arriva ad un certo valore per cui, nel raddrizzatore a singolo diodo, la potenza trasferita non cresce più, ma si assesta ad un determinato livello. E qui l'esigenza di sviluppare anche un'altr tipo di raddrizzatore: l'altro circuito a ponte infatti è stato ottimizzato proprio per avere alta efficienza a partire da quel valore di potenza incidente.
Il caso ottimale sarebbe stato quello di avere due antenne, ma dato che la filosofia dello sviluppo di questi dispositivi è legata anche alla portabilità non ha senso creare troppo ingombro.
Allora il mio Prof. mi ha detto di connetterli tutti sulla stessa antenna anche se in questo modo non si ottiene il massimo trasferimento di potenza possibile. Io avevo pensato di usare uno switch che fosse comandato da un power detector, in modo che a seconda della potenza incidente sull'antenna venga abilitato l'uno o l'altro raddrizzatore. Ma anche qui per fare il power detector ci vogliono dei comparatori che devono essere alimentati e tutta una serie di componenti che dissipano potenza, lo stesso vale per lo switch.
Dato che non posso ovviamente disporre di alimentazione esterna dovrei usufruire di quella che ricavo con il dispositivo e quindi è un controsenso con lo scopo del dispositivo se viene dissipata troppa potenza nella circuiteria interna.
E quindi in prima approssimazione si è deciso di connettere i due raddrizzatori in linea di principio così come è mostrato in figura.
ok adesso credo di aver detto proprio tutto.
31 messaggi
• Pagina 2 di 4 • 1, 2, 3, 4
Chi c’è in linea
Visitano il forum: Nessuno e 95 ospiti

Elettrotecnica e non solo (admin)
Un gatto tra gli elettroni (IsidoroKZ)
Esperienza e simulazioni (g.schgor)
Moleskine di un idraulico (RenzoDF)
Il Blog di ElectroYou (webmaster)
Idee microcontrollate (TardoFreak)
PICcoli grandi PICMicro (Paolino)
Il blog elettrico di carloc (carloc)
DirtEYblooog (dirtydeeds)
Di tutto... un po' (jordan20)
AK47 (lillo)
Esperienze elettroniche (marco438)
Telecomunicazioni musicali (clavicordo)
Automazione ed Elettronica (gustavo)
Direttive per la sicurezza (ErnestoCappelletti)
EYnfo dall'Alaska (mir)
Apriamo il quadro! (attilio)
H7-25 (asdf)
Passione Elettrica (massimob)
Elettroni a spasso (guidob)
Bloguerra (guerra)





