Quando progettiamo (che parola grossa), meglio dire ci esercitiamo, sugli ampli a mosfet, controlliamo sempre che il MOS resti in zona si saturazione e non vada in zona ohmica.
Al contrario , per i BJT , si cerca di farli lavorare in zona attiva (zona con linee piatte), stando attenti a non farli andare in saturazione.
Quindi la definizione di zona di saturazione rappresenta due cose diverse nei mosfet e nei BJT.
Vabbeh, detto questo, che è solo una questione di forma, veniamo a noi.
Le luci effettivamente non so se è più carino farle che variano cn l'intensità del suono o no...sono indeciso.
Probabilmente si , sarebbe più carino, ma magari per ora è meglio lasciar stare.
Anche perché metterò dei potenziometri per regolare il guadagno dell'amplificatore, quindi si potrà comunque avere una sorta di regolazione.
Al max più avanti ne possiamo parlare, giusto per curiosità per capire come fare.
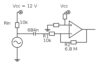
Utilizziamo quindi pure un comparatore. A questo punto il mosfet verrebbe pilotato da un'onda quadra.
Non so a quanto serva un trigger di Schmitt, tanto non si tratta di un antifurto..comunque..mettiamocelo pure,tanto che ce costa
Una domanda : a questo punto potrei mettere il controllo di sensibilità proprio sul comparatore, evitando di inserire potenziometri nella parte di amplificazione, giusto ? sarebbe meglio ? O conviene agire sull'amplifacione e lasciare il comparatore così com'è ?

Elettrotecnica e non solo (admin)
Un gatto tra gli elettroni (IsidoroKZ)
Esperienza e simulazioni (g.schgor)
Moleskine di un idraulico (RenzoDF)
Il Blog di ElectroYou (webmaster)
Idee microcontrollate (TardoFreak)
PICcoli grandi PICMicro (Paolino)
Il blog elettrico di carloc (carloc)
DirtEYblooog (dirtydeeds)
Di tutto... un po' (jordan20)
AK47 (lillo)
Esperienze elettroniche (marco438)
Telecomunicazioni musicali (clavicordo)
Automazione ed Elettronica (gustavo)
Direttive per la sicurezza (ErnestoCappelletti)
EYnfo dall'Alaska (mir)
Apriamo il quadro! (attilio)
H7-25 (asdf)
Passione Elettrica (massimob)
Elettroni a spasso (guidob)
Bloguerra (guerra)






