azionamento elettromagneti tramite fototransistor
Moderatori:
carloc,
g.schgor,
BrunoValente,
IsidoroKZ
28 messaggi
• Pagina 2 di 3 • 1, 2, 3
0
voti
Ti ringrazio moltissimo, domani li provo entrambi sulla basetta sperimentale.
-

alessioferrari
5 4 - Messaggi: 45
- Iscritto il: 16 apr 2013, 22:32
0
voti
Wow!!
tutto perfetto!
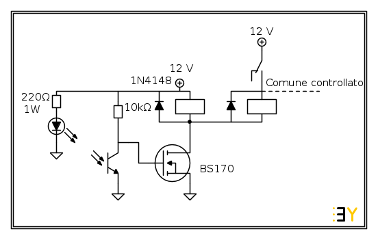
Ho provato sia quello con il mosfet bs170 sia quello con il transistor bc337 ,con quest ultimo funziona solo con i componenti nell ellisse altrimenti il magnete si eccita ma non torna a riposo.In ogni caso per l’applicazione vera userò i mosfet.
Ora Prima di lasciarti tranquillo avrei altre due domande:
io ho una serie di 12 fototransistor ,se invece di pilotare un elettromagnete per ciascun fototransistor ne volessi comandare 2 separati potrei semplicemente collegare un secondo gate di un secondo mosfet al collettore del fototransistor o succederebbe qualcosa ? inoltre, se volessi poter escludere una serie di elettromagneti basterebbe collegare un relais all’alimentazione degli stessi o potrebbe essere un problema?Se non fosse un problema ,sarebbe meglio escludere anche il diodo o no (a logica direi di no poiche se serve solo per scaricare la corrente causata dal “rinculo “dell elettromagnete ,quest ultimo è ora staccato)
Non so se mi sono spiegato ,il funzionamento dovrebbe essere questo:
ho 12 fototransistor , 24 elettromagneti e un relais che mi esclude una fila di elettromagneti
normalmente ,quando chiudo un fototransistor ,partono 2 elettromagneti
quando il relais è eccitato ,alla chiusura del fototransisor parte solo un elettromagnete.
Attendo con fiducia davanti al mio breadboard….
tutto perfetto!
Ho provato sia quello con il mosfet bs170 sia quello con il transistor bc337 ,con quest ultimo funziona solo con i componenti nell ellisse altrimenti il magnete si eccita ma non torna a riposo.In ogni caso per l’applicazione vera userò i mosfet.
Ora Prima di lasciarti tranquillo avrei altre due domande:
io ho una serie di 12 fototransistor ,se invece di pilotare un elettromagnete per ciascun fototransistor ne volessi comandare 2 separati potrei semplicemente collegare un secondo gate di un secondo mosfet al collettore del fototransistor o succederebbe qualcosa ? inoltre, se volessi poter escludere una serie di elettromagneti basterebbe collegare un relais all’alimentazione degli stessi o potrebbe essere un problema?Se non fosse un problema ,sarebbe meglio escludere anche il diodo o no (a logica direi di no poiche se serve solo per scaricare la corrente causata dal “rinculo “dell elettromagnete ,quest ultimo è ora staccato)
Non so se mi sono spiegato ,il funzionamento dovrebbe essere questo:
ho 12 fototransistor , 24 elettromagneti e un relais che mi esclude una fila di elettromagneti
normalmente ,quando chiudo un fototransistor ,partono 2 elettromagneti
quando il relais è eccitato ,alla chiusura del fototransisor parte solo un elettromagnete.
Attendo con fiducia davanti al mio breadboard….
-

alessioferrari
5 4 - Messaggi: 45
- Iscritto il: 16 apr 2013, 22:32
1
voti
Fai lo schema fidocad di due fototransitor che comandano 4 rele`spiegando bene che cosa vuoi fare.
Misura per favore la tensione sul gate del MOS con oggetto nella forcella e forcella libera.
Quanto e` l'assorbimento di ogni rele'?
Misura per favore la tensione sul gate del MOS con oggetto nella forcella e forcella libera.
Quanto e` l'assorbimento di ogni rele'?
Per usare proficuamente un simulatore, bisogna sapere molta più elettronica di lui
Plug it in - it works better!
Il 555 sta all'elettronica come Arduino all'informatica! (entrambi loro malgrado)
Se volete risposte rispondete a tutte le mie domande
Plug it in - it works better!
Il 555 sta all'elettronica come Arduino all'informatica! (entrambi loro malgrado)
Se volete risposte rispondete a tutte le mie domande
0
voti
ho disegnato lo schema sul mio cad ,poi trasferito su paint ma in ogni caso non riesco ad allegarlo , vedo se riesco a fare qualcosa con fidocad,
-

alessioferrari
5 4 - Messaggi: 45
- Iscritto il: 16 apr 2013, 22:32
0
voti
In ogni caso, per farla breve, potresti avere due alimentazioni diverse per gli elettromagneti. Quelli che dipendono da relè, saranno alimentati con un contatto del relè in serie. Mi sembra di ricordare che la corrente per ogni magnete non è particolarmente elevata e, quindi, un relè con contatto da 5A, abbadtanza comune, risolverà i tuoi problemi.
-

Candy
32,5k 7 10 13 - CRU - Account cancellato su Richiesta utente
- Messaggi: 10123
- Iscritto il: 14 giu 2010, 22:54
0
voti
Il mio sistema operativo non ne vuol sapere di fidocad vedremo cosa fare ,intanto provo a spiegarmi meglio.Lo schema base è identico a quello che mi ha dato isidoro (quello col mosfet) con la differenza che l’alimentazione dell elettromagnete(+) è interrotta da un relè interruttore. Poi di fianco inserisco: un identico mosfet che comanda un identico elettromagnete che è interrotto da un altro identico relè interruttore , ora, pernsavo di collegare il gate del secondo mosfet al gate del primo in modo che entrambi gli elettromagneti partano con il comando del fototransistor ma siano selezionabili a seconda del relè .Ho letto bene la scheda dgli elettromagneti ed ho scoperto che hanno un assorbimento di 0,2A cioè 200ma e non 30ma come pensavo, dunque non so se il bs 170 va ancora bene.In realtà l’ho provato e riprovato e non si è bruciato ,però vorrei capire quali sono le caratteristiche a cui devo badare guardo il datasheet.
Ti ringrazio
Ti ringrazio
-

alessioferrari
5 4 - Messaggi: 45
- Iscritto il: 16 apr 2013, 22:32
0
voti
calma calma ,lo so di essere imbranato ma con il mio sistema vista basic non riesco a disegnare, il programma l'ho scaricato ,ho visto che è fantastico ,ma non riesco proprio a disegnare ,portate un po di pazienza devo vedere come risolvere.
-

alessioferrari
5 4 - Messaggi: 45
- Iscritto il: 16 apr 2013, 22:32
28 messaggi
• Pagina 2 di 3 • 1, 2, 3
Chi c’è in linea
Visitano il forum: Nessuno e 245 ospiti

Elettrotecnica e non solo (admin)
Un gatto tra gli elettroni (IsidoroKZ)
Esperienza e simulazioni (g.schgor)
Moleskine di un idraulico (RenzoDF)
Il Blog di ElectroYou (webmaster)
Idee microcontrollate (TardoFreak)
PICcoli grandi PICMicro (Paolino)
Il blog elettrico di carloc (carloc)
DirtEYblooog (dirtydeeds)
Di tutto... un po' (jordan20)
AK47 (lillo)
Esperienze elettroniche (marco438)
Telecomunicazioni musicali (clavicordo)
Automazione ed Elettronica (gustavo)
Direttive per la sicurezza (ErnestoCappelletti)
EYnfo dall'Alaska (mir)
Apriamo il quadro! (attilio)
H7-25 (asdf)
Passione Elettrica (massimob)
Elettroni a spasso (guidob)
Bloguerra (guerra)

