Quando si parla in termini tecnici di un circuito, esistono anche schemi, grafici, misurazioni per poterne parlare!
La resistenza R1 ha più che altro uno scopo precauzionale più che una reale utilità. Precauzionale perché se un giorno il gate del mosfet o quella parte di circuito dovesse cortocircuitarsi a 0V, non si direrebbe subito dietro l'uscota del componente a monte.
Agli effetti la medesima R1 rallenta, (pochissimo) i tempi di carica a scerica della capacità di gate del mosfet, rallentandone la commutazione. Potrebbe dare brutti effetti in caso di switching veloci ad alta frequenza. Non è il tuo caso.
Per il resto. il componente attivo a monte ha una uscita di tipo push-pull, quindi non occorrono altre resistenze. Semmai il suggerimento iniziare era di evitare di prelevare corrente dalla medesima uscita che controlla il mosfet, per garantire la massima tensione d'uscita al gate del componente di potenza.
Come da incipit: se hai de dubbi, realizzi uno schema, dei diagrammi o delle misiurazioni se servono. Le poesie non bastano per discutere di circuiti elettrici, (come per altro).
Pilotaggio striscia led
Moderatori:
carloc,
g.schgor,
BrunoValente,
IsidoroKZ
19 messaggi
• Pagina 2 di 2 • 1, 2
-1
voti
Ok ho le idee ben chiare sul da farsi menomale siete un ottimo forum per imparare siete preparatissimi grazie mille.
Vorrei farvi solo altre due domande una e la differenza dei mosfet, cosa potrebbe capitare se utilizzassi dei mosfet di tipo IRFZ44N invece dei IRLZ44N? io avevo già fatto delle prove simili con i primi e dopo un paio di giorni si sono come fulminati rimanevano sempre accesi e non si spegnevano più. come mai?
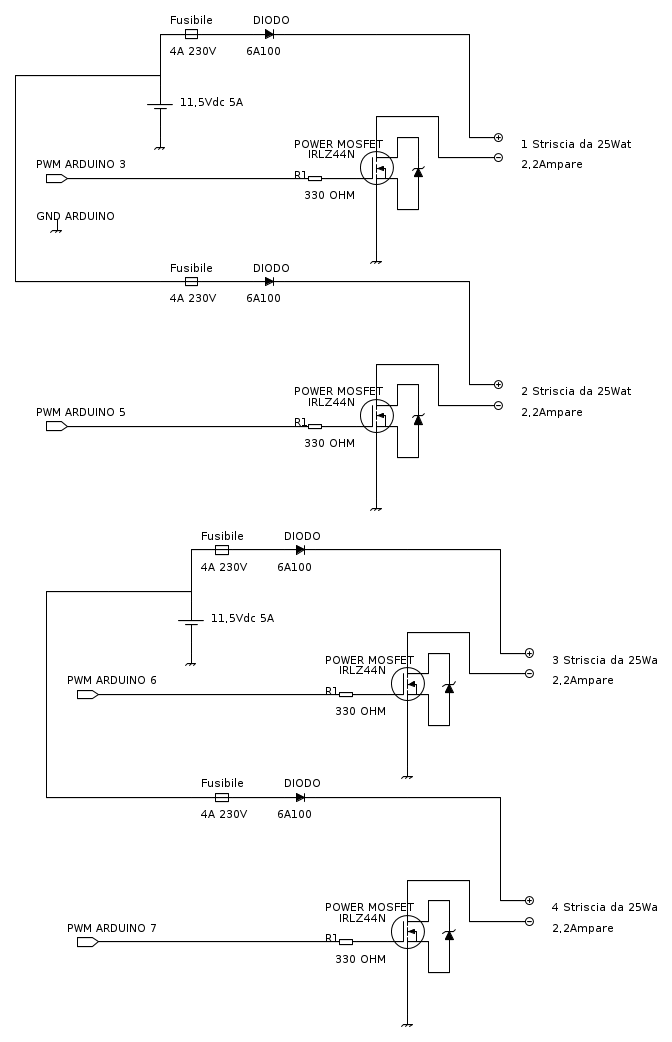
E la seconda e ultima domanda se io invece di pilotare solamente un mosfet volessi pilotarne 4 per controllare quattro strisce a led separate che ognuna consuma 25W più o meno 2,2A, con lo schema da me creato funzionerebbe Arduino non si sovraccaricano troppo le uscite PWM vi posto lo schema grazie mille a tutti buona serata.
Vorrei farvi solo altre due domande una e la differenza dei mosfet, cosa potrebbe capitare se utilizzassi dei mosfet di tipo IRFZ44N invece dei IRLZ44N? io avevo già fatto delle prove simili con i primi e dopo un paio di giorni si sono come fulminati rimanevano sempre accesi e non si spegnevano più. come mai?
E la seconda e ultima domanda se io invece di pilotare solamente un mosfet volessi pilotarne 4 per controllare quattro strisce a led separate che ognuna consuma 25W più o meno 2,2A, con lo schema da me creato funzionerebbe Arduino non si sovraccaricano troppo le uscite PWM vi posto lo schema grazie mille a tutti buona serata.
1
voti
Mettere una resistenza di pull down sul Gate aiuta a spegnere il transistore. La resistenza in serie serve ad evitare oscilazioni parassite.
http://www.ti.com/lit/ml/slup169/slup169.pdf
http://hmin.tripod.com/als/ccs/docs/pdf ... d_AB-9.pdf
In quel caso il MOSFET non si "accende bene", non si comporta come un interruttore completamente chiuso, la resistenza
è troppo alta per lo scopo, e di conseguenza lo è la
ed il transistore dissipa più potenza.
http://www.ti.com/lit/ml/slup169/slup169.pdf
http://hmin.tripod.com/als/ccs/docs/pdf ... d_AB-9.pdf
Daddi ha scritto:Vorrei farvi solo altre due domande una e la differenza dei mosfet, cosa potrebbe capitare se utilizzassi dei mosfet di tipo IRFZ44N invece dei IRLZ44N? io avevo già fatto delle prove simili con i primi e dopo un paio di giorni si sono come fulminati rimanevano sempre accesi e non si spegnevano più. come mai?
In quel caso il MOSFET non si "accende bene", non si comporta come un interruttore completamente chiuso, la resistenza
è troppo alta per lo scopo, e di conseguenza lo è la
ed il transistore dissipa più potenza.0
voti
Quindi se ho capito bene devo inserire sulla pista prima della R1 un ulteriore resistenza che si attacchi al GND per il pull down, e poi il mio secondo errore sarebbe quello d'aver inserito una resistenza troppo alta sul gate quindi dovrei diminuirla?
Grazie mille buona notte
Grazie mille buona notte
0
voti
Alcune precisazioni:
Non è del tutto esatto, ha una funzione ben precisa: il gate del MOS è un condensatore, piccolo, parliamo di picofarad, ma per le basse impedenze dello stadio di uscita dei micro produce picci di corrente brevissimi ma molto alti. Questi non sono certo graditi ai circuiti digitali .... e poi qualcuno si domanda come mai i micro si impallano !
Altra inesattezza. Posto che non fa male una resistenza aggiuntiva, in particolare se si prevede che l'uscita del micro sia "flottante" (tipicamente al reset); non serve perché lo stadio push-pull in uscita al micro è in grado di "spegnere" perfettamente il MOS.
Sono tutti dettagli che possono essere ignorati se basta "che il circuito funzioni"; diventano importanti se si vuole veramente sapere come lavora l'Elettronica.
Bye
Ser.Tom
Candy ha scritto:... La resistenza R1 ha più che altro uno scopo precauzionale più che una reale utilità.
Non è del tutto esatto, ha una funzione ben precisa: il gate del MOS è un condensatore, piccolo, parliamo di picofarad, ma per le basse impedenze dello stadio di uscita dei micro produce picci di corrente brevissimi ma molto alti. Questi non sono certo graditi ai circuiti digitali .... e poi qualcuno si domanda come mai i micro si impallano !
simo85 ha scritto: ...Mettere una resistenza di pull down sul Gate aiuta a spegnere il transistore.
Altra inesattezza. Posto che non fa male una resistenza aggiuntiva, in particolare se si prevede che l'uscita del micro sia "flottante" (tipicamente al reset); non serve perché lo stadio push-pull in uscita al micro è in grado di "spegnere" perfettamente il MOS.
Sono tutti dettagli che possono essere ignorati se basta "che il circuito funzioni"; diventano importanti se si vuole veramente sapere come lavora l'Elettronica.
Bye
Ser.Tom
19 messaggi
• Pagina 2 di 2 • 1, 2
Chi c’è in linea
Visitano il forum: Nessuno e 203 ospiti

Elettrotecnica e non solo (admin)
Un gatto tra gli elettroni (IsidoroKZ)
Esperienza e simulazioni (g.schgor)
Moleskine di un idraulico (RenzoDF)
Il Blog di ElectroYou (webmaster)
Idee microcontrollate (TardoFreak)
PICcoli grandi PICMicro (Paolino)
Il blog elettrico di carloc (carloc)
DirtEYblooog (dirtydeeds)
Di tutto... un po' (jordan20)
AK47 (lillo)
Esperienze elettroniche (marco438)
Telecomunicazioni musicali (clavicordo)
Automazione ed Elettronica (gustavo)
Direttive per la sicurezza (ErnestoCappelletti)
EYnfo dall'Alaska (mir)
Apriamo il quadro! (attilio)
H7-25 (asdf)
Passione Elettrica (massimob)
Elettroni a spasso (guidob)
Bloguerra (guerra)






