Cos'è ElectroYou | Login Iscriviti

ElectroYou - la comunità dei professionisti del mondo elettrico

azionamento elettromagneti tramite fototransistor

Elettronica lineare e digitale: didattica ed applicazioni

Moderatori: Foto Utentecarloc, Foto Utenteg.schgor, Foto UtenteBrunoValente, Foto UtenteIsidoroKZ

0
voti

[21] Re: azionamento elettromagneti tramite fototransistor

Messaggioda Foto Utenteclaudiocedrone » 26 apr 2013, 0:18

:-) Se hai problemi specifici con fidocad che non riesci a risolvere aiutandoti con la guida "fidocad per tonni" che trovi p. es. tra i link contenuti nel menù a tendina che si apre cliccando sulla voce "help" della schermata di EY, ti suggerisco di aprire al proposito un thread nella sezione "Problemi". O_/ P.s I miei problemi con fido li risolsi cambiando browser. O_/
"Non farei mai parte di un club che accettasse la mia iscrizione" (G. Marx)
Avatar utente
Foto Utenteclaudiocedrone
21,3k 4 7 9
Master EY
Master EY
 
Messaggi: 15302
Iscritto il: 18 gen 2012, 13:36

0
voti

[22] Re: azionamento elettromagneti tramite fototransistor

Messaggioda Foto Utentealessioferrari » 27 apr 2013, 0:20

Avatar utente
Foto Utentealessioferrari
5 4
 
Messaggi: 45
Iscritto il: 16 apr 2013, 22:32

0
voti

[23] Re: azionamento elettromagneti tramite fototransistor

Messaggioda Foto Utentealessioferrari » 27 apr 2013, 0:32

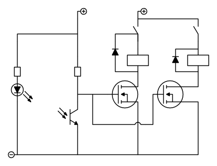
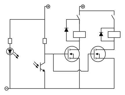
wow ci sono riuscito!! ecco ,riprendendo lo schema che isidoro mi ha consigliato, e che sulla breadboard funziona bene, ho pensato a questo ampliamento, che sarebbe in pratica quello di cui ho bisogno.
gli interruttori sarebbero in realtà due relè interruttori ma di fatto non cambia nulla.
cambia invece l'assorbimento dei miei elettromagneti che come ho detto ,risultano dalla scheda tecnica pari a o,2A cadauno cioè ogni elettromagnete succhia 200ma. Ora la domanda è questa : il bs170 è sufficiente per sopportare con tranquillità questo assorbimento, ? è corretto lo schema che penso di utilizzare per pilotare i due elettromagneti? Grazie a isidoro e a tutti coloro che mi danno una mano.
Avatar utente
Foto Utentealessioferrari
5 4
 
Messaggi: 45
Iscritto il: 16 apr 2013, 22:32

0
voti

[24] Re: azionamento elettromagneti tramite fototransistor

Messaggioda Foto Utentealessioferrari » 27 apr 2013, 0:46

Guardando bene lo schema proposto da Candy ,potrebbe andare bene, inserendo un interruttore sull alimentazione del primo elettromagnete , ma immagino che per pilotare due elettromagneti da 200ma sia necessario un mosfet bello grosso.
Avatar utente
Foto Utentealessioferrari
5 4
 
Messaggi: 45
Iscritto il: 16 apr 2013, 22:32

0
voti

[25] Re: azionamento elettromagneti tramite fototransistor

Messaggioda Foto Utentealessioferrari » 29 apr 2013, 16:58

buonasera, volevo aggiungere una domanda:
Ho visto in alcuni impianti già montati l’utilizzo di un varistore collegato in parallelo ad ogni elettromagnete che mi hanno detto funziona come “antiscintilla” ,mi domandavo se è sensato montarlo( visto che se non ho capito male ha lastessa funzione del diodo), e qualora avesse senso, quali sono i parametri per propozionarn il valore?
grazie
Avatar utente
Foto Utentealessioferrari
5 4
 
Messaggi: 45
Iscritto il: 16 apr 2013, 22:32

2
voti

[26] Re: azionamento elettromagneti tramite fototransistor

Messaggioda Foto UtenteCandy » 29 apr 2013, 17:27

Il varistore è alternativo al diodo, ma mentre il diodo è genericamente più rapido e grazie alla polarizzazione interviene nel momento opportuno, il varistore è costretto ad essere più lento perché non polarizzato.
Genericamente per circuito con piccoli relè ed elettromagneti, il diodo è sufficiente. La resistenza dell'avvolgimento limita la corrente e dissipa l'energia.
Avatar utente
Foto UtenteCandy
32,5k 7 10 13
CRU - Account cancellato su Richiesta utente
 
Messaggi: 10123
Iscritto il: 14 giu 2010, 22:54

0
voti

[27] Re: azionamento elettromagneti tramite fototransistor

Messaggioda Foto Utentealessioferrari » 9 mag 2013, 11:33

Buongiorno a tutti, torno a tediarvi con il mio schema. Ho provato sulla breadbord lo schema presente nella risposta n.22 che riprende quello consigliato da ISIDORO della risposta n.3.Funziona tutto bene tranne la resistenza collegata in serie al led che va bene per arrostire le castagne, probabilmente è opportuno creare un'alimentazione separata per questi leds?
Avatar utente
Foto Utentealessioferrari
5 4
 
Messaggi: 45
Iscritto il: 16 apr 2013, 22:32

0
voti

[28] Re: azionamento elettromagneti tramite fototransistor

Messaggioda Foto UtenteIsidoroKZ » 11 mag 2013, 11:51

Sto sempre aspettando la risposta a quanto avevo chiesto nel post [13]

Ora aggiungo altre domande (e leggi bene la mia firma!)

Le resistenze da 220ohm che hai messo da quanti watt sono? Sono fisicamente piu` grandi di quelle sul collettore del fototransistor? Qual e` la tensione ai capi della resistenza da 220ohm?

Misura la tensione su ciascuno dei led (12 misure), e riporta qui il valore massimo, quello minimo e quello medio di quella tensione.

Che cosa stai costruendo che ha una ottava e due registri?
Per usare proficuamente un simulatore, bisogna sapere molta più elettronica di lui
Plug it in - it works better!
Il 555 sta all'elettronica come Arduino all'informatica! (entrambi loro malgrado)
Se volete risposte rispondete a tutte le mie domande
Avatar utente
Foto UtenteIsidoroKZ
121,2k 1 3 8
G.Master EY
G.Master EY
 
Messaggi: 21059
Iscritto il: 17 ott 2009, 0:00

Precedente

Torna a Elettronica generale

Chi c’è in linea

Visitano il forum: Nessuno e 249 ospiti