ho visto, con grande piacere, che nel forum ci sono tanti piccoli geni
Veniamo al dunque: come da titolo, ho bisogno di un consiglio sul collegamento di un relè sulle tapparelle elettriche, vi spiego come è formato il mio impianto:
- 8 tapparelle elettriche, comandate da pulsanti su/giu interbloccati
- da ogni tapparella ho portato 2 cavi fino alla zona dove metterò una scheda relè per comandare apertura/chiusura centralizzata e comandata dal sistema di allarme, apertura di una o più tapparelle con un timer ad un'ora che voglio io (tipo sveglia
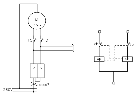
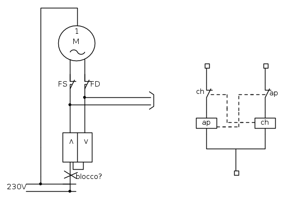
Bene, quello che vorrei è mettere un relè per salita e uno per discesa prima del motore, in modo da poter bloccare la salita o discesa nel momento in cui per esempio la tapparelle scende centralizzata e spingo la salita.
Ho pensato a 2 relè a doppio scambio, ma come li collego?
Avevo pensato ad una cosa del genere
Schema cancellato; per gli schemi si usa FidoCadJ. Leggiti le regole del forum.
ovvero che quando spigo il pulsante salita apre il contatto discesa e toglie la fase e viceversa...
Che dite va bene?

Elettrotecnica e non solo (admin)
Un gatto tra gli elettroni (IsidoroKZ)
Esperienza e simulazioni (g.schgor)
Moleskine di un idraulico (RenzoDF)
Il Blog di ElectroYou (webmaster)
Idee microcontrollate (TardoFreak)
PICcoli grandi PICMicro (Paolino)
Il blog elettrico di carloc (carloc)
DirtEYblooog (dirtydeeds)
Di tutto... un po' (jordan20)
AK47 (lillo)
Esperienze elettroniche (marco438)
Telecomunicazioni musicali (clavicordo)
Automazione ed Elettronica (gustavo)
Direttive per la sicurezza (ErnestoCappelletti)
EYnfo dall'Alaska (mir)
Apriamo il quadro! (attilio)
H7-25 (asdf)
Passione Elettrica (massimob)
Elettroni a spasso (guidob)
Bloguerra (guerra)
Ser.Tom






