Cos'è ElectroYou | Login Iscriviti

ElectroYou - la comunità dei professionisti del mondo elettrico

Circuito filtri attivi per luci psichedeliche

Elettronica lineare e digitale: didattica ed applicazioni

Moderatori: Foto Utentecarloc, Foto Utenteg.schgor, Foto UtenteBrunoValente, Foto UtenteIsidoroKZ

0
voti

[1] Circuito filtri attivi per luci psichedeliche

Messaggioda Foto Utentesebasera » 29 apr 2013, 21:24

Ciao a tutti! O_/
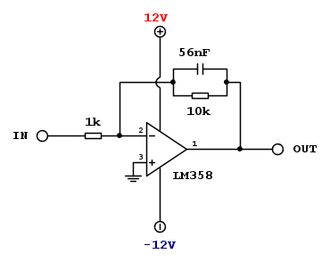
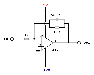
Ho trovato vari schemi e vari discussioni riguardanti l'argomento, ma vorrei realizzare un circuito per comandare un po' di led in stile luci psichedeliche, prelevando il segnale da una qualunque uscita audio jack (PC, mp3, ecc.) e dividere i colori dei led in base alla frequenza (bassi, medi, alti) quindi pensavo di utilizzare dei filtri attivi, ma premetto che sono alle prime armi a riguardo.
Per ora ho steso un'abbozzo di schema, ditemi se c'è qualcosa da sistemare :D



Qui i calcoli delle frequenze di taglio:

passa basso: ftH = 1/(2*π* 10*10^3Ω * 56*10^-9F) = 284Hz

passa alto: ftL = 1/(2*π* 10*10^3Ω * 5.6*10^-9F) = 2840Hz
Avatar utente
Foto Utentesebasera
53 1 1 7
Frequentatore
Frequentatore
 
Messaggi: 153
Iscritto il: 22 ago 2010, 9:44

2
voti

[2] Re: Circuito filtri attivi per luci psichedeliche

Messaggioda Foto UtenteIsidoroKZ » 29 apr 2013, 21:40

Controlla i guadagni in banda passante, le alimentazioni che non hai indicato...

Mi pareva che ci fossero degli schemi qui sul forum con filtri del secondo ordine.
Per usare proficuamente un simulatore, bisogna sapere molta più elettronica di lui
Plug it in - it works better!
Il 555 sta all'elettronica come Arduino all'informatica! (entrambi loro malgrado)
Se volete risposte rispondete a tutte le mie domande
Avatar utente
Foto UtenteIsidoroKZ
121,2k 1 3 8
G.Master EY
G.Master EY
 
Messaggi: 21059
Iscritto il: 17 ott 2009, 0:00

0
voti

[3] Re: Circuito filtri attivi per luci psichedeliche

Messaggioda Foto UtenteCandy » 29 apr 2013, 22:50

Forse il tuo schema è solo di principio, forse hai già in mente di migliorare lo stadio di uscita, non lo so. I 358 hanno un basso offset a livello logico 0, (circa 20 mV), ma con la loro corrente non accendono più che un LED e debolmente. Prevederei di mettere almeno un transistor interruttore per ogni terminale di uscita.
Avatar utente
Foto UtenteCandy
32,5k 7 10 13
CRU - Account cancellato su Richiesta utente
 
Messaggi: 10123
Iscritto il: 14 giu 2010, 22:54

0
voti

[4] Re: Circuito filtri attivi per luci psichedeliche

Messaggioda Foto Utentesebasera » 30 apr 2013, 1:55

Lo schema è solo un abbozzo, ovviamente per le uscite userò dei transistor.

Dunque con lo schema che utilizzo dovrei avere una tensione duale:


è possibile alimentare il circuito usando una tensione singola? Se si come configuro il tutto?
Avatar utente
Foto Utentesebasera
53 1 1 7
Frequentatore
Frequentatore
 
Messaggi: 153
Iscritto il: 22 ago 2010, 9:44

0
voti

[5] Re: Circuito filtri attivi per luci psichedeliche

Messaggioda Foto UtenteMasterCud » 30 apr 2013, 8:49

sebasera ha scritto:
è possibile alimentare il circuito usando una tensione singola? Se si come configuro il tutto?


Assolutamente no! l'unica cosa che puoi fare è un "rail splitter", si tratta di creare un partitore di tensione. In questo modo avrai un generatore unico che però si divide in 2 tensioni(uguali in modulo ma con segno opposto), ad esempio, alimentando il circuito con una batteria da 15 V, si ottiene in uscita una tensione duale di ±7.5 V.

Per quanto riguarda i filtri, io per non sbagliare aggiungerei anche una resistenza di carico da 10K ohm, in modo tale da limitare dissipazioni di potenza e rispettare le specifiche sulla corrente di uscita massima (sarà sull'ordine dei mV), il che significa prevenire eventuali cortocircuiti tali da danneggiare gli operazionali.
Avatar utente
Foto UtenteMasterCud
61 2
New entry
New entry
 
Messaggi: 69
Iscritto il: 23 apr 2013, 10:15

0
voti

[6] Re: Circuito filtri attivi per luci psichedeliche

Messaggioda Foto UtenteCandy » 30 apr 2013, 9:23

Per fare accendere simili LED, usando il 358 che è appositamente fatto per alimentazione singola, puoi fare il tuo circuito anche con singola alimentazione riferita a massa. L'ingresso jack dovrà essere anticipato da un condensatore ed un diodo di taglio... Confido che altri più esperti ti possano fare uno schema, che io ora non ho tempo di fare.
Avatar utente
Foto UtenteCandy
32,5k 7 10 13
CRU - Account cancellato su Richiesta utente
 
Messaggi: 10123
Iscritto il: 14 giu 2010, 22:54


Torna a Elettronica generale

Chi c’è in linea

Visitano il forum: Nessuno e 121 ospiti