sto cercando di costruire una centralina in grado di cambiare colore ogni tot tempo
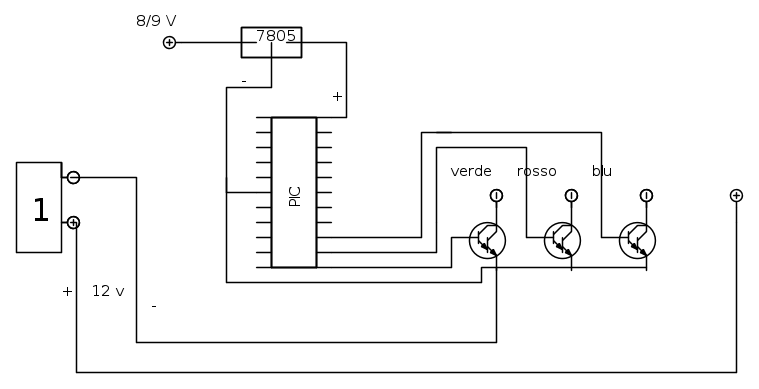
il circuito di cui parlo e il seguente:
sto cercando il piu possibile di costruirlo senza aiuti esterni pero ora sono giunto ad un problema:
il circuito contrassegnato dall' 1 e un circuito che si occupa di fornire -12 V a ritmo di musica
mentre il circuito rappresentato si occupa di prendere questo -12 V e di darlo a turno alle varie uscite (verde,rosso,blu)
il circuito "1" colleghera a massa i 3 transistor soltanto quando nella canzone riprodotta ci saranno dei bassi
mentre invece i 3 transistor saranno sempre collegati ai -5 V del 7805
il mio dubbio e il seguente :
ognuno dei 3 transistor dovrebbe condurre soltanto quando nello stesso istante sia presente -12V e tensione sulla base data dal PIC
questo -5 V che sta perennemente sul emitter potrebbe dare problemi e far condurre il transistor anche in assenza del -12V?
circuito cambia colore con PIC
Moderatore:
IsidoroKZ
3 messaggi
• Pagina 1 di 1
3 messaggi
• Pagina 1 di 1
Torna a Elettronica e spettacolo
Chi c’è in linea
Visitano il forum: Nessuno e 26 ospiti

Elettrotecnica e non solo (admin)
Un gatto tra gli elettroni (IsidoroKZ)
Esperienza e simulazioni (g.schgor)
Moleskine di un idraulico (RenzoDF)
Il Blog di ElectroYou (webmaster)
Idee microcontrollate (TardoFreak)
PICcoli grandi PICMicro (Paolino)
Il blog elettrico di carloc (carloc)
DirtEYblooog (dirtydeeds)
Di tutto... un po' (jordan20)
AK47 (lillo)
Esperienze elettroniche (marco438)
Telecomunicazioni musicali (clavicordo)
Automazione ed Elettronica (gustavo)
Direttive per la sicurezza (ErnestoCappelletti)
EYnfo dall'Alaska (mir)
Apriamo il quadro! (attilio)
H7-25 (asdf)
Passione Elettrica (massimob)
Elettroni a spasso (guidob)
Bloguerra (guerra)



