Buongiorno a tutti, vi chiedo il vostro parere per la realizzazione di un centralino in un appartamento di un mio caro amico che vuole spendere poco e avere le cose fatte bene.....
La situazione è questa, impianto elettrico completamente da rifare in tutta la casa, la casa è su due livelli di 40+40mq così composta:
piano terra : camera matrimoniale, cucina, giardino con illuminazione+prese e cancello elettrico;
piano primo : cameretta, salotto, bagno, disimpegno con lavatrice e caldaia.
Il mio amico vorrebbe avere un unico centralino al piano primo di fianco al contatore enel e però avere i due piani separati.
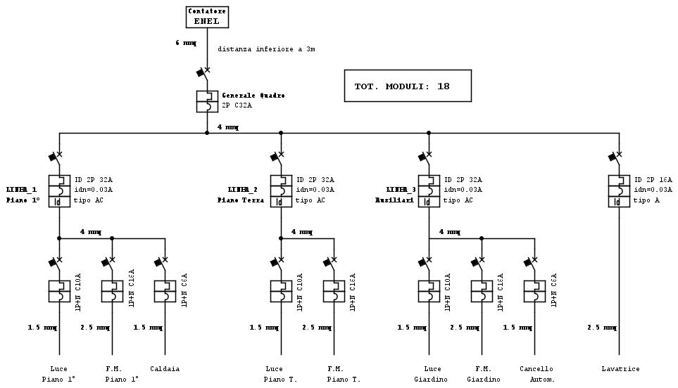
Io ho pensato ad un centralino da 24 moduli realizzato come da immagine allegata, quello che vi chiedo sono consigli ed eventuali modifiche.
grazie 1000
-Luca-
dubbio centralino
Moderatori:
sebago,
MASSIMO-G,
lillo,
Mike
41 messaggi
• Pagina 1 di 5 • 1, 2, 3, 4, 5
0
voti
l'idea non è male anche se secondo me c'è poca selettività utilizzando questa configurazione dei differenziali,scherzi a parte,un esempio:una dispersione nella caldaia ti farà saltare luci e prese del 1 piano,non utilizzare interuttori di 6 ampere,costano quanto quelli da 10 se non di più,gli interuttori da 32 ampere sn veramente eccessivi,un 25 ampere generale è piu che sufficiente e di linee secondarie 16 e 10 pe le luci,vedo che non c'è un spd e negli ausiliari mancano linea citofono,autoclave,allarme...dimmi un po non sei proprio del mestiere..se è un amico come dici affidati ad una persona più esperta,fare un impianto sembra facile ma non lo è per niente credimi..ciao 

0
voti
gianzap ha scritto:
non utilizzare interuttori di 6 ampere,costano quanto quelli da 10 se non di più,
L'impianto deve essere conforme alla nuova norma CEI 64-8, con prescrizioni del capitolo 37. (ex tabella A della V3)
“vivi il presente“
-

Pierluigi2002
1.048 2 3 6 - Expert

- Messaggi: 1599
- Iscritto il: 23 gen 2008, 23:12
0
voti
Lancio una bozza, che puo anche essere espansa..
1- linea dal GEM Eenel - linea montante unica con cavo multipolare FG72x10mm2 entro tubo/guaina corrugato da incasso.
2-Quadro generale composto da 36 moduli su 4 linee:---
* La prima linea in alto per la protezione - sezionatore Generale con magnetotermico C40 - 6kA;
* La seconda linea sotto e quella successiva per i sezionamenti dei due appartamenti; poi spiego come.
* L'ultima linea in basso per la barra EQP (Equipotenziale-principale) , prevista dalla V4 - Cei 64.8 ove predisporre il conduttore di terra, il conduttore per gli EQPS e gli eventuali SPD, qui arriva il conduttore di terra dal dispersore.
* Le utenze generali dell'unità immobiliare come l'apricancello, luci scale, etc etc .citofonia, saranno protette con magnetotermici dedicati posti nella prima fila in alto in fondo a destra.
*Le unità immobiliari, saranno sezionate con magnetotermico C32 4.5kA opportunamente serigrafato e ben visibiel sulla sinistra in linea sotto il sezionatore generale, con magnetotermici-differenziali singoli per FM, Luci, forno, campanello, utenze privilegiate; con almeno due differenziali per unità abitativa espandibili per le utenze inserite.
Per le utenze elettrodomestici cucina, posti incassati nel banco cucina, consiglio quadro di zona dedicato, con sezionamento e protezione epr singolo utilizzatore/elettrodomestico.
PS. Eviterei il Relè Massimo Consumo epr le ragioni che avevo espoto in un altro post.
La Barra Equipoteziale Generale alloggerà anche il conduttore PE (conduttore di protezione giallo-verde) che servirà le utenze, io consiglio due PE separati uno per unità abitativa, al posto dell'unico PE da diramare con appostio morsetto a mantello...deu PE si possono sezionare anche singolarmente in caso di ricerca guasto o misure di terra. entro il quadro generale, una morsettiera apposita bipolare consentirà le diramazioni pe rle utenze del caso, i due appartamenti e le utenze generali.
I differenziali , meglio sceglierli del tipo immune ai disturbi, le utenze esterne come garage e luci sempre separate con differenziale apposito, sono quelle con maggiore irschio di intervento.
Credo sia tutto...piu moduli, + spesa + vantaggi....+ soldi...- soldi = meno servizi ....

1- linea dal GEM Eenel - linea montante unica con cavo multipolare FG72x10mm2 entro tubo/guaina corrugato da incasso.
2-Quadro generale composto da 36 moduli su 4 linee:---
* La prima linea in alto per la protezione - sezionatore Generale con magnetotermico C40 - 6kA;
* La seconda linea sotto e quella successiva per i sezionamenti dei due appartamenti; poi spiego come.
* L'ultima linea in basso per la barra EQP (Equipotenziale-principale) , prevista dalla V4 - Cei 64.8 ove predisporre il conduttore di terra, il conduttore per gli EQPS e gli eventuali SPD, qui arriva il conduttore di terra dal dispersore.
* Le utenze generali dell'unità immobiliare come l'apricancello, luci scale, etc etc .citofonia, saranno protette con magnetotermici dedicati posti nella prima fila in alto in fondo a destra.
*Le unità immobiliari, saranno sezionate con magnetotermico C32 4.5kA opportunamente serigrafato e ben visibiel sulla sinistra in linea sotto il sezionatore generale, con magnetotermici-differenziali singoli per FM, Luci, forno, campanello, utenze privilegiate; con almeno due differenziali per unità abitativa espandibili per le utenze inserite.
Per le utenze elettrodomestici cucina, posti incassati nel banco cucina, consiglio quadro di zona dedicato, con sezionamento e protezione epr singolo utilizzatore/elettrodomestico.
PS. Eviterei il Relè Massimo Consumo epr le ragioni che avevo espoto in un altro post.
La Barra Equipoteziale Generale alloggerà anche il conduttore PE (conduttore di protezione giallo-verde) che servirà le utenze, io consiglio due PE separati uno per unità abitativa, al posto dell'unico PE da diramare con appostio morsetto a mantello...deu PE si possono sezionare anche singolarmente in caso di ricerca guasto o misure di terra. entro il quadro generale, una morsettiera apposita bipolare consentirà le diramazioni pe rle utenze del caso, i due appartamenti e le utenze generali.
I differenziali , meglio sceglierli del tipo immune ai disturbi, le utenze esterne come garage e luci sempre separate con differenziale apposito, sono quelle con maggiore irschio di intervento.
Credo sia tutto...piu moduli, + spesa + vantaggi....+ soldi...- soldi = meno servizi ....

0
voti
gianzap ha scritto:l'idea non è male anche se secondo me c'è poca selettività utilizzando questa configurazione dei differenziali,scherzi a parte,un esempio:una dispersione nella caldaia ti farà saltare luci e prese del 1 piano,non utilizzare interuttori di 6 ampere,costano quanto quelli da 10 se non di più,gli interuttori da 32 ampere sn veramente eccessivi,un 25 ampere generale è piu che sufficiente e di linee secondarie 16 e 10 pe le luci,vedo che non c'è un spd e negli ausiliari mancano linea citofono,autoclave,allarme...dimmi un po non sei proprio del mestiere..se è un amico come dici affidati ad una persona più esperta,fare un impianto sembra facile ma non lo è per niente credimi..ciao
ciao ragazzi,grazie delle risposte, per gianzap effettivamente non sono elettricista di professione, ma ho lavorato ormai 8 anni fa assieme ad un professionista, allora i centralini non si facevano in questo modo ed è per questo che faccio fatica a progettarlo, secondo te come potrei fare per aver miglior selettività?
0
voti
che potenza contrattuale ha questo appartamento?
perché senza quella è inutile discutere della taglia dell'interruttore generale.
inoltre non riesco a vedere la quarta linea dello schema che hai postato...
ah, e la caldaia la metterei tra gli ausiliari, non col primo piano...
perché senza quella è inutile discutere della taglia dell'interruttore generale.
inoltre non riesco a vedere la quarta linea dello schema che hai postato...
ah, e la caldaia la metterei tra gli ausiliari, non col primo piano...
Almeno l'itagliano sallo...
0
voti
guzz ha scritto:che potenza contrattuale ha questo appartamento?
perché senza quella è inutile discutere della taglia dell'interruttore generale.
inoltre non riesco a vedere la quarta linea dello schema che hai postato...
Ah, e la caldaia la metterei tra gli ausiliari, non col primo piano...
Ciao, non riesco a ridimensionare l'immagine...la quarta linea è un differenziale classe a da 16a a protezione della lavatrice,la potenza contrattuale è il classico 3 kW enel
41 messaggi
• Pagina 1 di 5 • 1, 2, 3, 4, 5
Torna a Impianti, sicurezza e quadristica
Chi c’è in linea
Visitano il forum: Nessuno e 78 ospiti

Elettrotecnica e non solo (admin)
Un gatto tra gli elettroni (IsidoroKZ)
Esperienza e simulazioni (g.schgor)
Moleskine di un idraulico (RenzoDF)
Il Blog di ElectroYou (webmaster)
Idee microcontrollate (TardoFreak)
PICcoli grandi PICMicro (Paolino)
Il blog elettrico di carloc (carloc)
DirtEYblooog (dirtydeeds)
Di tutto... un po' (jordan20)
AK47 (lillo)
Esperienze elettroniche (marco438)
Telecomunicazioni musicali (clavicordo)
Automazione ed Elettronica (gustavo)
Direttive per la sicurezza (ErnestoCappelletti)
EYnfo dall'Alaska (mir)
Apriamo il quadro! (attilio)
H7-25 (asdf)
Passione Elettrica (massimob)
Elettroni a spasso (guidob)
Bloguerra (guerra)




