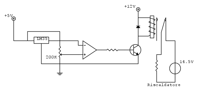
Salve a tutti, ho un circuito per il controllo di temperatura, che altro non è che un semplice LF411 configurato come comparatore, che fa il confronto tra una tensione di riferimento fissata, e la tensione di uscita dell'LM35.
Funziona bene, ma ho un dubbio.
l'uscita dell'OPamp è collegata tramite resistenza alla base di un BC337. Di questo l'emettitore è a massa, mentre il collettore comanda la bobina del relè.
Ora i passaggi di temperatura sono molto lenti, questo si traduce in termini di attivazione del relè molto lenti, infatti a volte il relè sta anche 7-8min a switchare continuativamente e si sente una sorta di ronzio.
Quello che mi chiedo, è pericoloso un funzionamento del genere del relè? c'è modo di avere uno stacco secco?
Di seguito il circuito, dove osservate il semplice confronto della tensione ottenuta dal sensore di temperatura, e la tensione fissata tramite il partitore.
Il relè attiva una resistenza di potenza che svolge la funzione di riscaldatore.
Camera termostata con LM35 come sensore di temp
Moderatori:
carloc,
g.schgor,
BrunoValente,
IsidoroKZ
16 messaggi
• Pagina 1 di 2 • 1, 2
0
voti
brunosso ha scritto:Quello che mi chiedo, è pericoloso un funzionamento del genere del relè? c'è modo di avere uno stacco secco?
Che cosa intendi con pericoloso? Che si possa danneggiare il relè?
Se si l'unica cosa pericolosa che vedo per il relè è il possibile consumo precoce dei contatti, ciò dipende molto anche dalla corrente che consuma il riscaldatore. Più è elevata e peggio è per i contatti.
Personalmente vedo un grosso errore, uno medio e uno piccolo.
Quello grosso: non hai neanche una isteresi, se l'applicazione non è particolare ti consiglio di adottarla, anche poca roba. Se l'applicazione non lo permette allora è un altro discorso.
Quello medio: ruotando tutto il trimmer al minimo, o al massimo dipende come è montato, si mette in corto circuito l'alimentazione a 5V.
Quello piccolo: mancano almeno due condensatori, uno in poliestere da 100nF tra il positivo a 5V e il potenziale di riferimento e uno elettrolitico da una manciata di microfarad tra il nodo positivo a 12V e il potenziale di riferimento.
Inoltre, quanto consuma la bobina del relè? Di che valore è la resistenza in serie alla base del transistor? Con che tensione alimenti l'operazionale?

0
voti
belva87 ha scritto:brunosso ha scritto:Quello che mi chiedo, è pericoloso un funzionamento del genere del relè? c'è modo di avere uno stacco secco?
Che cosa intendi con pericoloso? Che si possa danneggiare il relè?
Se si l'unica cosa pericolosa che vedo per il relè è il possibile consumo precoce dei contatti, ciò dipende molto anche dalla corrente che consuma il riscaldatore. Più è elevata e peggio è per i contatti.
La corrente che circola nel riscaldatore è bassa, 0.24A sono due resistenze in parallelo da 150Ohm e 180Ohm.
belva87 ha scritto:Quello grosso: non hai neanche una isteresi, se l'applicazione non è particolare ti consiglio di adottarla, anche poca roba. Se l'applicazione non lo permette allora è un altro discorso.
Il circuito era già pronto, io l'ho solo modificato in quanto aveva un sensore di umidità collegato. Devo prendere spunto da qui per implementare l'isteresi?
viewtopic.php?f=1&t=7566
belva87 ha scritto:
Quello medio: ruotando tutto il trimmer al minimo, o al massimo dipende come è montato, si mette in corto circuito l'alimentazione a 5 V.
Non si verifica mai questa condizione, in quanto essendo multigiro, è difficile che intenzionalmente si vada a mettere al masssimo o al minimo. La regolazione avviene in un range molto ristretto.
belva87 ha scritto:Quello piccolo: mancano almeno due condensatori, uno in poliestere da 100nF tra il positivo a 5 V e il potenziale di riferimento e uno elettrolitico da una manciata di microfarad tra il nodo positivo a 12 V e il potenziale di riferimento.
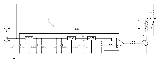
Il circuito è più grande di quello che ho postato, ora provvedo a disegnarlo completamente
belva87 ha scritto:Inoltre, quanto consuma la bobina del relè? Di che valore è la resistenza in serie alla base del transistor? Con che tensione alimenti l'operazionale?
1. La bobina dal datasheet del relè (finder 40.52S) dovrebbe assorbire a 14V, circa 35-47mA
2. 3.9kΩ 5%
3. Alimento a 14V duale
0
voti
0
voti
simo85 ha scritto:Come già scritto ti serve un comparatore ad isteresi e la resistenza in serie al potenziometro è meglio mettercela.
quindi riferendomi a questo circuito
devo considerare r4 e r5, come il mio potenziometro, ed aggiungere le altre resistenze, magari simulandone il circuito
0
voti
simo85 ha scritto:Si però in questo caso il comparatore non è invertente.
Prima fatti bene i calcoli e poi li verifichi con le simulazioni.
ok, procedo con la simulazione
0
voti
simo85 ha scritto:simo85 ha scritto:Si però in questo caso il comparatore non è invertente.
Forse mi sono confuso..
invertente o no, penso cambi solo il funzionamento, attualmente il mio circuito attiva il relè se la soglia rilevata dall'lm35 è inferiore al riferimento.
se cambio gli ingressi invertente e non invertente dell'opamp, cambia solo il funzionamento, ed il relè si attiva quando la soglia dell'lm35 è superiore al riferimento.
16 messaggi
• Pagina 1 di 2 • 1, 2
Chi c’è in linea
Visitano il forum: Nessuno e 76 ospiti

Elettrotecnica e non solo (admin)
Un gatto tra gli elettroni (IsidoroKZ)
Esperienza e simulazioni (g.schgor)
Moleskine di un idraulico (RenzoDF)
Il Blog di ElectroYou (webmaster)
Idee microcontrollate (TardoFreak)
PICcoli grandi PICMicro (Paolino)
Il blog elettrico di carloc (carloc)
DirtEYblooog (dirtydeeds)
Di tutto... un po' (jordan20)
AK47 (lillo)
Esperienze elettroniche (marco438)
Telecomunicazioni musicali (clavicordo)
Automazione ed Elettronica (gustavo)
Direttive per la sicurezza (ErnestoCappelletti)
EYnfo dall'Alaska (mir)
Apriamo il quadro! (attilio)
H7-25 (asdf)
Passione Elettrica (massimob)
Elettroni a spasso (guidob)
Bloguerra (guerra)




