Dubbio schema PIC + Demux
Moderatore:
Paolino
21 messaggi
• Pagina 1 di 3 • 1, 2, 3
0
voti
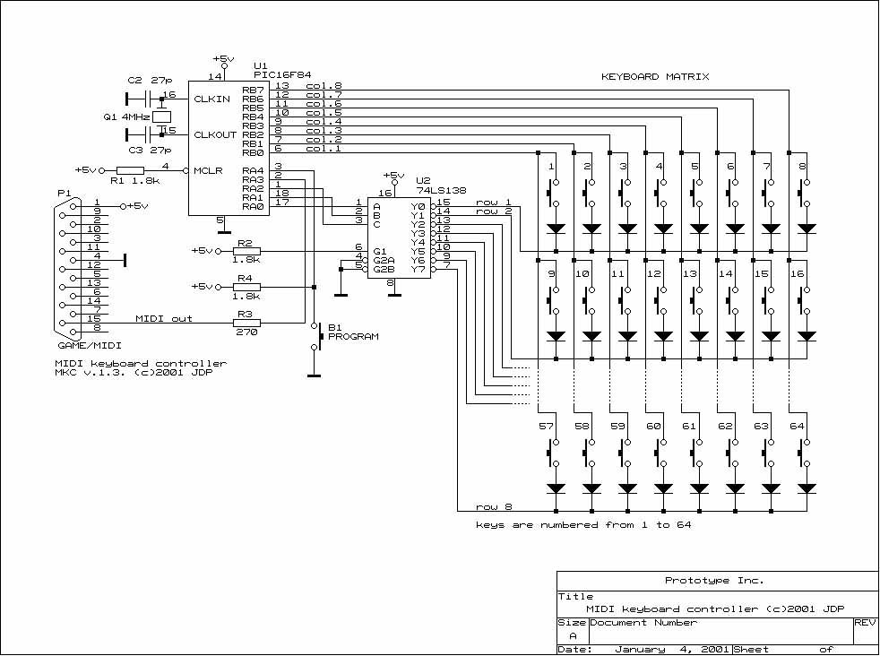
Salve, non riesco a capire una cosa in questo schema. I pulsanti sono collegati da una parte al PIC e dall'altra al demux. Per riconoscere quale pulsante sia stato schiacciato, i piedini vengono messi a 1 logico ciclicamente per poi vedere quale di questi 1 ritorna al PIC. Giusto? Se così fosse perché allora i pulsanti sono collegati alle uscite del demux?
- Allegati
-
- mkcp_org.jpg (97.35 KiB) Osservato 6316 volte
Ultima modifica di
kristian il 9 mag 2013, 23:00, modificato 1 volta in totale.
0
voti
kristian ha scritto:Salve, non riesco a capire una cosa in questo schema. I pulsanti sono collegati da una parte al PIC e dall'altra al demux. Per riconoscere quale pulsante sia stato schiacciato, i piedini vengono messi a 1 logico ciclicamente per poi vedere quale di questi 1 ritorna al PIC. Giusto? Se così fosse perché allora i pulsanti sono collegati alle uscite del demux?
Ma quale schema?
-

angelorosso
40 3 - New entry

- Messaggi: 61
- Iscritto il: 17 lug 2011, 22:36
0
voti
kristian ha scritto:...Se così fosse perché allora i pulsanti sono collegati alle uscite del demux?
La risposta sta nella domanda.
Ma sono curioso di sapere dove gli avresti collegati tu. A gli ingressi del demux, alle uscite del PIC o dove?
E magari sapere anche il motivo non mi dispiacerebbe.
"La follia sta nel fare sempre la stessa cosa aspettandosi risultati diversi".
"Parla soltanto quando sei sicuro che quello che dirai è più bello del silenzio".
Rispondere è cortesia, ma lasciare l'ultima parola ai cretini è arte.
"Parla soltanto quando sei sicuro che quello che dirai è più bello del silenzio".
Rispondere è cortesia, ma lasciare l'ultima parola ai cretini è arte.
-

TardoFreak
73,9k 8 12 13 - -EY Legend-

- Messaggi: 15754
- Iscritto il: 16 dic 2009, 11:10
- Località: Torino - 3° pianeta del Sistema Solare
0
voti
Non ti preoccupare, ho bene presente la cosa.
Risposte?
Risposte?
"La follia sta nel fare sempre la stessa cosa aspettandosi risultati diversi".
"Parla soltanto quando sei sicuro che quello che dirai è più bello del silenzio".
Rispondere è cortesia, ma lasciare l'ultima parola ai cretini è arte.
"Parla soltanto quando sei sicuro che quello che dirai è più bello del silenzio".
Rispondere è cortesia, ma lasciare l'ultima parola ai cretini è arte.
-

TardoFreak
73,9k 8 12 13 - -EY Legend-

- Messaggi: 15754
- Iscritto il: 16 dic 2009, 11:10
- Località: Torino - 3° pianeta del Sistema Solare
0
voti
Lavora bene perché è collegato nel modo giusto.
Altro non si può dire.
In pratica serve solo per risparmiare pin dal PIC. Si potrebbe omettere se si utilizzassero più pin di uscita del micro.
Domanda: conosci il principio di funzionamento di una tastiera scannerizzata?
Altro non si può dire.
In pratica serve solo per risparmiare pin dal PIC. Si potrebbe omettere se si utilizzassero più pin di uscita del micro.
Domanda: conosci il principio di funzionamento di una tastiera scannerizzata?
"La follia sta nel fare sempre la stessa cosa aspettandosi risultati diversi".
"Parla soltanto quando sei sicuro che quello che dirai è più bello del silenzio".
Rispondere è cortesia, ma lasciare l'ultima parola ai cretini è arte.
"Parla soltanto quando sei sicuro che quello che dirai è più bello del silenzio".
Rispondere è cortesia, ma lasciare l'ultima parola ai cretini è arte.
-

TardoFreak
73,9k 8 12 13 - -EY Legend-

- Messaggi: 15754
- Iscritto il: 16 dic 2009, 11:10
- Località: Torino - 3° pianeta del Sistema Solare
0
voti
Ma il principio di funzionamento è quello detto sopra?
kristian ha scritto:Per riconoscere quale pulsante sia stato schiacciato, i piedini vengono messi a 1 logico ciclicamente per poi vedere quale di questi 1 ritorna al PIC.
0
voti
Si.
Non a caso ti ho detto che la risposta sta nella domanda.
Non a caso ti ho detto che la risposta sta nella domanda.
"La follia sta nel fare sempre la stessa cosa aspettandosi risultati diversi".
"Parla soltanto quando sei sicuro che quello che dirai è più bello del silenzio".
Rispondere è cortesia, ma lasciare l'ultima parola ai cretini è arte.
"Parla soltanto quando sei sicuro che quello che dirai è più bello del silenzio".
Rispondere è cortesia, ma lasciare l'ultima parola ai cretini è arte.
-

TardoFreak
73,9k 8 12 13 - -EY Legend-

- Messaggi: 15754
- Iscritto il: 16 dic 2009, 11:10
- Località: Torino - 3° pianeta del Sistema Solare
21 messaggi
• Pagina 1 di 3 • 1, 2, 3
Torna a Realizzazioni, interfacciamento e nozioni generali.
Chi c’è in linea
Visitano il forum: Nessuno e 3 ospiti

Elettrotecnica e non solo (admin)
Un gatto tra gli elettroni (IsidoroKZ)
Esperienza e simulazioni (g.schgor)
Moleskine di un idraulico (RenzoDF)
Il Blog di ElectroYou (webmaster)
Idee microcontrollate (TardoFreak)
PICcoli grandi PICMicro (Paolino)
Il blog elettrico di carloc (carloc)
DirtEYblooog (dirtydeeds)
Di tutto... un po' (jordan20)
AK47 (lillo)
Esperienze elettroniche (marco438)
Telecomunicazioni musicali (clavicordo)
Automazione ed Elettronica (gustavo)
Direttive per la sicurezza (ErnestoCappelletti)
EYnfo dall'Alaska (mir)
Apriamo il quadro! (attilio)
H7-25 (asdf)
Passione Elettrica (massimob)
Elettroni a spasso (guidob)
Bloguerra (guerra)
