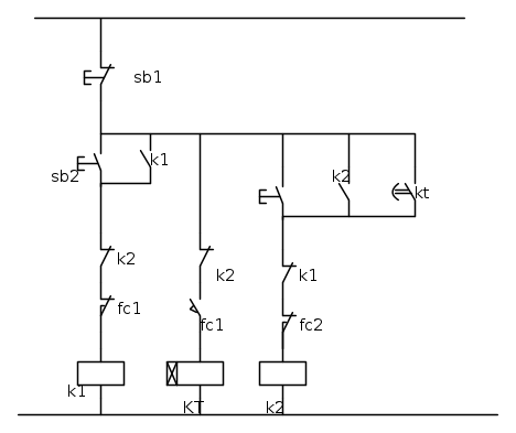
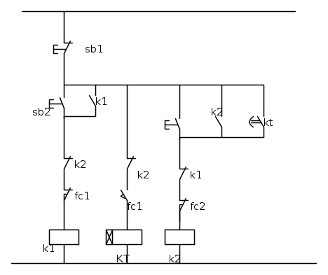
Schema funzionale nastro trasportatore.
Moderatori:
sebago,
MASSIMO-G,
lillo,
Mike
40 messaggi
• Pagina 2 di 4 • 1, 2, 3, 4
0
voti
ecco fatto. pero mi sa che non e giusto !
0
voti
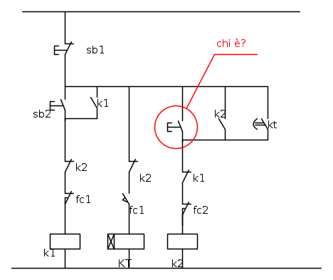
Mattew84 ha scritto:Nel post [1] vedo un solo pulsante (sb1), nello schema tre, di cui uno senza nome
lo rivisionato mi sembrava sbagliato, perche sb1 e il pulsante di arresto mentre sb2 avvia la marcia del nastro.
0
voti
-1
voti
dovrebbe essere il pulsante per riprendere la marcia, mi sa che o confuso a farlo!! o tremila fogli davanti a me!scusa ! comunque quello che voglio fare e un impianto che si avvii poi si fermi per un tempo necessario(io uso il temporizzatore) e poi riparta.
1
voti
Prima di proseguire nella disamina del circuito, sarebbe opportuno chiarire un aspetto con chi ha scritto il testo dell'esercizio:
1) Quanti pezzi può contenre il cassone di scarico? Per come è scritto nel testo sembra più di uno.
2) Allora chi informa il sistema che il pezzo è caduto nel cassone? FC2? Ma sembra che questo rilevi la presenza del cassone (leggendo il testo).
3) Sempre leggendo il testo, FC2 effettua il reset. Di cosa? Del singolo ciclo? O del cambio cassone. Perché se effettua il reset del singolo ciclo, allora non è un finecorsa di presenza cassone, se invece effettua il reset al cambio cassone allora manca un sensore di singolarizzazione pezzo.
E' un dubbio questo da chiarire.
Ce ne sarebbero molti altri, ma, accettando lo scopo dell'esercizio, può andare bene così.
1) Quanti pezzi può contenre il cassone di scarico? Per come è scritto nel testo sembra più di uno.
2) Allora chi informa il sistema che il pezzo è caduto nel cassone? FC2? Ma sembra che questo rilevi la presenza del cassone (leggendo il testo).
3) Sempre leggendo il testo, FC2 effettua il reset. Di cosa? Del singolo ciclo? O del cambio cassone. Perché se effettua il reset del singolo ciclo, allora non è un finecorsa di presenza cassone, se invece effettua il reset al cambio cassone allora manca un sensore di singolarizzazione pezzo.
E' un dubbio questo da chiarire.
Ce ne sarebbero molti altri, ma, accettando lo scopo dell'esercizio, può andare bene così.
-

Candy
32,5k 7 10 13 - CRU - Account cancellato su Richiesta utente
- Messaggi: 10123
- Iscritto il: 14 giu 2010, 22:54
-1
voti
Siamo arrivati al post [17] e ancora non sappiamo cosa devi fare.
Schiarisciti bene le idee, e posta il problema corretto, con tutti i componenti che devi usare (pulsanti, finecorsa, motori,...) debitamente siglati.
Il primo passo per fare qualsiasi cosa è avere le idee ben chiare.
Schiarisciti bene le idee, e posta il problema corretto, con tutti i componenti che devi usare (pulsanti, finecorsa, motori,...) debitamente siglati.
Il primo passo per fare qualsiasi cosa è avere le idee ben chiare.

1
voti
Mantenendo fermo quanto ho già scritto, lo scopo dell'esercizio è quello di individuare ed inserire correttamente una memoria, per ricordarsi che dopo l'asciugatura il pezzo è ancora da scricare; passando per un altro problema: la diversificazione di due istanti uguali del processo, che devono risultare in due comportamenti ed azioni diverse.
Prima di preoccuparmi dello schema, mi preoccuperei di capire e condividere un diagramma di flusso.
Prima di preoccuparmi dello schema, mi preoccuperei di capire e condividere un diagramma di flusso.
-

Candy
32,5k 7 10 13 - CRU - Account cancellato su Richiesta utente
- Messaggi: 10123
- Iscritto il: 14 giu 2010, 22:54
0
voti
sondani ha scritto:quello che voglio fare e un impianto che si avvii poi si fermi per un tempo necessario(io uso il temporizzatore) e poi riparta.
Sì, questo si è capito. Il problema principale è scrivere prima la logica di funzionamento e i vari consensi necessari. La traduzione delle istruzioni in forma di schema è l'ultimo passo.
Fino alla ripartenza dopo il ciclo di asciugatura, ci siamo arrivati tutti mi pare, a me non mi è chiara la rilevazione della cesta in cui cadono i pezzi e tutto ciò che concerne questa fase.
Saluti
Ognuno sta solo sul cuor della terra
trafitto da un raggio di sole:
ed è subito sera
Salvatore Quasimodo
trafitto da un raggio di sole:
ed è subito sera
Salvatore Quasimodo
40 messaggi
• Pagina 2 di 4 • 1, 2, 3, 4
Torna a Impianti, sicurezza e quadristica
Chi c’è in linea
Visitano il forum: Nessuno e 63 ospiti

Elettrotecnica e non solo (admin)
Un gatto tra gli elettroni (IsidoroKZ)
Esperienza e simulazioni (g.schgor)
Moleskine di un idraulico (RenzoDF)
Il Blog di ElectroYou (webmaster)
Idee microcontrollate (TardoFreak)
PICcoli grandi PICMicro (Paolino)
Il blog elettrico di carloc (carloc)
DirtEYblooog (dirtydeeds)
Di tutto... un po' (jordan20)
AK47 (lillo)
Esperienze elettroniche (marco438)
Telecomunicazioni musicali (clavicordo)
Automazione ed Elettronica (gustavo)
Direttive per la sicurezza (ErnestoCappelletti)
EYnfo dall'Alaska (mir)
Apriamo il quadro! (attilio)
H7-25 (asdf)
Passione Elettrica (massimob)
Elettroni a spasso (guidob)
Bloguerra (guerra)




