Buonasera, ho un problema, non riesco a svolgere un esercizio potreste aiutarmi? Ecco di seguito il testo :
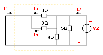
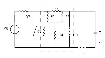
Calcolare la matrice delle ammettenze del doppio bipolo e la tensione ai capi del condensatore per t>0 sapendo che l'interruttore chiude a t=0 e il circuito è in regime per t<0, Vg(t) = 10 cos(wt)V, w =10^4 rad/s, R1=4ohm, R2=3ohm, R3= 5ohm, R4= 3ohm, R5= 3ohm, R6= 3ohm, R7= 4ohm, R8= 6ohm, C= 25uF.
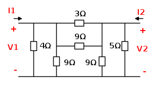
Matrice ammettenze doppio bipolo
Moderatori:
g.schgor,
IsidoroKZ
11 messaggi
• Pagina 1 di 2 • 1, 2
1
voti
Visto che chiede la matrice delle ammettenze, tanto vale calcolarla subito.
Prendi il blocco delle 6 resistenze e applica la definizione della matrice Y per trovare i 4 elementi. I conti dei 4 parametri si fa mettendo in corto la porta che cui non stai applicando tensione.
Y11 ad esempio si calcola trovando l'ammettenza da R1 verso destra e cortocircuitando R3. Analogamente per Y22 cortocircuiti R1 e trovi l'ammettenza di R3 in parallelo al resto della rete ecc. ecc.
Prendi il blocco delle 6 resistenze e applica la definizione della matrice Y per trovare i 4 elementi. I conti dei 4 parametri si fa mettendo in corto la porta che cui non stai applicando tensione.
Y11 ad esempio si calcola trovando l'ammettenza da R1 verso destra e cortocircuitando R3. Analogamente per Y22 cortocircuiti R1 e trovi l'ammettenza di R3 in parallelo al resto della rete ecc. ecc.
Per usare proficuamente un simulatore, bisogna sapere molta più elettronica di lui
Plug it in - it works better!
Il 555 sta all'elettronica come Arduino all'informatica! (entrambi loro malgrado)
Se volete risposte rispondete a tutte le mie domande
Plug it in - it works better!
Il 555 sta all'elettronica come Arduino all'informatica! (entrambi loro malgrado)
Se volete risposte rispondete a tutte le mie domande
0
voti
Grazie per la celere risposta, ma io è proprio questo che non ho capito, mi dicevano di fare la trasformazione stella triangolo ma non so proprio da dove iniziare, spero in un tuo(vostro) aiuto grazie
-

morbidoso88
9 3 - Messaggi: 20
- Iscritto il: 4 dic 2012, 4:52
1
voti
Non mi sembra che sia indispensabile usare una trasformazione triangolo stella.
Calcola le ammettenze del blocco che hai evidenziato, la definizione e` in queste figure
Poi in modo simmetrico per Y22 e Y12.
Calcola le ammettenze del blocco che hai evidenziato, la definizione e` in queste figure
Poi in modo simmetrico per Y22 e Y12.
Per usare proficuamente un simulatore, bisogna sapere molta più elettronica di lui
Plug it in - it works better!
Il 555 sta all'elettronica come Arduino all'informatica! (entrambi loro malgrado)
Se volete risposte rispondete a tutte le mie domande
Plug it in - it works better!
Il 555 sta all'elettronica come Arduino all'informatica! (entrambi loro malgrado)
Se volete risposte rispondete a tutte le mie domande
0
voti
Scusa se non ho risposto prima, comunque niente non capisco proprio come venirne a capo con tutte queste resistenze, potresti dirmi cosa applicare di preciso? Questo è l'ultimo capitolo del libro ed è trattato superficialmente, grazie in anticipo
-

morbidoso88
9 3 - Messaggi: 20
- Iscritto il: 4 dic 2012, 4:52
4
voti
morbidoso88 ha scritto:... comunque niente non capisco proprio come venirne a capo con tutte queste resistenze
Ricordando le due equazioni relative alla caratterizzazione via ammettenze di un doppio bipolo, ovvero

e vista l'uguaglianza fra R4, R5 e R6, risulta in questo caso conveniente trasformare la stella relativa in triangolo, ottenendo il seguente doppio bipolo equivalente
Come detto, le due suddette equazioni portano a legare correnti e tensioni ai morsetti attraverso la relativa matrice a parametri Y, e basta notare che le singole ammettenze possono essere ricavate dal rapporto correnti tensioni con una delle due porte cortocircuitate; per esempio, cortocircuitando la seconda porta, ovvero imponendo una tensione V2 nulla fra i suoi morsetti, e forzando la rimanente con un GIT "esterno", possiamo ricavare (visto che i due resistori di destra sono cortocircuitati)

mentre cortocircuitando la prima porta, ovvero imponendo la tensione V1=0 avremo che dalla definizione e forzando la seconda sempre con un GIT, (visto che i due resistori sinistri risultano in cortocircuito)


calcolando la corrente in detto cortocircuito, avremo il secondo parametro.
Lascio a te il calcolo dei due rimanenti parametri.
"Il circuito ha sempre ragione" (Luigi Malesani)
2
voti
Grazie molto adesso sto facendo dei passi in avanti, Y22 quindi è 1/3+2/9+1/5 giusto? Non ho capito però come hai calcolato Y12...
-

morbidoso88
9 3 - Messaggi: 20
- Iscritto il: 4 dic 2012, 4:52
3
voti
morbidoso88 ha scritto:Grazie molto adesso sto facendo dei passi in avanti, Y22 quindi è 1/3+2/9+1/5 giusto?
Esatto!
morbidoso88 ha scritto:Non ho capito però come hai calcolato Y12...
Come già detto, vista la definizione,

e quindi visto che V1=0, i due resistori sinistri risulteranno cortocircuitati
e di conseguenza la corrente I1 alla prima porta potrà essere calcolata attraverso una semplice KCL al nodo sinistro

"Il circuito ha sempre ragione" (Luigi Malesani)
0
voti
Scusa se sto rispindendo ora, quindi Y21 sarà uguale a Y12 giusto? e la tensione ai capi del condensatore?
-

morbidoso88
9 3 - Messaggi: 20
- Iscritto il: 4 dic 2012, 4:52
0
voti
morbidoso88 ha scritto:Scusa se sto rispindendo ora, quindi Y21 sarà uguale a Y12 giusto?
Giusto, come sempre accade quando il doppio bipolo è semplicemente resistivo, vista la sua reciprocità.
morbidoso88 ha scritto:... e la tensione ai capi del condensatore?
Beh, ricavata la matrice delle ammettenze, usando per il doppio bipolo una rappresentazione circuitale equivalente semplificata a T o a Pi greca, direi che puoi risolverlo anche autonomamente; ... ricordati solo di postare la soluzione, ... qui si usa così.
"Il circuito ha sempre ragione" (Luigi Malesani)
11 messaggi
• Pagina 1 di 2 • 1, 2
Torna a Elettrotecnica generale
Chi c’è in linea
Visitano il forum: Nessuno e 16 ospiti

Elettrotecnica e non solo (admin)
Un gatto tra gli elettroni (IsidoroKZ)
Esperienza e simulazioni (g.schgor)
Moleskine di un idraulico (RenzoDF)
Il Blog di ElectroYou (webmaster)
Idee microcontrollate (TardoFreak)
PICcoli grandi PICMicro (Paolino)
Il blog elettrico di carloc (carloc)
DirtEYblooog (dirtydeeds)
Di tutto... un po' (jordan20)
AK47 (lillo)
Esperienze elettroniche (marco438)
Telecomunicazioni musicali (clavicordo)
Automazione ed Elettronica (gustavo)
Direttive per la sicurezza (ErnestoCappelletti)
EYnfo dall'Alaska (mir)
Apriamo il quadro! (attilio)
H7-25 (asdf)
Passione Elettrica (massimob)
Elettroni a spasso (guidob)
Bloguerra (guerra)





