E' utile per migliorare la risposta in regime transitorio, senza un oscilloscopio potresti non accorgerti della presenza o assenza di C4.
Puo' essere omesso, secondo alcune case costruttrici (Fairchild, ST).
Didattica - 4 x LM317
Moderatori:
carloc,
g.schgor,
BrunoValente,
IsidoroKZ
0
voti
Grazie Rusty. (brusche variazioni...)
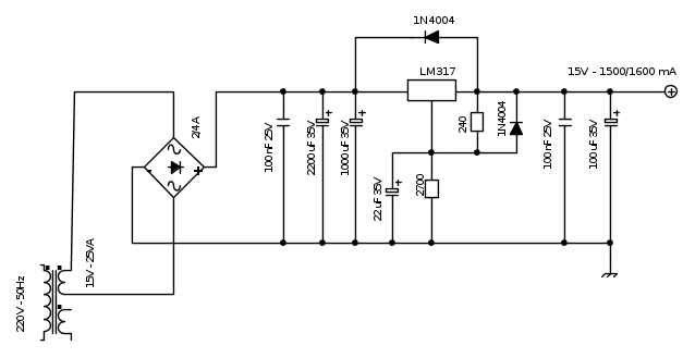
Comincio a farmi la basettina per questo :
Comincio a farmi la basettina per questo :
0
voti
P.s. A proposito... le correnti ? Gli alimentatori stabilizzati lineari regolabili non ha senso farli per alte correnti, ma se vuoi usare tutta la "disponibilita" del 317 (anzi, diciamo tenerti a 1 A max per sicurezza) devi comunque mettergli un dissipatore, percui devi tenerne conto nel layout; parimenti devi tenere conto della potenza del trasformatore, che deve essere in grado di fornire bene le corrnte richiesta; alla luce di tutto ciò posso affermare che il ponte da 24 A è sprecato e altrettanto strasovradimensionato è pure il livellamento... 
Ultima modifica di
claudiocedrone il 18 mag 2013, 18:32, modificato 1 volta in totale.
"Non farei mai parte di un club che accettasse la mia iscrizione" (G. Marx)
-

claudiocedrone
21,3k 4 7 9 - Master EY

- Messaggi: 15302
- Iscritto il: 18 gen 2012, 13:36
1
voti
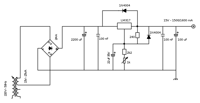
Piu' che altro a me preoccupano le tolleranze dei resistori, avrei predisposto un resistore piu' trimmer in serie per fare un "adjust" manuale a posteriori 
Personalmente porrei al posto del resistore da
un trimmer da
in serie a un resistore da
, per i circa i
che mi pare di capire tu voglia in uscita.
In questo modo, mettendoti piu' o meno al centro del trimmer, avrai una tensione di poco superiore a
(
circa), potendo variare anche, da un estremo all' altro, tra poco meno di
e poco meno di
.
claudiocedrone quelli mi pare siano 2/4 A, non 24 

Personalmente porrei al posto del resistore da
un trimmer da
in serie a un resistore da
, per i circa i
che mi pare di capire tu voglia in uscita.In questo modo, mettendoti piu' o meno al centro del trimmer, avrai una tensione di poco superiore a
(
circa), potendo variare anche, da un estremo all' altro, tra poco meno di
e poco meno di
.-

rusty
4.075 2 9 11 - Utente disattivato per decisione dell'amministrazione proprietaria del sito
- Messaggi: 1578
- Iscritto il: 25 gen 2009, 13:10
0
voti
; già... 2/4 A... già ci vedo male dritto, di traverso poi... 
"Non farei mai parte di un club che accettasse la mia iscrizione" (G. Marx)
-

claudiocedrone
21,3k 4 7 9 - Master EY

- Messaggi: 15302
- Iscritto il: 18 gen 2012, 13:36
0
voti
Grazie a tutti.
mi piace molto lo schema postato da Rusty, credo che iniziero a sperimentare con quello.
Ridimensiono il ponte a 2A come detto da Claudio, questo è idoneo ?
http://it.rs-online.com/web/p/raddrizzatori-a-ponte/7082677/
Per le resistenze pensavo ad una tolleranza 10 % e da 1/4 watt ?
Per i due 100 nF ne ho provati un po' al volo, su basetta tutta ramata e il cablaggio fatto 'in aria' (si dice cosi ? ) con i Wima (quelli rossi) credo sia meglio.
Il condensatore quello di 2200 uF lasciato da da Rusty (lo ha detto anche Claudio), magari uno da 470 uF da aggiungere in secondo tempo e se serve.
Per il dissaptore...come faccio ? come lo scelgo ?
mi piace molto lo schema postato da Rusty, credo che iniziero a sperimentare con quello.
Ridimensiono il ponte a 2A come detto da Claudio, questo è idoneo ?
http://it.rs-online.com/web/p/raddrizzatori-a-ponte/7082677/
Per le resistenze pensavo ad una tolleranza 10 % e da 1/4 watt ?
Per i due 100 nF ne ho provati un po' al volo, su basetta tutta ramata e il cablaggio fatto 'in aria' (si dice cosi ? ) con i Wima (quelli rossi) credo sia meglio.
Il condensatore quello di 2200 uF lasciato da da Rusty (lo ha detto anche Claudio), magari uno da 470 uF da aggiungere in secondo tempo e se serve.
Per il dissaptore...come faccio ? come lo scelgo ?
0
voti
P.s. Per la questione del dissipatore leggi questo."Non farei mai parte di un club che accettasse la mia iscrizione" (G. Marx)
-

claudiocedrone
21,3k 4 7 9 - Master EY

- Messaggi: 15302
- Iscritto il: 18 gen 2012, 13:36
0
voti
Resistori 5% 1/4W dovrebbero andare, anche perché non esiste il valore 240 ohm al 10% di tolleranza, dal 5% in giu' si; per l'aletta se superi i 500-600 mA continuativi te la consiglio, purtroppo il calcolo dovrebbe prevedere la conoscenza della tua temperatura ambientale, la differenza di tensione sull' LM317, ecc... e il calcolo non so proprio farlo, comunque una roba del genere (qualitativamente) dovrebbe andare bene.
Occhio che il corpo dell'aletta è conduttrice dunque se non isoli la vite passante ti ritrovi l'aletta collegata al terminale
(te lo dico per non poggiarci accidentalmente qualcosa che contattandolo possa friggere il tuo integrato).
Occhio che il corpo dell'aletta è conduttrice dunque se non isoli la vite passante ti ritrovi l'aletta collegata al terminale
(te lo dico per non poggiarci accidentalmente qualcosa che contattandolo possa friggere il tuo integrato).-

rusty
4.075 2 9 11 - Utente disattivato per decisione dell'amministrazione proprietaria del sito
- Messaggi: 1578
- Iscritto il: 25 gen 2009, 13:10
0
voti
ho recuperato 3 di questi :
http://it.rs-online.com/web/p/dissipatori/2342306/
da un circuito danneggiato, considerando che non vorrei superare 1.2A mi serve dissipare 1.5 Watt (circa) , quindi questi risultano eccessivi , ma essendo gratis credo che vadano bene.
http://it.rs-online.com/web/p/dissipatori/2342306/
da un circuito danneggiato, considerando che non vorrei superare 1.2A mi serve dissipare 1.5 Watt (circa) , quindi questi risultano eccessivi , ma essendo gratis credo che vadano bene.
Chi c’è in linea
Visitano il forum: Nessuno e 36 ospiti

Elettrotecnica e non solo (admin)
Un gatto tra gli elettroni (IsidoroKZ)
Esperienza e simulazioni (g.schgor)
Moleskine di un idraulico (RenzoDF)
Il Blog di ElectroYou (webmaster)
Idee microcontrollate (TardoFreak)
PICcoli grandi PICMicro (Paolino)
Il blog elettrico di carloc (carloc)
DirtEYblooog (dirtydeeds)
Di tutto... un po' (jordan20)
AK47 (lillo)
Esperienze elettroniche (marco438)
Telecomunicazioni musicali (clavicordo)
Automazione ed Elettronica (gustavo)
Direttive per la sicurezza (ErnestoCappelletti)
EYnfo dall'Alaska (mir)
Apriamo il quadro! (attilio)
H7-25 (asdf)
Passione Elettrica (massimob)
Elettroni a spasso (guidob)
Bloguerra (guerra)

