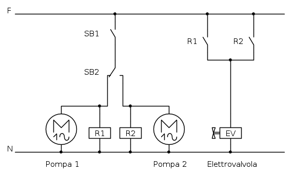
Ti ho buttato giù uno schema senza considerare i vari pressosti, che comunque mi sembrano a posto.
SB1 è l'interruttore che, in caso di mancanza acqua dalla rete, abilita tutto il sistema. Se hai un pressostato in ingresso dall'acquedotto potrebbe fare questa funzione.
SB2: deviatore per selezionare una pompa o l'altra.
2 deviatori per tre utilizzatori
Moderatori:
sebago,
MASSIMO-G,
lillo,
Mike
26 messaggi
• Pagina 2 di 3 • 1, 2, 3
0
voti
innanzitutto grazie Mattew84 per lo schema,
avrei bisogno di due precisazioni
con gli r1 e r2 vicino ai motori intendi i pressostati ai quali poi dovrei anche collegare le uscite R1 e R2 per pilotare l'elettrovalvola giusto??
alla fine in pratica avrei una scatola a muro con soli due frutti (un interruttore+ un deviatore) uno che accende il sistema e uno che sceglie il motore; correggimi se sbaglio
avrei bisogno di due precisazioni
con gli r1 e r2 vicino ai motori intendi i pressostati ai quali poi dovrei anche collegare le uscite R1 e R2 per pilotare l'elettrovalvola giusto??
alla fine in pratica avrei una scatola a muro con soli due frutti (un interruttore+ un deviatore) uno che accende il sistema e uno che sceglie il motore; correggimi se sbaglio
0
voti
Io però, raggrupperei l'interruttore e il deviatore in un solo comando, ad esempio attravero un commutatore a tre posizioni 1-0-2. Poi, si possono aggiungere anche indicatori di stato luminosi.
Un solo dubbio, sicuri non sussista mai la necessità che gli autoclavi lavorino in coppia?
Un solo dubbio, sicuri non sussista mai la necessità che gli autoclavi lavorino in coppia?
Ognuno sta solo sul cuor della terra
trafitto da un raggio di sole:
ed è subito sera
Salvatore Quasimodo
trafitto da un raggio di sole:
ed è subito sera
Salvatore Quasimodo
0
voti
Io però, raggrupperei l'interruttore e il deviatore in un solo comando, ad esempio attravero un commutatore a tre posizioni 1-0-2
Ci avevo pensato anch'io in effetti, ma se al posto di SB1 metti un pressostato come indicato nel post [11] hai lo scambio acquedotto-cisterne in automatico.
0
voti
I due autoclavi non è necessario che lavorino assieme, per quanto riguarda i relè se non chiedo troppo mi spiegheresti la logica che ti ha portato al loro utilizzo?
0
voti
Il funzionamento del relè è molto semplice: quando viene alimentata la bobina (il rettangolo disegnato vicino ai motori) si chiude il contatto. Quando la bobina viene disalimentata il contatto si riapre.
In questo caso, che tu alimenti o R1 o R2 ci sarà sempre un contatto chiuso che alimenta l'elettrovalvola (essendo in parallelo).
Se nessuna delle due autoclavi è in funzione, nessun relè è alimentato e quindi nessun contatto è chiuso. Quindi l'elettrovalvola rimane disalimentata.
Che, da quello che ho capito, è il funzionamento che tu ricerchi.
In questo caso, che tu alimenti o R1 o R2 ci sarà sempre un contatto chiuso che alimenta l'elettrovalvola (essendo in parallelo).
Se nessuna delle due autoclavi è in funzione, nessun relè è alimentato e quindi nessun contatto è chiuso. Quindi l'elettrovalvola rimane disalimentata.
Che, da quello che ho capito, è il funzionamento che tu ricerchi.
0
voti
Ora è tutto chiarissimo, grazie mille domani vado a procurarmi un paio di relè e provo a realizzarlo. Vi aggiornerò!
0
voti
Scusate se faccio un O.T. ma volevo postare uno schema ma non ci riesco, in quanto il simbolo che ho creato non viene visualizzato.
Ho usato la funzione cerca ma non ho trovato soluzione.
attilio hai qualche idea? Da qualche parte, non ricordo dove, mi sembra fosse successo anche a
mir ma non so come ha risolto.
Ora che l'ho taggato spero si manifesti.
Ho usato la funzione cerca ma non ho trovato soluzione.
Ora che l'ho taggato spero si manifesti.
26 messaggi
• Pagina 2 di 3 • 1, 2, 3
Torna a Impianti, sicurezza e quadristica
Chi c’è in linea
Visitano il forum: Nessuno e 125 ospiti

Elettrotecnica e non solo (admin)
Un gatto tra gli elettroni (IsidoroKZ)
Esperienza e simulazioni (g.schgor)
Moleskine di un idraulico (RenzoDF)
Il Blog di ElectroYou (webmaster)
Idee microcontrollate (TardoFreak)
PICcoli grandi PICMicro (Paolino)
Il blog elettrico di carloc (carloc)
DirtEYblooog (dirtydeeds)
Di tutto... un po' (jordan20)
AK47 (lillo)
Esperienze elettroniche (marco438)
Telecomunicazioni musicali (clavicordo)
Automazione ed Elettronica (gustavo)
Direttive per la sicurezza (ErnestoCappelletti)
EYnfo dall'Alaska (mir)
Apriamo il quadro! (attilio)
H7-25 (asdf)
Passione Elettrica (massimob)
Elettroni a spasso (guidob)
Bloguerra (guerra)






