Diodo 1N5408 per transistor MJ4502
Moderatori:
carloc,
g.schgor,
BrunoValente,
IsidoroKZ
1
voti
Se devi fornire 12A (mi pare di aver letto), il trasformatore deve erogare almeno 22A, quindi con un secondario a 12V vogliono dire 260VA.
9mF di condensatori di livellamento a 12A danno un ripple enorme e non adatto all'applicazione. Se poi vuoi uscire a 12V in continua non ce la fai, ci sono troppe cadute di tensione di mezzo.
I due transistori non si equipartiscono la corrente e infine il circuito non e` protetto da cortocircuito: se fai un corto sull'uscita i transistori defungono.
9mF di condensatori di livellamento a 12A danno un ripple enorme e non adatto all'applicazione. Se poi vuoi uscire a 12V in continua non ce la fai, ci sono troppe cadute di tensione di mezzo.
I due transistori non si equipartiscono la corrente e infine il circuito non e` protetto da cortocircuito: se fai un corto sull'uscita i transistori defungono.
Per usare proficuamente un simulatore, bisogna sapere molta più elettronica di lui
Plug it in - it works better!
Il 555 sta all'elettronica come Arduino all'informatica! (entrambi loro malgrado)
Se volete risposte rispondete a tutte le mie domande
Plug it in - it works better!
Il 555 sta all'elettronica come Arduino all'informatica! (entrambi loro malgrado)
Se volete risposte rispondete a tutte le mie domande
0
voti
, penso che sarebbe il caso che ti studiassi un po' le app notes del datasheet del LM317. 
"Non farei mai parte di un club che accettasse la mia iscrizione" (G. Marx)
-

claudiocedrone
21,3k 4 7 9 - Master EY

- Messaggi: 15302
- Iscritto il: 18 gen 2012, 13:36
0
voti
menu, con i componenti a schema puoi raggiungere una corrente in uscita di 6/7A.
Anche così dovrai mettere, per ripartire correttamente la corrente sugli MJ4502, dei resistori da 0,1ohm 5W sui loro collettori. E sarebbe anche bene aggiungere a quelli esistenti un elettrolitico da 4700uF.
Resta il fatto che manca la protezione ai cortocircuiti sull'uscita e che, come detto da IsidoroKZ, difficilmente la massima tensione di uscita, correttamente stabilizzata, potrà raggiungere i 12V.
PS: per quelle correnti (6/7A) potrebbe anche bastare un solo MJ4502 molto ben raffreddato.
In qualche alimentatore a tensione variabile che ho realizzato ho messo un semplice interruttore termico a pastiglia sul dissipatore o, meglio ma non sempre possibile, direttamente sul transistor, nel caso mi passasse di mente di non drenare correnti elevate a tensioni basse per tempi lunghi. Soluzione poco elegante e poco elettronica, ma efficace se non si vogliono mettere dissipatori di dimensioni spropositate o ventilazioni forzate
Anche così dovrai mettere, per ripartire correttamente la corrente sugli MJ4502, dei resistori da 0,1ohm 5W sui loro collettori. E sarebbe anche bene aggiungere a quelli esistenti un elettrolitico da 4700uF.
Resta il fatto che manca la protezione ai cortocircuiti sull'uscita e che, come detto da IsidoroKZ, difficilmente la massima tensione di uscita, correttamente stabilizzata, potrà raggiungere i 12V.
PS: per quelle correnti (6/7A) potrebbe anche bastare un solo MJ4502 molto ben raffreddato.
In qualche alimentatore a tensione variabile che ho realizzato ho messo un semplice interruttore termico a pastiglia sul dissipatore o, meglio ma non sempre possibile, direttamente sul transistor, nel caso mi passasse di mente di non drenare correnti elevate a tensioni basse per tempi lunghi. Soluzione poco elegante e poco elettronica, ma efficace se non si vogliono mettere dissipatori di dimensioni spropositate o ventilazioni forzate
-

FedericoSibona
5.022 3 5 8 - Master

- Messaggi: 3951
- Iscritto il: 19 mar 2013, 11:43
0
voti
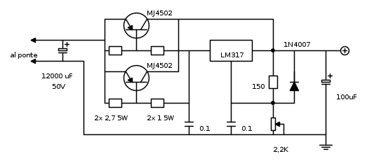
In tempi ormai remoti, per alte correnti, avevo realizzato con successo lo schema che segue:
Resta comunque il problema della protezione da cortocircuito e della dissipazione che puo' risolversi (quest'ultima) con grosso dissipatore e ventilazione forzata.
P.S. Se ne e' parlato lungamente in un thread ma al momento non riesco a trovarlo.
Lo schema era stato fatto per "quel" progetto, quindi qualche valore e' soggetto a variazione.
Resta comunque il problema della protezione da cortocircuito e della dissipazione che puo' risolversi (quest'ultima) con grosso dissipatore e ventilazione forzata.
P.S. Se ne e' parlato lungamente in un thread ma al momento non riesco a trovarlo.
Lo schema era stato fatto per "quel" progetto, quindi qualche valore e' soggetto a variazione.
marco
0
voti
marco438, mi sbaglio o anche lì non mi pare ci sia una equa distribuzione di corrente tra i due MJ4502, a meno che tu li avessi selezionati riguardo al guadagno.
-

FedericoSibona
5.022 3 5 8 - Master

- Messaggi: 3951
- Iscritto il: 19 mar 2013, 11:43
0
voti
Nella pratica, la distribuzione della corrente si e' dimostrata abbastanza equilibrata; si possono tuttavia aggiungere due resistenze di basso valore sugli emettitori dei due BJT ed e' previsto un layout un po' particolare che, come detto, avevo gia' descritto in un thread che non riesco piu' a trovare.
marco
1
voti
FedericoSibona ha scritto:Anche così dovrai mettere, per ripartire correttamente la corrente sugli MJ4502, dei resistori da 0,1ohm 5W sui loro collettori.
Emettitori, non collettori.
Per usare proficuamente un simulatore, bisogna sapere molta più elettronica di lui
Plug it in - it works better!
Il 555 sta all'elettronica come Arduino all'informatica! (entrambi loro malgrado)
Se volete risposte rispondete a tutte le mie domande
Plug it in - it works better!
Il 555 sta all'elettronica come Arduino all'informatica! (entrambi loro malgrado)
Se volete risposte rispondete a tutte le mie domande
0
voti
Costernato, sono abituato a mettere i resistori verso l'uscita perché in genere uso alimentatori con transistors di potenza NPN ed ho inciampato
Grazie della correzione IsidoroKZ.
Grazie della correzione IsidoroKZ.
-

FedericoSibona
5.022 3 5 8 - Master

- Messaggi: 3951
- Iscritto il: 19 mar 2013, 11:43
Chi c’è in linea
Visitano il forum: Nessuno e 112 ospiti

Elettrotecnica e non solo (admin)
Un gatto tra gli elettroni (IsidoroKZ)
Esperienza e simulazioni (g.schgor)
Moleskine di un idraulico (RenzoDF)
Il Blog di ElectroYou (webmaster)
Idee microcontrollate (TardoFreak)
PICcoli grandi PICMicro (Paolino)
Il blog elettrico di carloc (carloc)
DirtEYblooog (dirtydeeds)
Di tutto... un po' (jordan20)
AK47 (lillo)
Esperienze elettroniche (marco438)
Telecomunicazioni musicali (clavicordo)
Automazione ed Elettronica (gustavo)
Direttive per la sicurezza (ErnestoCappelletti)
EYnfo dall'Alaska (mir)
Apriamo il quadro! (attilio)
H7-25 (asdf)
Passione Elettrica (massimob)
Elettroni a spasso (guidob)
Bloguerra (guerra)




