Se intendi che le batterie debbano avere tutte gli stessi Ah, la risposta è sì. Anche se le due con capacità inferiore le metti in serie poi però vanno in parallelo con le altre due e quelle con capacità inferiore divengono l'anello debole della catena. Il pratica, semplificando molto, nella scarica, quelle di capacità maggiore oltre a fornire corrente all'inverter dovranno fornirne anche alle altre due batterie.
Personalmente proverei con due sole batterie in serie e vedere se l'autonomia è sufficiente per le tue esigenze. Tieni anche presente che l'autonomia dipende dal livello di carica delle batterie e tale livello dipende dall'erogazione del pannello e non splende sempre il sole. Con 4 batterie la corrente fornita dal pannello si ripartirà sulle due serie di batterie e quindi le caricherà di meno.
Ad occhio, con due batterie, potrai ottenere circa 12h di autonomia con un assorbimento di circa 100W (a batterie ben cariche e tenendo conto che l'inverter ha un rendimento tra l'80% e il 90%).
Non mi hai detto quanti ampere erogano gli alimentatori di PC portatile e strip LED (il caricabatteria del cellulare penso sia trascurabile). Hai idea della storia pregressa di quelle batterie?
Miglioramenti impianto fotovoltaico fai da te
Moderatori:
carloc,
g.schgor,
BrunoValente,
IsidoroKZ
0
voti
Volevo aggiungere che con impianti provvisti di pannello fotovoltaico simile al tuo si usano anche batterie da 200Ah, ma si usano ad esempio in baite, in cui si va nel fine settimana, e le batterie hanno tempo 5gg per caricarsi, se tu pensi di usare l'impianto quotidianamente è meglio stare su capacità più contenute.
Quelle batterie, in quella configurazione durano 3-5anni, quindi puoi tenere la terza batteria per sostituire la prima che darà forfait. Per tenerla nelle migliori condizioni, prima di immagazzinarla, caricala e ricordati di ricaricarla una volta all'anno.
Quelle batterie, in quella configurazione durano 3-5anni, quindi puoi tenere la terza batteria per sostituire la prima che darà forfait. Per tenerla nelle migliori condizioni, prima di immagazzinarla, caricala e ricordati di ricaricarla una volta all'anno.
-

FedericoSibona
5.022 3 5 8 - Master

- Messaggi: 3951
- Iscritto il: 19 mar 2013, 11:43
0
voti
Allora..
Scusa per l'attesa.
Prima di sera ti faccio sapere i vari amperaggi (correnti: è meglio ;-)) dei miei oggetti.
Le batterie sono 2 nuove (quelle attaccate) e quella che ho messo da parte (da carica) è stata usata poco, ma comunque è stata un po usata in precedenza (questo so, altro non mi è stato detto).
Una domanda:
Mi hai detto che con batterie con livelli massimi di carica diversi si corre il rischio che oltre ad alimentare l'inverter la batteria con maggiore carica vada a ricaricare quella scarica (tipo vasi comunicanti).
Non esistono componenti in grado di far circolare la corrente solo in un'unica direzione? Cioè verso l'inverter?
Una specie di blocco che lasci passare la corrente solo verso l'inverter ma che blocchi l'erogazione verso l'altra.
Scusa per l'attesa.
Prima di sera ti faccio sapere i vari amperaggi (correnti: è meglio ;-)) dei miei oggetti.
Le batterie sono 2 nuove (quelle attaccate) e quella che ho messo da parte (da carica) è stata usata poco, ma comunque è stata un po usata in precedenza (questo so, altro non mi è stato detto).
Una domanda:
Mi hai detto che con batterie con livelli massimi di carica diversi si corre il rischio che oltre ad alimentare l'inverter la batteria con maggiore carica vada a ricaricare quella scarica (tipo vasi comunicanti).
Non esistono componenti in grado di far circolare la corrente solo in un'unica direzione? Cioè verso l'inverter?
Una specie di blocco che lasci passare la corrente solo verso l'inverter ma che blocchi l'erogazione verso l'altra.
0
voti
A m p e r a g g i viene corretto automaticamente in "correnti"?
0
voti
Da quello che mi ricordo dovrebbero chiamarsi diodi di blocco, ma non so se possono essere applicati alle batterie, e neanche come!
Di elettronica ho una scarsissima infarinatura di base.
Di elettronica ho una scarsissima infarinatura di base.
0
voti
Credevo di averti risposto, ma evidentemente mi sono dimenticato di dare Invio.
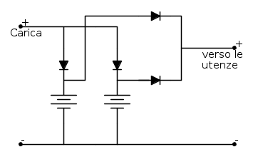
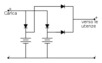
Comunque avevo scritto, tra l'altro, che è possibile mettere dei diodi di potenza per evitare l'interazione tra le batterie in parallelo, ma tali diodi hanno una caduta di tensione e potrebbero mandare in confusione il regolatore di carica che potrebbe caricarti meno le batterie ed anche l'inverter potrebbe intervenire precocemente con la protezione per bassa tensione di batteria, non sfruttando tutta la capacità delle batterie.
Oltre a quanto detto i diodi, data la caduta di tensione e le forti correnti, dissipano inutilmente energia in calore e credo che dovrai anche fornirli di dissipatori.
Il circuito a cui mi riferisco è questo:
Comunque avevo scritto, tra l'altro, che è possibile mettere dei diodi di potenza per evitare l'interazione tra le batterie in parallelo, ma tali diodi hanno una caduta di tensione e potrebbero mandare in confusione il regolatore di carica che potrebbe caricarti meno le batterie ed anche l'inverter potrebbe intervenire precocemente con la protezione per bassa tensione di batteria, non sfruttando tutta la capacità delle batterie.
Oltre a quanto detto i diodi, data la caduta di tensione e le forti correnti, dissipano inutilmente energia in calore e credo che dovrai anche fornirli di dissipatori.
Il circuito a cui mi riferisco è questo:
-

FedericoSibona
5.022 3 5 8 - Master

- Messaggi: 3951
- Iscritto il: 19 mar 2013, 11:43
0
voti
Grazie ancora per la spiegazione.
Appena posso ti do i valori di assorbimento del modem, del led e della lampada.
Intanto posso dirti che la stampante:
600mA e l'accendo solo quei 5 minuti per stampare e poi la rispengo
mentre il PC:
1.5A
A volte utilizzo anche la pistola a colla a caldo e un piccolo saldatore a stagno..ma raramente..
Credo che per il dimensionamento dell'inverter sia irrisorio l'utilizzo saltuario, sbaglio?
Appena posso ti do i valori di assorbimento del modem, del led e della lampada.
Intanto posso dirti che la stampante:
600mA e l'accendo solo quei 5 minuti per stampare e poi la rispengo
mentre il PC:
1.5A
A volte utilizzo anche la pistola a colla a caldo e un piccolo saldatore a stagno..ma raramente..
Credo che per il dimensionamento dell'inverter sia irrisorio l'utilizzo saltuario, sbaglio?
0
voti
Allego foto delle caratteristiche degli elementi che intendo utilizzare con l'alimentazione fornitami dal pannello.
Anche degli elementi che uso di rado.
Anche degli elementi che uso di rado.
Chi c’è in linea
Visitano il forum: Google [Bot] e 212 ospiti

Elettrotecnica e non solo (admin)
Un gatto tra gli elettroni (IsidoroKZ)
Esperienza e simulazioni (g.schgor)
Moleskine di un idraulico (RenzoDF)
Il Blog di ElectroYou (webmaster)
Idee microcontrollate (TardoFreak)
PICcoli grandi PICMicro (Paolino)
Il blog elettrico di carloc (carloc)
DirtEYblooog (dirtydeeds)
Di tutto... un po' (jordan20)
AK47 (lillo)
Esperienze elettroniche (marco438)
Telecomunicazioni musicali (clavicordo)
Automazione ed Elettronica (gustavo)
Direttive per la sicurezza (ErnestoCappelletti)
EYnfo dall'Alaska (mir)
Apriamo il quadro! (attilio)
H7-25 (asdf)
Passione Elettrica (massimob)
Elettroni a spasso (guidob)
Bloguerra (guerra)



