Cos'è ElectroYou | Login Iscriviti

ElectroYou - la comunità dei professionisti del mondo elettrico

7805 non fornisce 5 V

Elettronica lineare e digitale: didattica ed applicazioni

Moderatori: Foto Utentecarloc, Foto Utenteg.schgor, Foto UtenteBrunoValente, Foto UtenteIsidoroKZ

0
voti

[11] Re: 7805 non fornisce 5 V

Messaggioda Foto Utenterusty » 2 giu 2013, 15:55

I problemi che vedo ad una prima occhiata sono:

1) Devi limitare la corrente sul LED, sia per il LED che per non sovraccaricare la porta del micro.
2) Ricordati, quando userai queste uscite, che sono delle open collector.
3) Dramma dei drammi, quello caro mio è un corto secco, molto probabilmente è la causa della morte del tuo 7805, metti un resistore da almeno 1k tra MCLR e Vdd, poi compra un nuovo 7805 e trattalo bene! ;-)

Avatar utente
Foto Utenterusty
4.075 2 9 11
Utente disattivato per decisione dell'amministrazione proprietaria del sito
 
Messaggi: 1578
Iscritto il: 25 gen 2009, 13:10

0
voti

[12] Re: 7805 non fornisce 5 V

Messaggioda Foto Utentenand92 » 2 giu 2013, 16:09

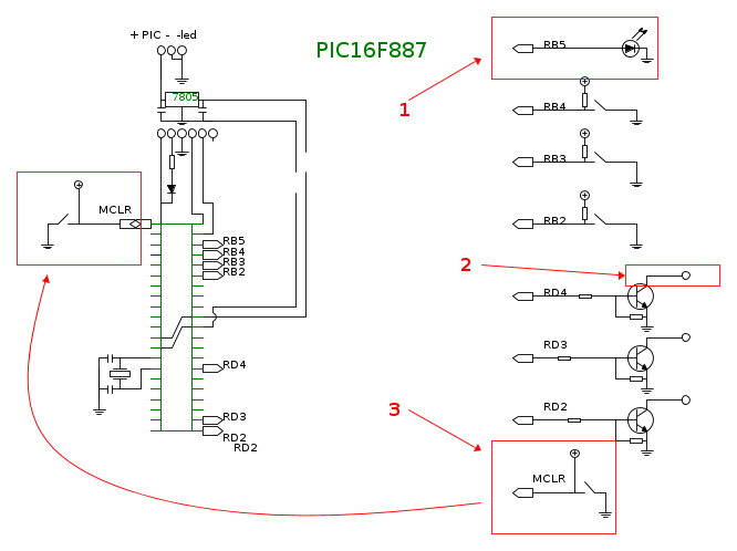
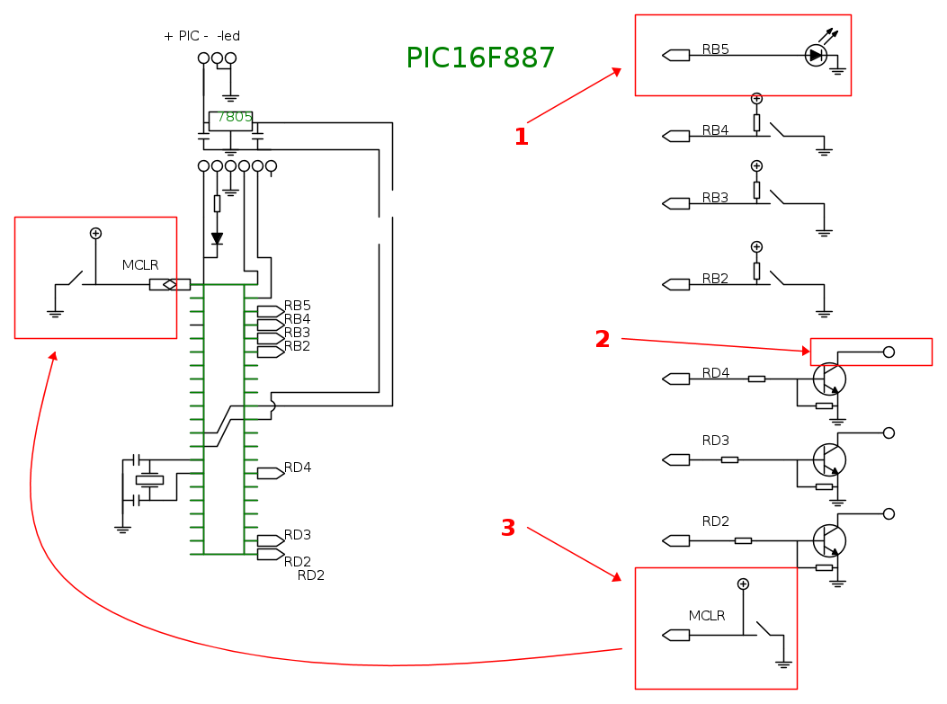
ramboluis ha scritto:mclr non credo faccia corto perche ce la resitenza da 10k ohm (dietro al diodo) che dovrebbe limitare. naturalmente il tasto non va utilizzato quando si alimenta con il pickit

ho provato senza PIC e ho visto che la tensione aumenta da 1.68 passa a 2.06 V pero non raggiunge ancora la tensione minima di funzionamento

scusa ho dimenticato di metterla nello schema pero nella millefori l ho messa

allego lo schema corretto:
(...)


scusa, ma lo schema corretto è uguale a prima! non ho capito se quelle resistenze le hai messe nella realtà ma non nello schema o se non le hai proprio messe
O_/
Avatar utente
Foto Utentenand92
55 1 2
 
Messaggi: 36
Iscritto il: 7 mag 2012, 18:10

0
voti

[13] Re: 7805 non fornisce 5 V

Messaggioda Foto Utenteramboluis » 2 giu 2013, 16:11

scusate sono un idiota spero di non essermi dimenticato niente


nella realta le resistenze le ho messe
Avatar utente
Foto Utenteramboluis
80 1 7
Stabilizzato
Stabilizzato
 
Messaggi: 314
Iscritto il: 28 giu 2012, 18:39

0
voti

[14] Re: 7805 non fornisce 5 V

Messaggioda Foto Utenterusty » 2 giu 2013, 16:19

Sinceramente mi sto perdendo, ma se con il pickit funziona mentre senza, collegandosi al 7805, non c'è abbastanza tensione, probabilmente il problema è il 7805 o qualche corto che c'era o c'è in giro per la scheda.
Purtroppo dalla foto nel mio schermo non riesco a puntare il tester per controllare, dovresti farlo tu :ok:
Avatar utente
Foto Utenterusty
4.075 2 9 11
Utente disattivato per decisione dell'amministrazione proprietaria del sito
 
Messaggi: 1578
Iscritto il: 25 gen 2009, 13:10

0
voti

[15] Re: 7805 non fornisce 5 V

Messaggioda Foto Utenteramboluis » 2 giu 2013, 16:24

Credo anche io che sia colpa del 7805 che si e rotto pero speravo in qualche altro motivo perche ogni volta che vado a dissaldare i componenti faccio dei danni pazzeschi
Avatar utente
Foto Utenteramboluis
80 1 7
Stabilizzato
Stabilizzato
 
Messaggi: 314
Iscritto il: 28 giu 2012, 18:39

0
voti

[16] Re: 7805 non fornisce 5 V

Messaggioda Foto Utenterusty » 2 giu 2013, 16:33

Per dissaldare usa un pezzo di treccia, cosi' un po' dello stagno, che ora fa' parte delle bolle primordiali attorno ai tuoi reofori, se ne va , riuscendo a lavorare meglio.
Non sai le bolle che facevo io da piccolo, lo stagno, quando dissaldavo, scivolava sulla piastra contattando altri 4 o 5 componenti... mi sembrava di giocare con il metallo liquido del Terminator-T1000 :mrgreen: .

Conta che comunque un 7805 non "alettato" al massimo ti da' 200-300 mA, poi comincia a scaldare sul serio.
Avatar utente
Foto Utenterusty
4.075 2 9 11
Utente disattivato per decisione dell'amministrazione proprietaria del sito
 
Messaggi: 1578
Iscritto il: 25 gen 2009, 13:10

0
voti

[17] Re: 7805 non fornisce 5 V

Messaggioda Foto Utenteramboluis » 2 giu 2013, 16:40

Provero questo metodo della treccia

Non ho fatto nessun calcolo ma credo di starci nei 200 mA
Infondo il 7805 deve alimentare
1 led
3 transistor
E poi e gia finita qui
Non credo ci siano problemi
Avatar utente
Foto Utenteramboluis
80 1 7
Stabilizzato
Stabilizzato
 
Messaggi: 314
Iscritto il: 28 giu 2012, 18:39

0
voti

[18] Re: 7805 non fornisce 5 V

Messaggioda Foto UtenteFedericoSibona » 2 giu 2013, 17:29

ramboluis ha scritto:Foto UtenteFedericoSibona
non so cosa siu succeso di preciso
sul cellulare mi e apparsa un notifica che diceva che hai risposto dicendomi che il 7805 era sotto dimensionato per alimentare i led .io i ho risposto ,dopo che ho inviato la risposta sono tornato sul forum e o notato che mancano sia il tuo ultimo messaggio che la mia risposta ho ricaricato piu volte la pagina ma niente sia da cell che da PC

In effetti ti avevo scritto quello, ma poi ho cancellato perché volevo prendermi un po' più di tempo per guardare meglio lo schema postato. Probabilmente, e giustamente, su questo forum, cancellando un messaggio, si cancellano anche quelli che lo citano, questo spiegherebbe il tutto :-)

Nel frattempo hanno detto tutto gli altri ( :-)) tranne che io ti consiglierei di prendere un L78S05 che è un po' più robusto.
Avatar utente
Foto UtenteFedericoSibona
5.022 3 5 8
Master
Master
 
Messaggi: 3951
Iscritto il: 19 mar 2013, 11:43

0
voti

[19] Re: 7805 non fornisce 5 V

Messaggioda Foto Utenteramboluis » 2 giu 2013, 17:57

ok. pensavo gia di avere le allucinazioni :mrgreen:
intanto io ho dissaldato (per la prima volta con successo) il 7805 e l ho sostituito ora il circuito funziona perfetamente .l'alimentazione e di 5V
Foto UtenteFedericoSibona
non riesco a seguire il tuo discorso,non mi torna ancora perche il 7805 dovrebbe essere sottodimensionato
non so esattamente come fare un calcolo accurato pero sinceramente ad occhio 200 mA mi sembrano bastare

led = 15mA
transistor = 8mA x3

ho dimenticato qualcosa ?
Avatar utente
Foto Utenteramboluis
80 1 7
Stabilizzato
Stabilizzato
 
Messaggi: 314
Iscritto il: 28 giu 2012, 18:39

0
voti

[20] Re: 7805 non fornisce 5 V

Messaggioda Foto Utenterusty » 2 giu 2013, 18:04

Bene, sono contento che ora funzioni, occhio a non rimandare in corto il povero 7805 :ok:

Credo che Foto UtenteFedericoSibona si riferisse al fatto che in un precedente messaggio hai accennato a 4A totali per alimentare i LED, ma quali siano e dove/come li connetterai ancora non l'hai detto.
Ovviamente questi 4A, anche se li disponessi dall'alimentatore, non possono essere erogati dal solo 7805, dovresti corazzarlo con almeno 4 BJT alettati e lo schema cambierebbe ;-)
Avatar utente
Foto Utenterusty
4.075 2 9 11
Utente disattivato per decisione dell'amministrazione proprietaria del sito
 
Messaggi: 1578
Iscritto il: 25 gen 2009, 13:10

PrecedenteProssimo

Torna a Elettronica generale

Chi c’è in linea

Visitano il forum: Google [Bot] e 147 ospiti