ciao a tutti :)
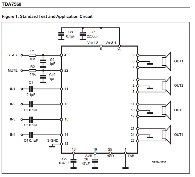
stavo navigando su internet per cercare degli amplificatori e mi sono imbattuto in un sito dove diceva di utilizzare l'integrato TDA7560 come amplificatore per auto! e i componenti da utilizzare usava quelli che erano scritti nel suo datasheet!
ho qualche dubbio sui vari componenti:
1) la massa dell'integrato sarebbe il piedino 1 (TAB) !?
2) il piedino 4 e il piedino 22, che sono rispettivamente il st-by e il mute, ecco a cosa dovrei collegarli quei piedini!?
3) il piedino 25 che sarebbe HDS cosa sarebbe!? e perché non è collegato!?
4) il piedino 13 è la massa dell'integrato!?
grazie a tutti :)
Informazione su integrato TDA7560
Moderatori:
carloc,
g.schgor,
BrunoValente,
IsidoroKZ
1 messaggio
• Pagina 1 di 1
0
voti
1 messaggio
• Pagina 1 di 1
Chi c’è in linea
Visitano il forum: Nessuno e 93 ospiti

Elettrotecnica e non solo (admin)
Un gatto tra gli elettroni (IsidoroKZ)
Esperienza e simulazioni (g.schgor)
Moleskine di un idraulico (RenzoDF)
Il Blog di ElectroYou (webmaster)
Idee microcontrollate (TardoFreak)
PICcoli grandi PICMicro (Paolino)
Il blog elettrico di carloc (carloc)
DirtEYblooog (dirtydeeds)
Di tutto... un po' (jordan20)
AK47 (lillo)
Esperienze elettroniche (marco438)
Telecomunicazioni musicali (clavicordo)
Automazione ed Elettronica (gustavo)
Direttive per la sicurezza (ErnestoCappelletti)
EYnfo dall'Alaska (mir)
Apriamo il quadro! (attilio)
H7-25 (asdf)
Passione Elettrica (massimob)
Elettroni a spasso (guidob)
Bloguerra (guerra)
