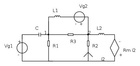
Determinare la potenza complessa erogata dai generatori indipendenti nel circuito ed i potenziali di nodo: Vg1(t)=10cos(ωt - π/2)V, vg2(t)=12cos(ωt + π/2)V, ω=10^4 rad/s, R1=5Ω, R2=8Ω, R3=4Ω, Rm= 2Ω, , L1= 0.25mH, L2= 0.4 mH, C= 50\muF
Allora inizio a fare i potenziali di nodo:
1 :

2 :

poi tramite derive trovo v1= 8,53-11,i j e v2= 2-13,4 j
=14
=13,5
°
°v1=14cos(ωt-52°) v2=13,5 cos(ωt-81°)
i1=(8,53-11,1+10j)/(2/j)=0,55+4,26j i2=0,25-0,40j
P=1/2VI= 1/2 (-10j)(0,55+4.26j)=21,3 -2,75i
i3=
=3.9+2,6jP=1/2(12j)(3,9+2,6j)=-15,6+23,4j

Elettrotecnica e non solo (admin)
Un gatto tra gli elettroni (IsidoroKZ)
Esperienza e simulazioni (g.schgor)
Moleskine di un idraulico (RenzoDF)
Il Blog di ElectroYou (webmaster)
Idee microcontrollate (TardoFreak)
PICcoli grandi PICMicro (Paolino)
Il blog elettrico di carloc (carloc)
DirtEYblooog (dirtydeeds)
Di tutto... un po' (jordan20)
AK47 (lillo)
Esperienze elettroniche (marco438)
Telecomunicazioni musicali (clavicordo)
Automazione ed Elettronica (gustavo)
Direttive per la sicurezza (ErnestoCappelletti)
EYnfo dall'Alaska (mir)
Apriamo il quadro! (attilio)
H7-25 (asdf)
Passione Elettrica (massimob)
Elettroni a spasso (guidob)
Bloguerra (guerra)






